Автор Тема: Отладочная плата для создания педалей мультиэффектов на базе м.сх. Spinsemi FV-1  (Прочитано 2506 раз)

0 Пользователей и 1 Гость просматривают эту тему.

Оффлайн UNCLE_O Автор темы

  • Эксперт
  • *****
  • Сообщений: 2151
  • Long live Rock'nRoll
    • U-sound Guitar Equipment
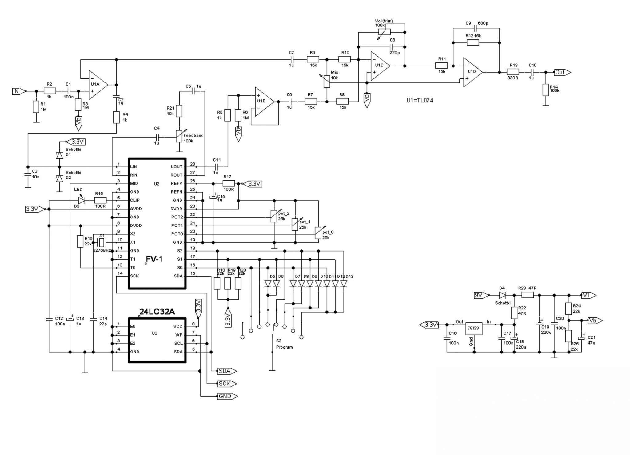
Spinsemi FV-1  Development System  SPN1001-DEV
Занятный инструмент для творчества по созданию педалей эффектов на микросхеме FV-1.
На этой базе можно собрать множество вариантов педалей с использованием следующих эффектов:
Delay effects
The Hass effect
Chorus and Vocal doubling
Phase shifting
A Note on the FV-1 Delay memory addressing
Continuously varying delays
Vibrato
Pitch transposition
Barber pole flange
Pitch Shifting
Tremolo
Ring modulation
Simple filters
Peaking filters
Reverberation
Considerations when building a reverb
Gated reverb, dynamic effects
Compression and expansion
Distortion

Плата SPN1001-DEV именно тот инструмент с помощью которого можно проводить эксперименты по созданию своих педалей эффектов, со своими предпочтениями и в желаемых конфигурациях. До 8 переключаемых эффектов в простейшей конфигурации. Схема готового девайса относительна проста и повторяема даже неопытным DIY-шником.
Окунитесь в мир разработчика, создайте свой неповторимый девайс!
Несколько примеров педалей на базе м.сх. FV-1:
Robert Keeley Super Mod Workstation
EarthQuaker Devices: RAINBOW MACHINE
Neunaber Immerse Reverb
Отправлю хоть куда.
7500 руб.
+7 9IЗ 728 9I 36
можно ватсап, телеграм.