Доброго времени суток!
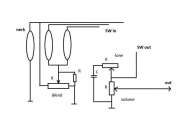
Есть у меня страт японский с датчиками Lace Sensor Gold, но распаянный не по активной схеме, а по оригинальной Lumtric original "Turbo Blender".
Суть этой схемы состоит в том, что ручки громкости и тембра (средняя) работают как стандартные громкость и тембр для всех трех датчиков, а нижний потенциометр примешивает к среднему и бриджевому датчику нековый, если его поворачивать против часовой стрелки.

Так вот. Возникла проблема, что этот "подмес" некового датчика к дву другим иногда не работает. Точне так - хочет работает - не хочет не работает. Без всяких на то видимых причин.
При вскрытии никаких обрывов и "соплей" не наблюдается. Передергивание и постукивание контакта не дает. Схема собрана надежно и крепко. При этом если нижний потенциометр выкрутить против часовой в крайнее положение, то звука в сочетании датчиков нек-миддл вообще нет (при постепенном обратном выворачивании он прибавляется).
Уважаемые, подскажите пожалуйста, в какую сторону копать? Глюк какой-то. Уж лучше бы вовсе не работал. А то... То "да" то "нет".
http://fotki.yandex.ru/users/crywolf/album/92114/