Автор Тема: Товарищ с ODB-3, отзовись  (Прочитано 1546 раз)

0 Пользователей и 1 Гость просматривают эту тему.

Оффлайн Катя Тюхменева Автор темы

  • Новичок
  • *
  • Сообщений: 5
  • GuitarPlayer.Ru fan!
Товарищ с ODB-3, отзовись
« : Декабря 20, 2014, 23:22:25 »
Отдали на ремонт одб-3, транзюк Q16 выдран. Схемы в интернетах - божье наказание. Если у кого-то есть, разберите, пожалуйста, если можете, и посмотрите, что там за транзюк.

Оффлайн Geo1

  • Эксперт
  • *****
  • Сообщений: 2502
  • Нас гитаристов двое----- Я да Хендрикс
Re: Товарищ с ODB-3, отзовись
« Ответ #1 : Декабря 20, 2014, 23:35:33 »
Одб -3 это что ?

Оффлайн Катя Тюхменева Автор темы

  • Новичок
  • *
  • Сообщений: 5
  • GuitarPlayer.Ru fan!
Re: Товарищ с ODB-3, отзовись
« Ответ #2 : Декабря 20, 2014, 23:40:39 »
Одб -3 это что ?

это Boss overdrive bass-3

Оффлайн Geo1

  • Эксперт
  • *****
  • Сообщений: 2502
  • Нас гитаристов двое----- Я да Хендрикс
Re: Товарищ с ODB-3, отзовись
« Ответ #3 : Декабря 20, 2014, 23:50:16 »
это Boss overdrive bass-3

А в чем проблема со схемами ? Вроде она ?

Оффлайн Катя Тюхменева Автор темы

  • Новичок
  • *
  • Сообщений: 5
  • GuitarPlayer.Ru fan!
Re: Товарищ с ODB-3, отзовись
« Ответ #4 : Декабря 20, 2014, 23:59:49 »
Geo1, , я вот смотрю сейчас на свой и на этой схеме как минимум не хватает 5 транзисторов

Оффлайн Geo1

  • Эксперт
  • *****
  • Сообщений: 2502
  • Нас гитаристов двое----- Я да Хендрикс
Re: Товарищ с ODB-3, отзовись
« Ответ #5 : Декабря 21, 2014, 00:07:27 »
Geo1, , я вот смотрю сейчас на свой и на этой схеме как минимум не хватает 5 транзисторов

Тогда фото платы выкладывай , вернее будет

... и добавил:

У тебя такая ?
« Последнее редактирование: Декабря 21, 2014, 00:12:31 от Geo1 »

Оффлайн Катя Тюхменева Автор темы

  • Новичок
  • *
  • Сообщений: 5
  • GuitarPlayer.Ru fan!
Re: Товарищ с ODB-3, отзовись
« Ответ #6 : Декабря 21, 2014, 00:25:08 »
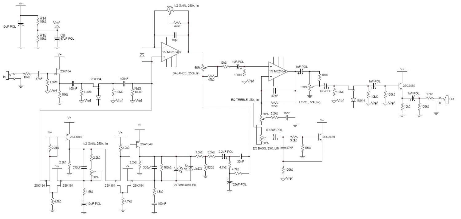
Geo1, да, она, но нужен вот этот https://pp.userapi.com/c622417/v622417770/ec22/cE-DvHZofv4.jpg Q16

Оффлайн Geo1

  • Эксперт
  • *****
  • Сообщений: 2502
  • Нас гитаристов двое----- Я да Хендрикс
Re: Товарищ с ODB-3, отзовись
« Ответ #7 : Декабря 21, 2014, 08:22:17 »
Geo1, да, она, но нужен вот этот https://pp.userapi.com/c622417/v622417770/ec22/cE-DvHZofv4.jpg Q16

Самой примочки у меня нету , фотки из интернета взяты.
Ну что могу посоветовать ..
У данного Производителя (Роланд-босс)  есть очень хорошая привычка наносить обозначания разных транзисторов по разному( на печатной плате видишь по разному обведены транзисторы ) , так что глядя на плату можно смело сказать что транзистор Q16 аналогичен  транзистору Q5 и Q15.

Данный факт  несколько раз выручал при ремонте древних синтов  ( схемы на них отсутствовали), они там также делают как и в примочках .
Да и сюда загляни , пообщяйся если есть вопросы
http://forum.gtlab.net/cgi-bin/yabb2/YaBB.pl?num=1244469963/0
« Последнее редактирование: Декабря 21, 2014, 08:58:41 от Geo1 »

Оффлайн Катя Тюхменева Автор темы

  • Новичок
  • *
  • Сообщений: 5
  • GuitarPlayer.Ru fan!
Re: Товарищ с ODB-3, отзовись
« Ответ #8 : Декабря 22, 2014, 00:16:00 »
Geo1, Спасибо)

Оффлайн Geo1

  • Эксперт
  • *****
  • Сообщений: 2502
  • Нас гитаристов двое----- Я да Хендрикс
Re: Товарищ с ODB-3, отзовись
« Ответ #9 : Декабря 22, 2014, 08:33:36 »