Автор Тема: Примочка Arion - фэйзер, поднимает общую громкость.  (Прочитано 828 раз)

0 Пользователей и 1 Гость просматривают эту тему.

Оффлайн romario1 Автор темы

  • Новичок
  • *
  • Сообщений: 40
  • GuitarPlayer.Ru fan!
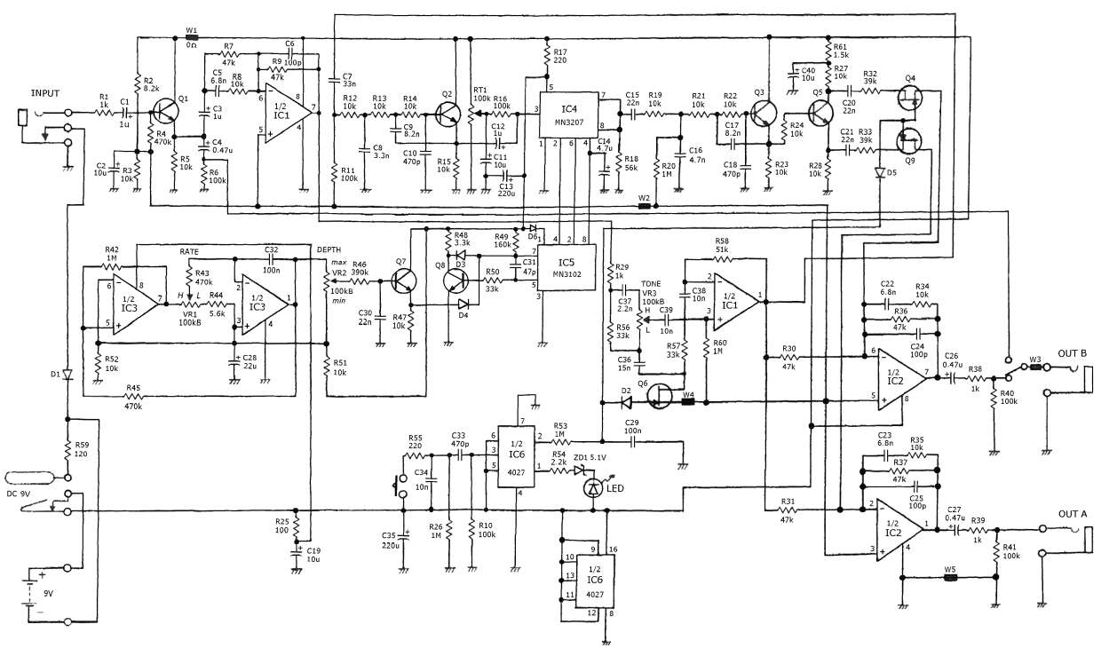
Ребят подскажите, такая проблема. У меня в педалборде стоят в основном примочки от Boss, на днях купил парочку от фирмы Arion - фэйзер и октавер. Стоят они у меня после хоруса перед дилеем, в общем по правилам, так вот когда включаю фэйзер, либо октавер то они не слабо бустят и поднимают общий уровень громкости, что неприемлемо для меня. Я так понимаю что это из за входного сопротивления ? У примочек Boss - 1Мом, у Arion - 100к, судя по спецификации. Схему в интернете не нашел, есть только хорус и дилей. Что можно сделать ?

Оффлайн Geezer

  • Живу на форуме
  • *******
  • Сообщений: 12769
  • Atypique
На выходах висят резисторы на массу (R40 и R41). Надо вместо них впаять подстроечники-потенциометры такого же номинала, а сигнал желаемого уровня снимать с их среднего вывода. Всё.

Оффлайн romario1 Автор темы

  • Новичок
  • *
  • Сообщений: 40
  • GuitarPlayer.Ru fan!
Большое спасибо! Гляну, где в моем фэйзере эти резисторы и сделаю.

Оффлайн Geezer

  • Живу на форуме
  • *******
  • Сообщений: 12769
  • Atypique
Если резисторы закопаны слишком далеко, можно оставить их в покое и распаять подстроечники-потенциометры непосредственно на выходном разъёме: выходное сопротивление ОУ довольно низкое и на такую дополнительную нагрузку (50 кОм вместо 100) ему наплевать.