Автор Тема: Вопрос по распайке  (Прочитано 642 раз)

0 Пользователей и 1 Гость просматривают эту тему.

Оффлайн infusion Автор темы

  • Эксперт
  • *****
  • Сообщений: 2031
Вопрос по распайке
« : Февраля 07, 2018, 11:01:51 »
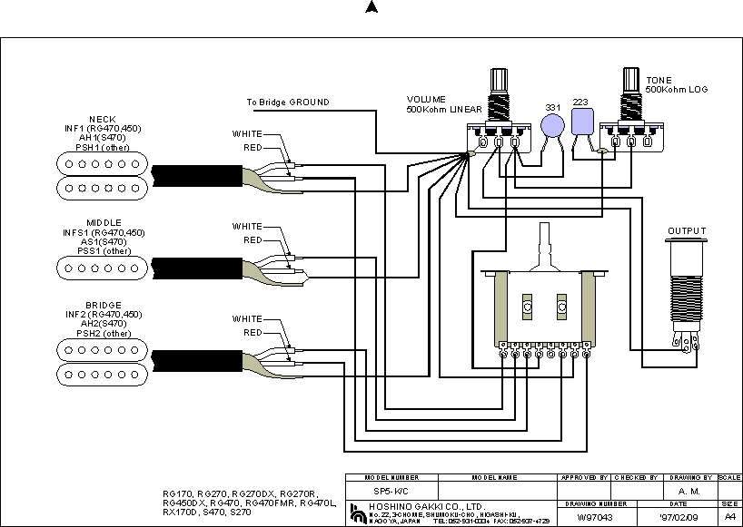
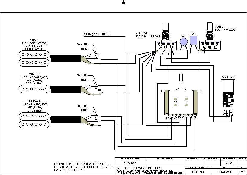
Добрый день. Интересует вопрос - если с потца громкости убираем конденсатор и во всем остальном оставляем схему без изменений - на что это влияет? :hmmm:

Оффлайн painful

  • Живу на форуме
  • *******
  • Сообщений: 14907
  • Зарегистрированный
Re: Вопрос по распайке
« Ответ #1 : Февраля 07, 2018, 11:15:34 »
infusion, если этот конденсатор отпаять, то при понижении громкости будут срезаться все частоты, а не низкие со средними в первую очередь. Некоторым нравится, чтобы высокие не глохли при скручивании громкости, для этого конденсатор этот и ставят

Оффлайн infusion Автор темы

  • Эксперт
  • *****
  • Сообщений: 2031
Re: Вопрос по распайке
« Ответ #2 : Февраля 07, 2018, 11:30:36 »
painful, играю митол только на выкрученной громкости на максимум. делаю себе распайку без этого конденсатора. это правильно так делать?

Оффлайн painful

  • Живу на форуме
  • *******
  • Сообщений: 14907
  • Зарегистрированный
Re: Вопрос по распайке
« Ответ #3 : Февраля 07, 2018, 12:46:15 »
painful, играю митол только на выкрученной громкости на максимум. делаю себе распайку без этого конденсатора. это правильно так делать?
Это вполне нормально, я ни на одну из своих гитар такой кондёр не ставил, т.к. мне не надо, и если на скрученной громкости потеряется немного яркость - мне по барабану.
Более того, на некоторых гитарах регулятор тона отпаял - чуть больше высоких, чуть меньше влияния на сигнал непосредственно с датчика

Оффлайн infusion Автор темы

  • Эксперт
  • *****
  • Сообщений: 2031
Re: Вопрос по распайке
« Ответ #4 : Февраля 07, 2018, 13:08:02 »
painful, спасибо!