Автор Тема: Гитарная электроника (датчики, распайка,...)  (Прочитано 690560 раз)

0 Пользователей и 2 Гостей просматривают эту тему.

Оффлайн lerian

  • Частый посетитель
  • **
  • Сообщений: 144
Re: Гитарная электроника (датчики, распайка,...)
« Ответ #2010 : Апреля 06, 2016, 13:33:10 »
Здравствуйте.Есть смысл экранировать при активных датчиках?

Оффлайн Vlad13rus

  • Завсегдатай
  • ***
  • Сообщений: 426
  • GuitarPlayer.Ru fan!
Re: Гитарная электроника (датчики, распайка,...)
« Ответ #2011 : Апреля 07, 2016, 12:33:37 »
Здравствуйте.Есть смысл экранировать при активных датчиках?
А сейчас гитара фонит?

Оффлайн lerian

  • Частый посетитель
  • **
  • Сообщений: 144
Re: Гитарная электроника (датчики, распайка,...)
« Ответ #2012 : Апреля 07, 2016, 17:27:20 »
Vlad13rus,только планирую паять.

Оффлайн Павлуха.УЗ

  • Частый посетитель
  • **
  • Сообщений: 221
  • Утомлённый солнцем.
Re: Гитарная электроника (датчики, распайка,...)
« Ответ #2013 : Апреля 08, 2016, 18:24:35 »
Привет всем.
Ну так, как задумался я пересесть на ежи, то схемку сразу спать надобно.
И пришла мне в голову гениальная мысль:
Сделать двухканальную схему.
Трёхпозиционный переключатель+
1 канал - три датчика в режиме сингла поочерёдно, общая громкость, первый регулятор тона.
2 канал - нек+мидл, нек+бридж, мидл+бридж, общая громкость, второй регулятор тона.
Каналы между собой переключать пуш-пулом громкости.

Вопрос на засыпку:
При включении и выключении питания на датчик будет щелчок в линию?
И как от этого избавиться?

Оффлайн Jethro

  • Опытный
  • ****
  • Сообщений: 928
  • GuitarPlayer.Ru fan!
Re: Гитарная электроника (датчики, распайка,...)
« Ответ #2014 : Апреля 08, 2016, 19:32:21 »
Привет всем.
Ну так, как задумался я пересесть на ежи, то схемку сразу спать надобно.
И пришла мне в голову гениальная мысль:
Сделать двухканальную схему.
Трёхпозиционный переключатель+
1 канал - три датчика в режиме сингла поочерёдно, общая громкость, первый регулятор тона.
2 канал - нек+мидл, нек+бридж, мидл+бридж, общая громкость, второй регулятор тона.
Каналы между собой переключать пуш-пулом громкости.

Вопрос на засыпку:
При включении и выключении питания на датчик будет щелчок в линию?
И как от этого избавиться?

Как второй канал реализуется? )

Оффлайн Павлуха.УЗ

  • Частый посетитель
  • **
  • Сообщений: 221
  • Утомлённый солнцем.
Re: Гитарная электроника (датчики, распайка,...)
« Ответ #2015 : Апреля 08, 2016, 19:51:24 »
Как второй канал реализуется? )
Если по питанию отсечки, то одного переключателя достаточно.
Ну лучше два. Каждый канал будет настраиваться отдельно, и переключаться пуш-пулом, что даст кучу комбинаций.

У меня сомнения по поводу щелчка при включении питания.
Остальная схема уже в голове.

... и добавил:

Вот схемка на бумаге:


« Последнее редактирование: Апреля 08, 2016, 23:14:32 от Павлуха.УЗ »

Оффлайн Gibson ST

  • Опытный
  • ****
  • Сообщений: 843
  • GuitarPlayer.Ru fan!
Re: Гитарная электроника (датчики, распайка,...)
« Ответ #2016 : Апреля 10, 2016, 14:36:28 »
Привет,парни! Имеется пред от акустики,выдранный варварски.Какой провод на землю замыкается для включения?

Оффлайн AZG

  • Живу на форуме
  • *******
  • Сообщений: 95519
  • Санкт-Петербург
    • AZG CUSTOM
Re: Гитарная электроника (датчики, распайка,...)
« Ответ #2017 : Апреля 10, 2016, 17:11:27 »
Прозвонить на какой контакт (белый или красный) приходит черный провод от батарейки.

Оффлайн Spotu

  • Новичок
  • *
  • Сообщений: 13
Re: Гитарная электроника (датчики, распайка,...)
« Ответ #2018 : Апреля 24, 2016, 23:49:09 »
Прошу помощи с распайкой четырех позиционного переключателя oak grigsby. Сингл нек и хамбакер в бридже. Хочу нек, нек и бридж, нек и бридж с отсечкой, бридж. Возможно ли такое без пушпулов? Тему читал но про четырех позиционники и отсечки на них не нашел, если есть ткните, пожалуйста.  Где у хамба старт и финиш каждой катушки знаю.
« Последнее редактирование: Апреля 25, 2016, 00:36:20 от Spotu »

Оффлайн AZG

  • Живу на форуме
  • *******
  • Сообщений: 95519
  • Санкт-Петербург
    • AZG CUSTOM
Re: Гитарная электроника (датчики, распайка,...)
« Ответ #2019 : Апреля 25, 2016, 00:39:05 »
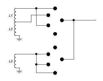
Там две секции с индивидуальным включением 4-х контактов. Надо просто определиться с направлением переключения. Вот схема, там все предельно просто. Ну и разобраться с фазой хамба чтобы когда два сингла получалось шумоподавление.

Оффлайн Spotu

  • Новичок
  • *
  • Сообщений: 13
Re: Гитарная электроника (датчики, распайка,...)
« Ответ #2020 : Апреля 25, 2016, 05:58:14 »
Там две секции с индивидуальным включением 4-х контактов. Надо просто определиться с направлением переключения. Вот схема, там все предельно просто. Ну и разобраться с фазой хамба чтобы когда два сингла получалось шумоподавление.
Спасибо.

Оффлайн 5ta1n

  • Эксперт
  • *****
  • Сообщений: 1325
  • Enduro will eat you
Re: Гитарная электроника (датчики, распайка,...)
« Ответ #2021 : Апреля 25, 2016, 08:46:16 »
Заменил на палке свитч и потенциометр.
Распаял по такой схеме: http://www.seymourduncan.ru/new/s/2hb_1vol_3way.jpg

Трабл в том, что пропал выхлоп, напрочь, еле еле слышно. Что со мной не так? :7:


Оффлайн JenyaKrab

  • Новичок
  • *
  • Сообщений: 1
Re: Гитарная электроника (датчики, распайка,...)
« Ответ #2022 : Апреля 27, 2016, 20:36:26 »
Друзья подскажите, сам не могу сообразить.
Когда шнур в гитару не вставлен, то на определенном уровне гейна дист свистит. Сделал хитрую распайку своего страта когда отсечкой 2 датчика включаются последовательно а не параллельно (Типа хамбакер). Но вот в первом положении они работают оба, но на этом же уровне гейна появляется тот же свист когда нет сигнала с звукоснимателей. Чем это может быть вызвано?

Оффлайн Barcel

  • Эксперт
  • *****
  • Сообщений: 1037
Re: Гитарная электроника (датчики, распайка,...)
« Ответ #2023 : Апреля 28, 2016, 13:53:34 »
Добрый день!
Имеется страт с тремоло Wilkinson by GOTOH, один потенциометр на громкость и один на тон.
Проблема вот в чём - при открытых струнах, если дергать рычагом или крутить потенциометры слышно потрескивание. Никакого фона и гула нет. Тремоло и электроника заземлены.

Оффлайн efiki

  • Частый посетитель
  • **
  • Сообщений: 119
Хочу сделать на нэке отсечку, посоветуйте , где 4х жильный проводок с экраном взять!http://www.chipdip.ru/product/bw7802/ такой подойдёт?