Ты в схеме то уверен?

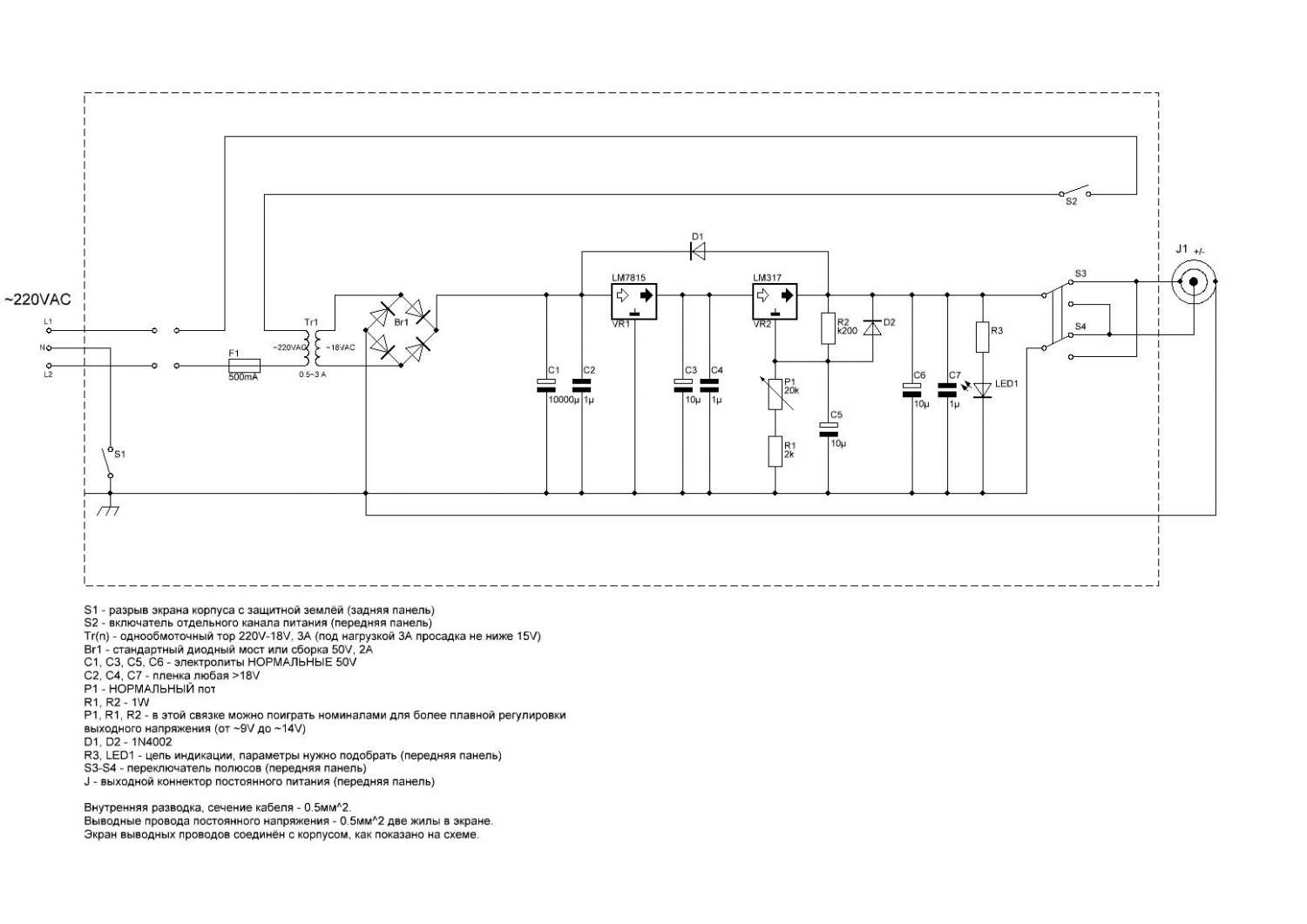
Зачем два стабилизатора? Мегафильтрация пульсаций? И на выходе 14В не будет

На lm317, как и на все ИС, нужно подавать напряжение минимум на 2-3 вольта больше выходного. У тебя же с lm7815 идет 15В, т.е. на выходе в лучшем случае будет 13В, в худшем 12

И светодиод лучше поставить между стабилизаторами, иначе он будет менять яркость в зависимости от выходного напряжения.
З.Ы, Тему то перенесут скорее всего.