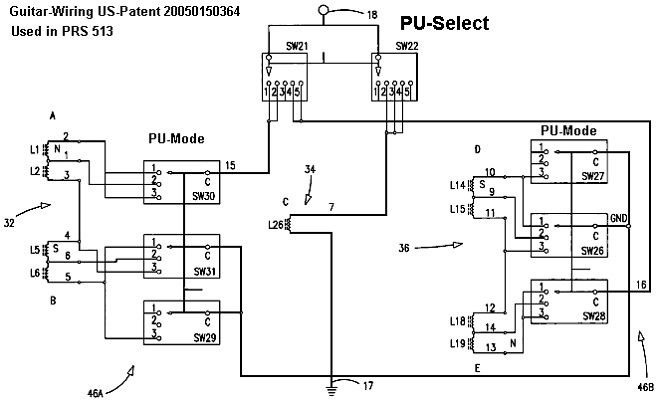
Схема и распайка PRS 513, правда там один переключатель пяти, а второй трехпозиционный.
Больше что-то ничего не находится, наверное до такого дошли только Пол Рид Смит и ты.
возьму на заметку, спасибо)
п.с. не слыхал о нем... вот только загуглил ПРС, красивенькие гитары у него, нужно будет изучить его поглубже)
черные саморезы - жесть.
ну что нашел, тем прикрутил... а снял я эти винты с CPU кулера

Понять бы какие варианты подключения хочется иметь. Без этого вообще неяснен смысл такого апгрейта. Пока приходит в голову только возможность отсечек парных синглов и переключение их с параллельного на последовательное включение. По мне это было бы проще сделать на обычных свичах. И ещё- парные синглы имеют одно направление намотки? Если да и просто развёрнуты, то полноценного хамбакерного эффекта не выйдет.
я бы и сам хотел понять, что я хочу от этого, пока что один из переключателей работает только в крайних положениях, и да тут были бы уместнее обычные тумблеры)
о направлениях намотки информации не имею, вообще в бридже хамб со скваев, но я там разъединил катушки, и сделал отсечку, а в неке 2 сингла (пока) соединенных по "правилам" хамбакера