Форум гитаристов
У нас самая большая гитарная тусовка
Добро пожаловать,
Гость
. Пожалуйста,
войдите
или
зарегистрируйтесь
.
Не получили
письмо с кодом активации
?
1 час
1 день
1 неделя
1 месяц
Навсегда
В теме
В разделе
По форуму
Яндекс
Начало
Помощь
Поиск
Media
Пользователи
Общий список
Поиск пользователей
Вход
Регистрация
|
Размещение рекламы
Правила форума
Форум гитаристов
»
Оборудование
»
equipment.craft.guitars
(Модератор:
Dying Fetus
) »
Тема:
Распайка Charvel Six Pack Of Sound
« предыдущая тема
следующая тема »
Печать
Страницы: [
1
]
Вниз
Автор
Тема: Распайка Charvel Six Pack Of Sound (Прочитано 1715 раз)
0 Пользователей и 1 Гость просматривают эту тему.
Эфес Родосский
Новичок
Сообщений: 2
GuitarPlayer.Ru fan!
Распайка Charvel Six Pack Of Sound
«
:
Ноября 20, 2018, 18:58:14 »
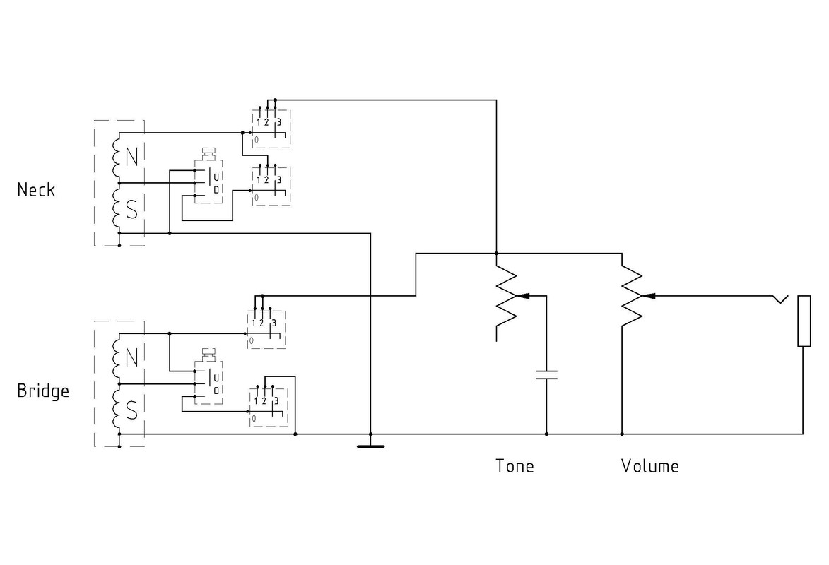
Привет! Искал информацию по распайке как на Charvel, но ничего не нашел, и с помощью знающего человека спаял на ибанезе нечто похожее.
Понадобится пушпулл и 3 позиционный переключатель особый, 4-pole.
Что это дает - можно не париться с переключениями 5ти позиционника, а сразу переключиться с типа стратовского звука на полный хамбакер, одним движением.
Полезно если играешь в кавер группе и не хочешь таскать несколько гитар для разных песен. Во втором положении при пушпуле вниз это типа страт, а пушпул вверх - типа телек)
При пушпулле вниз:
1. Бридж
2. Внутренние катушки
3. Нек
При пушпулле вверх:
1. Внешняя катушка бриджа
2. Внешние катушки
3. Внешняя катушка нека
Где купить трехпозиционник хитрый:
https://www.ebay.co.uk/itm/Double-guitar-switch-3-or-5-way-5-2-or-3-2-with-screws-and-tip/391628525147?hash=item5b2ee10e5b:m:mX_jzCBDlbtPI6W4c5KHbJg:rk:16:pf:0&var=660733274239
https://www.aliexpress.com/item/NEW-SUPER-3-WAY-PICKUP-SELECTOR-GUITAR-SWITCH-ST-TL-UST3-2/32839255834.html?spm=a2g0s.9042311.0.0.47fb4c4dUpQvdQ
Как примерно это звучит:
https://www.youtube.com/watch?v=iq5wKP8hZkY
«
Последнее редактирование: Декабря 30, 2018, 23:18:43 от Эфес Родосский
»
Записан
ELECTRIC_SERGEICH
Частый посетитель
Сообщений: 140
GuitarPlayer.Ru fan!
Re: Распайка Charvel Six Pack Of Sound
«
Ответ #1 :
Ноября 21, 2018, 16:48:37 »
Интересно!
Надо попробовать
Записан
Эфес Родосский
Новичок
Сообщений: 2
GuitarPlayer.Ru fan!
Re: Распайка Charvel Six Pack Of Sound
«
Ответ #2 :
Декабря 30, 2018, 23:22:06 »
Добавил профессиональную схему, ребята, зацените! Распайка - бомба))
Записан
Печать
Страницы: [
1
]
Вверх
« предыдущая тема
следующая тема »
Форум гитаристов
»
Оборудование
»
equipment.craft.guitars
(Модератор:
Dying Fetus
) »
Тема:
Распайка Charvel Six Pack Of Sound