Автор Тема: Распайка трехпозиционно Stratocaster  (Прочитано 811 раз)

0 Пользователей и 1 Гость просматривают эту тему.

Оффлайн StealWar Автор темы

  • Новичок
  • *
  • Сообщений: 2
  • GuitarPlayer.Ru fan!
Распайка трехпозиционно Stratocaster
« : Февраля 06, 2024, 18:14:59 »
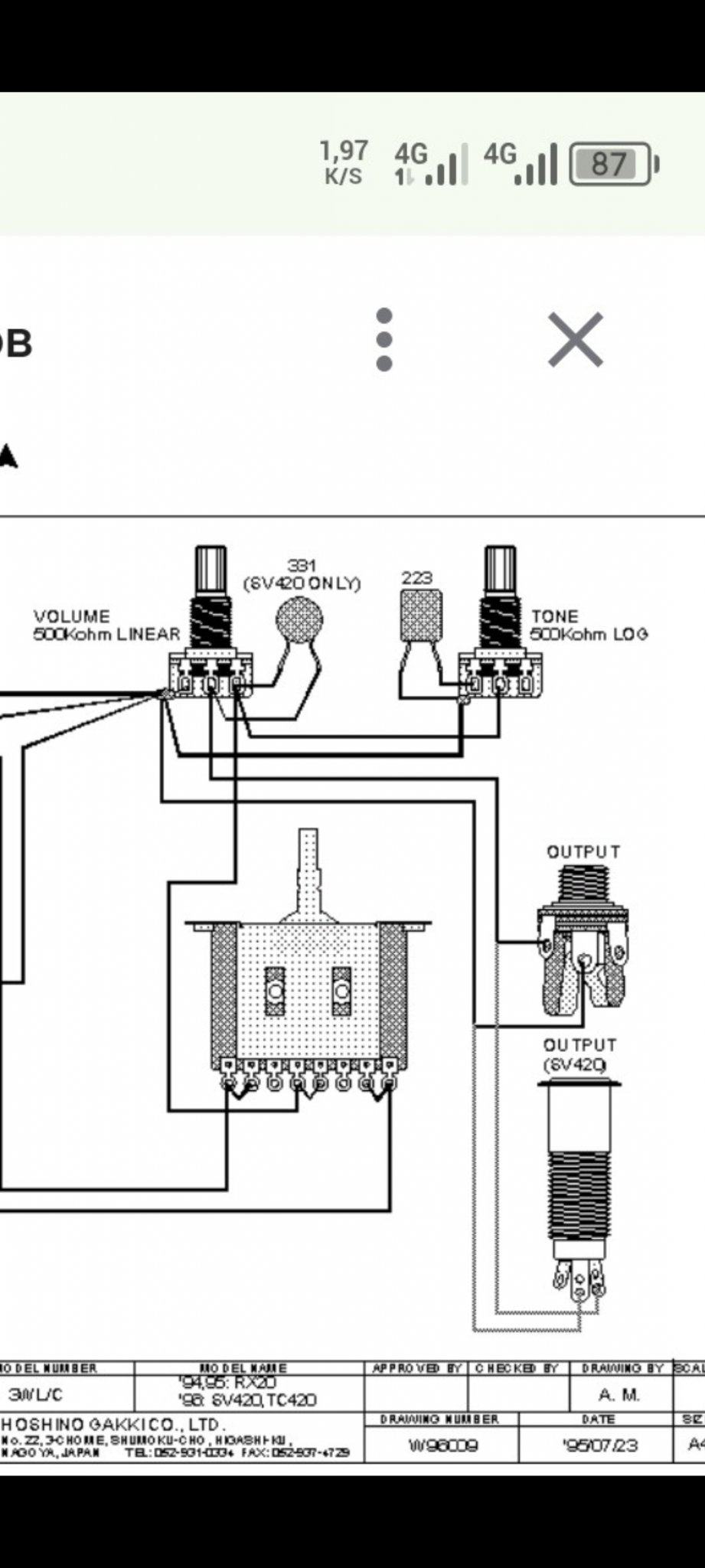
Товарищи, может кто скинуть схему распайки трёхпозиционного стратокастера с синглом и хамбакером одним тоном и громкостью? У хамбакера сигнальный провод и земля. Переключатель с тремя контактами

Оффлайн DmitryM

  • Живу на форуме
  • *******
  • Сообщений: 7990
    • Bandcamp
Re: Распайка трехпозиционно Stratocaster
« Ответ #1 : Февраля 08, 2024, 08:18:52 »
тема про распайку в шапке раздела >:(

Оффлайн StealWar Автор темы

  • Новичок
  • *
  • Сообщений: 2
  • GuitarPlayer.Ru fan!
Re: Распайка трехпозиционно Stratocaster
« Ответ #2 : Февраля 09, 2024, 06:35:52 »
Разобрался, как спаять, может кому интересно будет. Нужно было на самом переключателе сделать перемычки как на фото, хоть ножки с контактами всего 3 на самом текстолите ещё есть контакты, паять конечно не совсем удобно, но заработало. Теперь работает neck-neck+bridge-bridge.