Для человек! Вторая попытка...

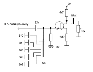
Это реально круто работает. Есть и более продвинутые фильтры. Прошу не принимать за флуд. Это - попытка помочь топикстартёру с его проводом. Мотаем катушки проводом 0,1 до заполнения каркаса и подключаем к такой простенькой схемке. Результат приятно удивит... Кстати, схема допускает и питание 18 вольт.