Я смотрю тут собрались наверное все мастера и любители гитарного дела.
Ребята помогите пожалуйста новичку разобраться!
Вот моя печальная история.
У меня гитара обычный страт ибанезовский со звучками S-S-H. Изначально схема у него такова как в приложенной картинке (нашел у производителя). 5-позиционный переключатель с возможностью включать "как хамбакер" нэк+средний и средний+1/2 бриджа.
Очень привык я к своей гитаре, но хотел больше вариаций звучания с нэкового звучка. Сначала была идея врезать рядом минихамб рельсовый. У меня даже есть такой подаренный... Ну это к слову.
Потом я понял что это дело тухлое и что нужно либо врезать хамбакер, либо гибрид в размер хамбакера, благо в гитарном корпусе уже имеется углубление с расчетом на хамбакер. В общем нашел очень интересный звукосмниматель состоящий из синла и минихамбакера на стандартном шасси стратовского полноразмерного хамба.
Половинка у него рельсовый хамб, а другая сингл. Сие изделие именуется Warman G-rail. Их лабает один мастер в британии с той же фамилией. У него в общем его и купил через инет. Вот фотка:

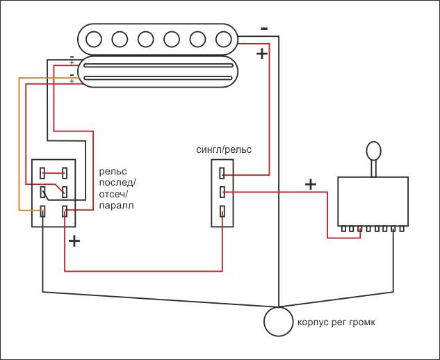
Изготовил из акрила новую накладку, обклеил алюминиевым скотчем где положено. В общем все приготовил.
Взял два минипереключателя. Один вкл-вкл-вкл 6-контактный, и один вкл-вкл 3-контактный. У нового датчика 6 проводов. По паре на катушку условно. И еще провод земля.
У производителя сверился какие цвета проводов правильные, узнал схему подключения для 6-контактника, чтобы менять параллельно/отсечка/последовательно на рельсе (4 из 6 проводов). "плюс" общий вывел на 3-контактник. минус на потенциометр, куда все прочее заземляется. Туда же вывел "минус" синловой части, а плюс на другой на 3-контактник. С 3-контактника пустил общий провод на общий гитарный переключатель, куда и шел раньше нэковый сингл. Земляной "голый" провод я припаял туда же куда, остальные минуса - на потенциометр, его задницу.
По логике вещей должно было быть так:
С использованием миниперключателей можно активировать либо рельсу, либо сингл (как я уже сказал звукосниматель гибридный и имеет и то и другое), рельсу отдельно можно делать параллельно или последовательно. Сингл нужен для привычной работы в комбинации со средним звукоснимателем. Рельса для более чистого звука в нэковой позиции и всяких вариаций. Как известно синлы всегда фонят.
При сборке я произвел переделку с учетом полярностей магнитов и направления обмоток насколько я мог о них догадываться. Полярность сингла у "грейла" была противоположной родному нэковому. Пришлось переставить нэковый синл в среднее положение, а средний сингл отпаять. Хамбакер внутри был перепаян, чтобы отсекалась другая катушка, чтобы соблюсти противоположность полярностей.
У хамбакера было внутри от последовательного соединения катушек выведен на рычажок провод, чтобы заземлялась одна из катушек для отсечки. Я соединил с этим проводом другие хвосты катушек, а оставшиеся припаял на места, где были хвосты противоположного цвета. По идее хамбакер должен остаться хамбакером, но глохнуть должна другая катушка.
Хамбакер я развернул на 180 градусов, чтобы нужная катушка была ближе к среднему звучку.
Наверное вы устали читать... В общем у меня полный facepalm потому что я не знаю в чем моя ошибка. Гитара вроде играет, но кажется стала намного громче, чем была и это ВСЕ звучки. И появился шум. Шум всегда. Даже у хамбакеров. Это и наводки типа 50 герц, и шипение. Ну не мог же я перепутать ВСЕ подключения. Может использовал паршивые проводки. Может паять умею как слон, может чтото перегрел, может что угодно быть. Может сломал заземление. Но опять же без нужного опыта все перепробовать не зная что творишь - сделаю еще хуже. Может у "грейла" обмотка неправильного направления на синле. Я не знаю может ли это сыграть роль, когда он в принципе выключен рычагом.
Готов застрелиться и прошу о помощи! это реально SOS. Не дайте сгинуть в безмерной печали. Гитару жалко как....