Автор Тема: Telecaster TL-52TX электроника  (Прочитано 3234 раз)

0 Пользователей и 1 Гость просматривают эту тему.

Оффлайн Trio Автор темы

  • Новичок
  • *
  • Сообщений: 57
Telecaster TL-52TX электроника
« : Октября 25, 2014, 12:00:39 »
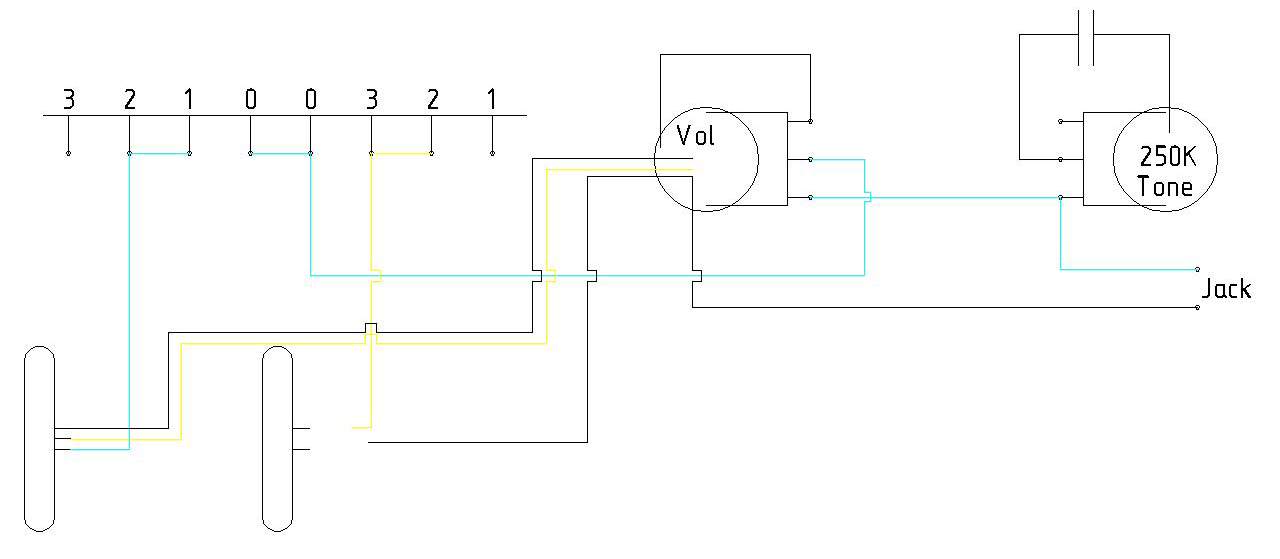
Вот и настал день когда мои шаловливые рученки решили "залезть в гитару". Вообще, причиной послужило - проблема с электроникой - где-то явно отходил контакт, и в бридже не было звука, либо был, но с треском. 1) Сняв панельку я обнаружил странную распайку(мб и не странную, но на сайте фендера я такой не нашел), нарисовал схемку, корявенько так, но разобраться можно. прошу гуру посмотреть, оценить такую схему.
2) Я решил заменить и переключатель и оба потенциометра. За сим побежал в близжайший магазин - шамрай(не реклама,) где, кстати, и покупал когда-то гитару. мне дали переключатель DiMarzio EP1105 и потенциометры Dimarzio EP 1200 по 250К. Тут возникли следующие вопросы: потенциометры вообще не подходят по габаритам -  крутилка не одевается, ручка потенциометра слишком длинная(но это я думал победить накручиванием гаек на внутренней стороне), и диаметр части на которой резьба оказался слишком большой, те в панельке бы пришлось расширять отверстие. тут следующий вопрос: стоит ли искать потенциометры по размеру? или покупают какой есть, а потом подбирают крутилку и расширяют отверстие, если надо?
Потом, вопрос с переключателем. На родном все пины расположены в один ряд и пронумерованы(как на приложенном рисунке) сам корпус переключателя параллелепипедной формы. У EP 1105 пины расположены в два ряда на круглой плстине и не пронумерованы. Как мне узнать какие провода к каким пинам припаивать, если хочу такую же схеме как и была сделать?

Оффлайн dsad67

  • Живу на форуме
  • *******
  • Сообщений: 9040
  • ВИА "Детский саД"
Re: Telecaster TL-52TX электроника
« Ответ #1 : Октября 25, 2014, 15:27:03 »
Trio, может так ??  Нек - оба - бридж ..

http://www.seymourduncan.ru/new/s/standard_tele.jpg

... и добавил:

Возьми свой потенциометр с ручкой и сходи с ними в шамрай (не реклама) ..
« Последнее редактирование: Октября 25, 2014, 15:30:53 от dsad67 »

Оффлайн Trio Автор темы

  • Новичок
  • *
  • Сообщений: 57
Re: Telecaster TL-52TX электроника
« Ответ #2 : Октября 25, 2014, 19:04:27 »
Trio, может так ??  Нек - оба - бридж ..

http://www.seymourduncan.ru/new/s/standard_tele.jpg

... и добавил:

Возьми свой потенциометр с ручкой и сходи с ними в шамрай (не реклама) ..
dsad67,
э... ну нет. все как я нарисовал. вообще никак не могу понимать, зачем, например, емкость на корпус замкнули, вообще это получается обособленный контур(средний пин тона-кондер-корпус), какой от него толк?
зы: все поменяли норм, паника отменяется)

Оффлайн dsad67

  • Живу на форуме
  • *******
  • Сообщений: 9040
  • ВИА "Детский саД"
Re: Telecaster TL-52TX электроника
« Ответ #3 : Октября 25, 2014, 19:10:50 »
dsad67,
э... ну нет. все как я нарисовал. вообще никак не могу понимать, зачем, например, емкость на корпус замкнули, вообще это получается обособленный контур(средний пин тона-кондер-корпус), какой от него толк?
зы: все поменяли норм, паника отменяется)

Trio, картинку я тебе кинул , чтоб ты посмотрел распайку переключателя ..

А остальное - твоё дело .. Хочешь - классическая схема , хочешь - твоя ..

Оффлайн Trio Автор темы

  • Новичок
  • *
  • Сообщений: 57
Re: Telecaster TL-52TX электроника
« Ответ #4 : Октября 25, 2014, 19:24:18 »
dsad67, ну постой) это не моя схема, это то что заделал предыдущий владелец) я дно пока во всем вот в этом и я пытаюсь понять, что тут вообще творится. например мне интересно такое присоединение кондера это косяк, или для чего то это нужно? мои познания в схемотехнике говорят, что это фигня какая-то.
потом, то что ты кинул(спс кстати=)) там в неке от звучка 2 провода отходят, а у меня 3.

Оффлайн dsad67

  • Живу на форуме
  • *******
  • Сообщений: 9040
  • ВИА "Детский саД"
Re: Telecaster TL-52TX электроника
« Ответ #5 : Октября 25, 2014, 19:39:04 »
там в неке от звучка 2 провода отходят, а у меня 3.

Чёрный - экран .. Его на землю .. Остальное так же ..

Оффлайн Trio Автор темы

  • Новичок
  • *
  • Сообщений: 57
Re: Telecaster TL-52TX электроника
« Ответ #6 : Октября 25, 2014, 19:48:33 »
dsad67, точно)

Оффлайн Pavel WOC

  • Эксперт
  • *****
  • Сообщений: 2789
  • GuitarPlayer.Ru fan!
    • World Of Covers
Re: Telecaster TL-52TX электроника
« Ответ #7 : Октября 25, 2014, 19:53:57 »
Цитировать
например мне интересно такое присоединение кондера это косяк, или для чего то это нужно?
Всё просто: конденсатор по разному пропускает сигнал разной частоты. Средний вывод потенциометра это его "движок". В одном из крайних положений конденсатор будет замкнут сам на себя - тоесть тупо что он есть, что его нету. В другом же крайнем положении конденсатор будет присоединён к сигнальному проводу. Таким образом часть сигнала определёной частоты пойдёт через конденсатор на "землю". Таким образом получается регулировка тембра.

Оффлайн Trio Автор темы

  • Новичок
  • *
  • Сообщений: 57
Re: Telecaster TL-52TX электроника
« Ответ #8 : Октября 25, 2014, 22:28:24 »
Pavel WOC, Ну постой же. Вот, например, если смотреть эту распайку http://support.fender.com/service_diagrams/telecaster/013-8500A_SISD.pdf , то схема от бриджа, те в первом положении выглядит так: 

где, r1 и r2 - это крутилка громкости, кароч делитель напряжения выходит, а параллельно подключен конденстатор, который фильтрует низкие частоты и второй потенциометр как переменное сопротивление, изменяя которое будем менять там разницу фазы, ну кароч как-то так. а если посмтотреть на схемку из постов выше, там выходит, что плюсовой провод просто присоединен к пину 2 потенциометра и кагбэ вот) и выходит, что ничего не выходит, где там контур?)

Оффлайн kfmut

  • Эксперт
  • *****
  • Сообщений: 1182
  • человек человеку - друг, а зомби зомби - зомби!!!
Re: Telecaster TL-52TX электроника
« Ответ #9 : Октября 25, 2014, 22:54:01 »
Trio, не совсем понятно с чем ты пытаешься спорить ??? Схема, которую привёл dsad67 с сайта сеймуров, идентична твоей с фендера, в схеме из первого поста отсутствует соединение с корпуса пота тона до общей земли.

Оффлайн Trio Автор темы

  • Новичок
  • *
  • Сообщений: 57
Re: Telecaster TL-52TX электроника
« Ответ #10 : Октября 25, 2014, 23:06:03 »
kfmut, ну а значит конденсатор бесполезен) я ни с не спорю ни с кем) я просто хотел чтоб мне пояснили, действительно ли кондер никакой функции в схеме из оп поста не несет, или мб все же для чего-то нужен.(я сегодня первый рвз вообще столкнулся с таким понятием как распайка и вообще впервые заглянул внутрь гитары, так что такой вопрос вполне обоснован). ну а кагбэ мне пишут что там  часть сигнала идет на землю, я вот и пытаюсь уточнить каким образом) ниче такого. пожалуйста, не надо врубать снобов, все когда-то учились же)

Оффлайн kfmut

  • Эксперт
  • *****
  • Сообщений: 1182
  • человек человеку - друг, а зомби зомби - зомби!!!
Re: Telecaster TL-52TX электроника
« Ответ #11 : Октября 25, 2014, 23:41:12 »
kfmut, ну а значит конденсатор бесполезен

По факту, если у тебя поты никак не изолированы от мет.пластины темброблока, то земля идёт через корпус пота тона, пластину, корпус пота громкости, т.е. исходная схема не совсем верная...воспользуйся тестером для проверки.

...не надо врубать снобов...

:7: ты как бы сам подумай сколько нужно совершить действий чтобы ответить на твои исходные вопросы...найти что такое Telecaster TL-52TX, найти DiMarzio EP1105, найти Dimarzio EP 1200 и т.д.

Оффлайн dsad67

  • Живу на форуме
  • *******
  • Сообщений: 9040
  • ВИА "Детский саД"
Re: Telecaster TL-52TX электроника
« Ответ #12 : Октября 26, 2014, 05:33:42 »
ну а кагбэ мне пишут что там  часть сигнала идет на землю, я вот и пытаюсь уточнить каким образом)

Trio, по умолчанию корпуса потенциометров заземляются .. Либо через экран тембрблока , либо распайкой проводом ..

По твоей схеме так же не понятно , как заземляется бридж .. Что зависит от типа бриджевого датчика (с медной пластиной или без) ..

Оффлайн Aleksis2

  • Опытный
  • ****
  • Сообщений: 523
  • Каждому по деяниям его!
Re: Telecaster TL-52TX электроника
« Ответ #13 : Октября 26, 2014, 06:22:13 »
dsad67,  Т.е. если бриджевый датчик с медной(латунной и т.д.) пластиной то сам бридж отдельным проводом заземлять не обязательно? Я правильно Вас понял?

Оффлайн dsad67

  • Живу на форуме
  • *******
  • Сообщений: 9040
  • ВИА "Детский саД"
Re: Telecaster TL-52TX электроника
« Ответ #14 : Октября 26, 2014, 06:35:56 »
dsad67,  Т.е. если бриджевый датчик с медной(латунной и т.д.) пластиной то сам бридж отдельным проводом заземлять не обязательно? Я правильно Вас понял?

Aleksis2, вот например в стоке , пластина припаяна к чОрному (земляному) проводу .. А бридж по винтам контачит с пластиной ..

А если нет , то нужно отдельный провод ..

(нажмите чтобы показать/спрятать)