Автор Тема: Вопросы по пьезо-бриджу от Graph Tech  (Прочитано 1695 раз)

0 Пользователей и 1 Гость просматривают эту тему.

Оффлайн sga Автор темы

  • Частый посетитель
  • **
  • Сообщений: 165
  • GuitarPlayer.Ru fan!
Вопросы по пьезо-бриджу от Graph Tech
« : Января 31, 2019, 07:47:22 »
Вот прикупил для экспериментов http://www.graphtech.com/products/product-detail/pn-8863-bn-ghost-loaded-resomax-nv-6mm-tune-o-matic-bridge---black-nickel?id=c7f7ae10-9a91-4ed4-90af-69fcd34fa447. Но никаких причиндалов к нему в том магазине нет и продавец сказал что вообще в их сети по России ничего к нему нет.
Мне хотелось бы подключить его к компу как миди-устойство.
Что для этого нужно?
Полазив по инету что-то нашёл, но в аглицком не силён и до конца не всё понял.
Вот это https://www.ebay.com/itm/Graph-Tech-Ghost-Hexpander-Board-Guitar-PD-0440-00-NEW/302360622614?epid=3012075042&hash=item466618f616:g:uSIAAOSw0j9ZTmfj:rk:2:pf:0 - миди-сигнал выдаёт?
А это что: https://www.ebay.com/itm/Graphtech-BD-0440-00-Circuit-Board-Hexplander-Plus-Parker-Fly/283348090276?hash=item41f8dcbda4:g:oXEAAOSwHf5bCcGm:rk:31:pf:0
Чем отличается BD-0440-00 от PD-0440-00 ?

« Последнее редактирование: Января 31, 2019, 07:53:49 от sga »

Оффлайн AZG

  • Живу на форуме
  • *******
  • Сообщений: 95681
  • Санкт-Петербург
    • AZG CUSTOM
Re: Вопросы по пьезо-бриджу от Graph Tech
« Ответ #1 : Января 31, 2019, 07:55:45 »
Да, нужен Хекспандер. Но это только половина дела. Он МИДИ-сигнал не выдает. Нужен еще интерфейс, который формирует МИДИ. Это или Роландовские процы, интерфейс и т.п. или альтернатива от Axon.

дело не дешевое, но пока что лучшее для преобразования. Есть еще приблуда от Фишман, но она хуже различает ноты и т.п.

Оффлайн sga Автор темы

  • Частый посетитель
  • **
  • Сообщений: 165
  • GuitarPlayer.Ru fan!
Re: Вопросы по пьезо-бриджу от Graph Tech
« Ответ #2 : Января 31, 2019, 08:34:56 »
AZG, спасибо. Что-то проясняется.
Значит:
1. плата Graph Tech Ghost hexpander PD-0440-00 - это просто усилители
2. Graph Tech Ghost Hexpander 13 Pin Input Jack With Traktion Switch Pe-0540-00 - компонует сигналы в 13-пиновый разъём
3. 13-пиновый кабель
4. Вот это пойдёт? https://www.ebay.ca/itm/Roland-GI-10-GUITAR-MIDI-INTERFACE-Half-Rack-made-in/303045735730?hash=item468eeef532:g:hswAAOSwGIZcQ~D2:rk:6:pf:0

 

... и добавил:

А не существует ли в природе прога, которая неспеша анализирует вавку и формирует миди-файл?
Вся эта дороговизна от Роланда - только потому что это надо делать очень быстро. А прога по-идее, может быть совсем простой.

... и добавил:

Да существует, уже какую-то скачал AmazingMIDI 1.70.exe
Теперь нужно 6-ти канальную звуковуху.
« Последнее редактирование: Января 31, 2019, 09:09:25 от sga »

Оффлайн AZG

  • Живу на форуме
  • *******
  • Сообщений: 95681
  • Санкт-Петербург
    • AZG CUSTOM
Re: Вопросы по пьезо-бриджу от Graph Tech
« Ответ #3 : Января 31, 2019, 09:43:01 »
Проги такие есть. Качество среднее. Даже до Фишмановской не дотянулись.

А так, список верный. Надо полный комплект Хекспандера (а лучше и с Акустафоником) и интерфейс с кабелем 13-ти пиновым.
Смотри МирМузыки на предмет хекспандера, может завезли. Я последний забирал пол года назад. Там скидка была очень вкусной.

Оффлайн sga Автор темы

  • Частый посетитель
  • **
  • Сообщений: 165
  • GuitarPlayer.Ru fan!
Re: Вопросы по пьезо-бриджу от Graph Tech
« Ответ #4 : Января 31, 2019, 10:05:14 »
Именно в Мире музыки (Волгоград) я и брал этот бридж. И именно там мне сказали что никаких причиндалов нет и не будет (видимо спрос мал и решили больше не заморачиваться)
Придётся на ебэе брать (или есть ещё варианты?) Есть там и киты.
И всё же напрягает - какая-то вшивая платка с операционниками стоит в два раза дороже чем б.у Axon AX 100
Мож я сам это спаяю? Разъём 13-пиновый только надо. А может и вообще - напрямую, без предусилителей? 


Оффлайн AZG

  • Живу на форуме
  • *******
  • Сообщений: 95681
  • Санкт-Петербург
    • AZG CUSTOM
Re: Вопросы по пьезо-бриджу от Graph Tech
« Ответ #5 : Января 31, 2019, 10:39:04 »
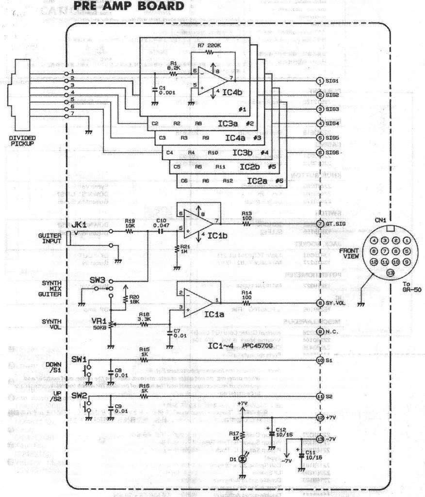
sga, Если готов сам паять, то реально. Там ничего сложного и схему роландовского интерфейса я приложил. Только надо будет еще найти 13 пин разъем и тумблер на 3 положения без фиксации. Тумблер на 3 с фиксацией покупается без проблем.

С пьезой эта схема тоже работает как надо.

Оффлайн sga Автор темы

  • Частый посетитель
  • **
  • Сообщений: 165
  • GuitarPlayer.Ru fan!
Re: Вопросы по пьезо-бриджу от Graph Tech
« Ответ #6 : Января 31, 2019, 12:12:26 »
Спасибо! С этой схемой всё в моих руках. Надо только приобрести конвертер (попроще Axon AX 100) и кабель, а остальное сам сделаю.
А почему переключатель без фиксации? Насколько я понял по схеме, в одном крайнем положении глушится обычный звукосниматель (мне он для миди-гитары вообще не нужен), в другом положении глушится задатчик миди-громкости. Помойму тут надо именно с фиксацией.
И я думаю что тут вообще можно обойтись без операционников. Судя по схеме они служат лишь для разгрузки пьезиков (чтобы не сажались низкие частоты), и снижают амплитуду аж в 8200/220 = 37 раз. Это всё можно сделать простым резисторным делителем (последовательно с пьезиком 300 кОм, затем на + и - по 20 кОм). Правда сигнал будет недостаточно низкоимпедансным и на него будут липнуть помехи. Для регулятора миди-громкости - операционник тоже не нужен - VR1 поставить не 50к, а где-то 5к.
   


Оффлайн AZG

  • Живу на форуме
  • *******
  • Сообщений: 95681
  • Санкт-Петербург
    • AZG CUSTOM
Re: Вопросы по пьезо-бриджу от Graph Tech
« Ответ #7 : Января 31, 2019, 12:15:51 »
Не надо делитель. Тут еще работа на длинную линию - кабель не забывай. Недежность и стабильность работы.

Там ДВА переключателя! С фиксацией на переключение миди-микс-магнитные и второй на UP-DOWN, его надо без фиксации.

Оффлайн sga Автор темы

  • Частый посетитель
  • **
  • Сообщений: 165
  • GuitarPlayer.Ru fan!
Re: Вопросы по пьезо-бриджу от Graph Tech
« Ответ #8 : Января 31, 2019, 12:18:44 »
Понял. Спасибо!

... и добавил:

SW1 и SW2 - это кнопки. А чем они управляют.
« Последнее редактирование: Января 31, 2019, 12:21:55 от sga »

Оффлайн AZG

  • Живу на форуме
  • *******
  • Сообщений: 95681
  • Санкт-Петербург
    • AZG CUSTOM
Re: Вопросы по пьезо-бриджу от Graph Tech
« Ответ #9 : Января 31, 2019, 12:30:05 »
SW1 и SW2 - это кнопки. А чем они управляют.

Удобнее таким тумблером, как у хекспандера. Они переключают пресет вверх пресет вниз. Удобно прямо на гитаре.

Вообще ради только МИДИ можно оба тумблера не ставить.