Попался мне в руки один из пятисот выпущенных в далёких 80-х Marshall Studio 15.



Для справки:
- Известный не только под индексом 4001, но также и под названием "Studio 15", этот Marshall примечателен целым перечнем нововведений. Так, например, это был:
- первый и единственный Marshall с лампами 6V6 в усилителе мощности;
- первый Marshall с динамиком Celestion Vintage 30;
- первый и единственный Marshall со встроенным аттенюатором,

- первым известным мне ламповым усилителем с выходом для наушников, который также позволял подключать к нему динамик,
и тогда при игре на полной громкости комбо при низком уровне громкости выдавал полноценный ламповый перегруз.
Как и предполагает название, "Studio 15" создавался, главным образом, для студийного применения; он также имеет XLR-выход специально для этих целей.
"Studio 15" был представлен в 1986 году и снят с производства в 1992-м. Хотя на той модели, что у меня стоит дата 29.08.85

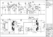
В общем внутри всё ещё красиво, как делали в те годы. Выпуск этой модели попал в тот период, когда Marshall ещё не делали из "мусора",
это видно по установленным резисторам Piher.



К концу периода его изготовления, там уже не всё так красиво.
Примечательно то, что межкаскадные конденсаторы в преде керамические.

В общем моя задача, переделать подключение с американских 120в на наши 220в, установить анодный предохранитель, заменить все электролиты и после прослушивания, возможно заменить керамические конденсаторы в преде на "винтажную плёнку".