Автор Тема: Новое кино с Tubedepot  (Прочитано 13886 раз)

0 Пользователей и 1 Гость просматривают эту тему.

Оффлайн JBB

  • Эксперт
  • *****
  • Сообщений: 1302
  • Device Maker
    • DIY Marshall
Re: Новое кино с Tubedepot
« Ответ #60 : Января 05, 2012, 22:37:53 »
runing, так может тогда всё же лучше будет взять NOS MULLARD-MUSTARD-CAPACITORS?
По цене из-за доставки, получается тоже самое, что и Созо винтаж.

Дык я и не возражаю, но если бы я был не прав, меня бы уже 750 человек поправили бы ;)
 

Дык.. К тебе, лично, вообще, никаких вопросов))
« Последнее редактирование: Января 05, 2012, 22:39:47 от JBB »

Оффлайн runing Автор темы

  • Живу на форуме
  • *******
  • Сообщений: 12572
  • Киев
Re: Новое кино с Tubedepot
« Ответ #61 : Января 05, 2012, 22:51:27 »
runing, так может тогда всё же лучше будет взять NOS MULLARD-MUSTARD-CAPACITORS?
По цене из-за доставки, получается тоже самое, что и Созо винтаж.

А почём я знаю какого уровня изготовления аппарат ты себе наметил?   ???
Можешь взять, если всё остальное будет так же соответствовать.
И вообще создавай отдельную тему.

Цитировать
Дык.. К тебе, лично, вообще, никаких вопросов))

Тогда чего это я тут всё время пишу?  :)

Оффлайн JBB

  • Эксперт
  • *****
  • Сообщений: 1302
  • Device Maker
    • DIY Marshall
Re: Новое кино с Tubedepot
« Ответ #62 : Января 05, 2012, 23:05:04 »
И вообще создавай отдельную тему.
 

Мне кажется, на этом этапе, данная тема "Новое кино с Tubedepot", как нельзя к стати подходит, для обсуждения подобных вещей))

Оффлайн el-doctor

  • Ветеран форума
  • ******
  • Сообщений: 3734
Re: Новое кино с Tubedepot
« Ответ #63 : Января 06, 2012, 08:07:43 »
Цитировать
ак может тогда всё же лучше будет взять NOS MULLARD-MUSTARD-CAPACITORS?
По цене из-за доставки, получается тоже самое, что и Созо винтаж.


вот с этим НОС может быть бида и печалька небольшая. Например я перед выбором конденсаторов в фендер чамп долго изучал тему и тоже сначала собирался брать Астроны на ебее. Однако почитав импортные форумы осознал что кто их купил сейчас уже поплатилса так как утечка слишком велика, даже у непаянных. Много лет детали не всегда есть залог ее чудесатости и совершенства. В древних фендеровских аппаратах по той же самый причине начинаются хрипы и народ вынужденно делает рекаппинг, только НОС Астрон использовать сторонятся. Берут например Юпитер Ред Астрон или синий созо.

Оффлайн FEV

  • Опытный
  • ****
  • Сообщений: 721
Re: Новое кино с Tubedepot
« Ответ #64 : Января 06, 2012, 08:40:10 »
Утечка в правильно хранящихся ПЛЕНОЧНЫХ кондерах - это что-то новое:)
Нормально там все будет. Я эти самые мустарды покупал и все было ОК.
Это же не бумажно-масляные негерметичные, которые действительно сосут воду из воздуха и начинают течь(и то, есть методы восстановления).


Оффлайн el-doctor

  • Ветеран форума
  • ******
  • Сообщений: 3734
Re: Новое кино с Tubedepot
« Ответ #65 : Января 06, 2012, 08:59:16 »
ну вот вопрос в правильном хранении разве что. может их на морозе кто хранил или еще чего похуже.

у меня к компонентам 60 летней давности как-то доверия не очень много. Сейчас есть нормальные новоделы, рекомендуемые в эти аппараты, считаю их лучшим выбором.

Оффлайн FEV

  • Опытный
  • ****
  • Сообщений: 721
Re: Новое кино с Tubedepot
« Ответ #66 : Января 06, 2012, 09:01:52 »
Цитировать
Сейчас есть нормальные новоделы, рекомендуемые в эти аппараты, считаю их лучшим выбором.

Если не стоит задача собрать на оригинальной комплектухе или восстановить древний усь;)
Первое,кстати, обходится дороже чем поиски донора и восстановление.

Оффлайн JBB

  • Эксперт
  • *****
  • Сообщений: 1302
  • Device Maker
    • DIY Marshall
Re: Новое кино с Tubedepot
« Ответ #67 : Января 06, 2012, 17:15:24 »
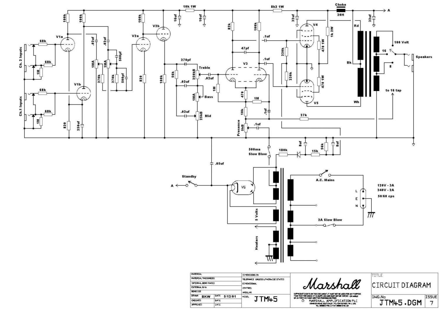
Если не сложно, скиньте, плз, схему JTM 45 в хорошем качестве.

Оффлайн runing Автор темы

  • Живу на форуме
  • *******
  • Сообщений: 12572
  • Киев
Re: Новое кино с Tubedepot
« Ответ #68 : Января 06, 2012, 17:21:15 »
560426-0

560428-1

;)
« Последнее редактирование: Января 06, 2012, 17:26:10 от runing »

Оффлайн JBB

  • Эксперт
  • *****
  • Сообщений: 1302
  • Device Maker
    • DIY Marshall
Re: Новое кино с Tubedepot
« Ответ #69 : Января 06, 2012, 18:08:47 »
runing, большое спасибо!

Это твой аппарат?

Оффлайн runing Автор темы

  • Живу на форуме
  • *******
  • Сообщений: 12572
  • Киев
Re: Новое кино с Tubedepot
« Ответ #70 : Января 06, 2012, 18:23:41 »
JBB, да нет это Limited Edition серия от самого Маршалла, их было выпущено всего 300 штук. Но мне было бы интересно такой собрать.
Именно собрать, а не владеть, потому что мне по душе более поздние модели, начиная с 1968года прошлого века  :)


Оффлайн anton_fazer

  • Завсегдатай
  • ***
  • Сообщений: 474
  • CBR1100XX
Re: Новое кино с Tubedepot
« Ответ #71 : Января 06, 2012, 18:49:54 »
Как обалденно звучит, ммм.....
Правда записавший видео пишет что перепаял кондер фильтрующий, и что то еще с выходной лампой, не пойму.
Vintage Park 45 marshall jtm45 guitar amplifier

runing, а в той схеме что ты кинул какие лампы должны стоять?
« Последнее редактирование: Января 06, 2012, 18:54:38 от anton_fazer »

Оффлайн runing Автор темы

  • Живу на форуме
  • *******
  • Сообщений: 12572
  • Киев
Re: Новое кино с Tubedepot
« Ответ #72 : Января 06, 2012, 19:09:42 »
В клипе усилитель PARK это клон JTM45, который выпускала фабрика Marshall.
Ну а в первых оригиналах стояли 6L6, но поскольку это американская лампа, у маршалла периодически возникали проблемы с поставками в Англию и они перешли на КТ66.

Ранние усилители Джима Маршалла имели выходную мощность 45 ватт и были напрямую содраны с  Fender 4 x 10’ Tweed Bassman В них использовались и американские трансформаторы, выходные лампы 6L6, три лампы предварительного усилителя 12AX7, ламповый выпрямитель. Понятное дело, их звук очень походил на Bassman. Однако, Маршалловские кабинеты были гораздо лучше приспособлены для баса, поскольку он использовал 4ре 12’ динамика в кабинете с закрытой задней стенкой. Ранние усилители JTM45 были построены на шасси из выгнутого вручную алюминия и не имели серийных номеров, первая сотня усилителей (или около того) могли идентифицироваться с помощью маленькой эмалированной таблички с надписью печатными буквами  “Marshall”. Эта маркировка трансформировалась в пластиковую табличку золотого цвета с печатными буквами из плексигласа, и в конечном итоге знакомый пластиковый логотип  белого цвета, хотя ранние версии встречаются, покрытые серебром или золотом.
По мере роста популярности Маршалы постепенно стали приобретать идентичность и выделяться своим звуком. По требованию гитаристов JTM45 начал звучать ярче , поскольку стали применяться наиболее распространенные в Европе усилительные лампы EL34. Большинство из этих усилителей имели один канал, разработанный для баса, а второй –  более яркий по звуку - для гитары. JTM45 раннего выпуска имели замечательное блюзовое звучание, все же напоминавшее твидовые усилители Fender. По мере того как Фендер начал строить более сложные усилители, Маршал продолжил эксплуатировать несовершенный дизайн твидовых Фендеров, появившихся  на арене в 1950х, использующих тем не менее проверенную временем формулу звука, который продолжал оставаться искомым для  многих музыкантов 1960 – 1970х. Этот звук, боготворимый такими музыкантами как Eric Clapton и Jimmy Page, вознес  усилители Маршалл на доминирующие позиции на рынке рок-усилителей, особенно в Европе.
Этот успех имел и оборотную сторону. В 1965 Джим Маршалл предпринял отчаянную попытку построить фабрику достаточного размера, чтобы удовлетворить растущий рыночный спрос. Для этого он подписал соглашение с компанией Rose-Morris, которая согласилась выделить ему необходимые деньги в обмен на экслюзивные права на распространение продукции Маршалл в течение 15 лет. Это обозначало захлопнуть двери перед носом многих музыкальных магазинов, которые помогли компании встать на ноги. Для решения этой проблемы Джим решил выпустить серию усилителей под другим именем – Парк. К концу 1965 году Джим и Джонни Джонс, приятель и ударник в его группе, открыли компанию по производству «этих других Маршалов». Усилители Парк изготавливались на фабрике Маршалла из тех же самых компонентов. Небольшая разница была в дизайне и во внешнем виде. Например, Усилители Парк имели те же 4ре входа и две регулировки громкости каналов, как и Маршалы, но расположение их было другим: входы были разделены ручками регулировки громкости. Джим использовал Парк для экспериментов с теми конструктивами, которые были отбракованы людьми из Rose-Morris. Эти опыты привели к появлению некоторых интересных моделей, специально построенных для клавиш и для яркого звука соло гитар.
Один из моих любимых усилителей – ярко красный Park 50вт 66 года, звук его представляет идеальную смесь звука Маршалла и твидового Фендера. Он реально орет! Парк тихо закрылся  в конце 1970х за пару лет до того как истек срок действия контракта подписанного с Rose-Morris. Если вам попадется усилитель Park. Берите не думая.

Оффлайн anton_fazer

  • Завсегдатай
  • ***
  • Сообщений: 474
  • CBR1100XX
Re: Новое кино с Tubedepot
« Ответ #73 : Января 06, 2012, 19:46:34 »
runing, спасибо огромное за разъяснения. А что у него за прикол на видео с мигающим синим огоньком я так и не понял ???. Но на видео звук просто офигенен, я просто балдею от такого саунда, настолько все клево!

Оффлайн runing Автор темы

  • Живу на форуме
  • *******
  • Сообщений: 12572
  • Киев
Re: Новое кино с Tubedepot
« Ответ #74 : Января 06, 2012, 20:26:08 »
А что у него за прикол на видео с мигающим синим огоньком я так и не понял ???

Этот прикол называется синий светодиод, который находится в аттенюаторе THD Hotplate, через который он играет.

Громкость на усилителе вывернута на максимум, это же "плексиподобная" схема и тут в основном грузится фазик и выходной каскад, а на маленькой громкости этого не достичь.

Замодил я тут слегка свой JCM800, с грелкой звучит точно как это  :crazy:

[ Вложение повреждено или не существует ]

[Вложение удалено администратором в связи с изменением политики хранения файлов на форуме. Приносим свои извинения.]
« Последнее редактирование: Января 07, 2012, 20:04:33 от runing »