Автор Тема: Помогите запилить ревер  (Прочитано 946 раз)

0 Пользователей и 1 Гость просматривают эту тему.

Оффлайн shlema Автор темы

  • Ветеран форума
  • ******
  • Сообщений: 6135
  • skiper
Помогите запилить ревер
« : Июля 31, 2011, 15:36:55 »
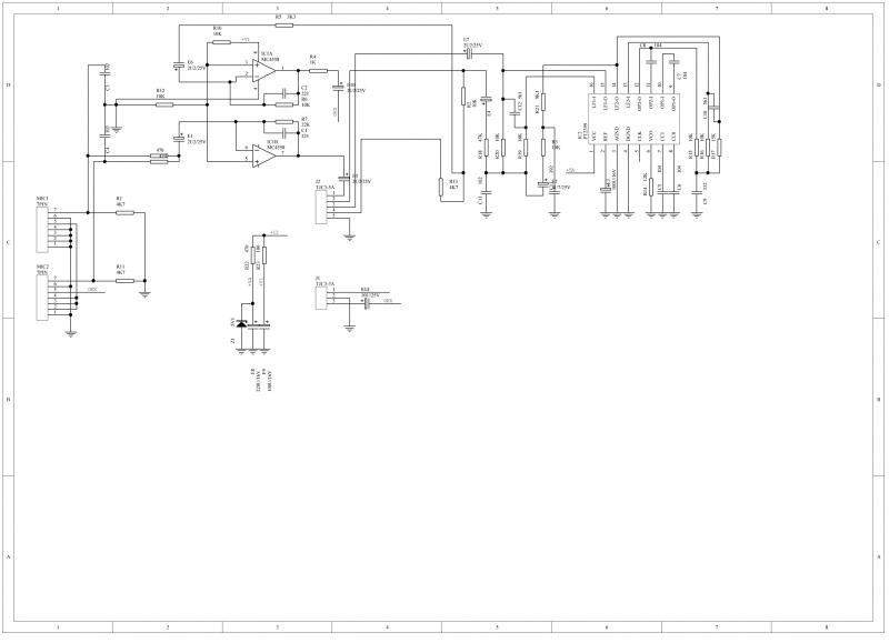
Собственно суть: достался мне модуль ревера на пт2399 из двд плеера, и естественно возникла  идея перепилить его в дисторшн воткнуть туда гитару. Мне нужен именно ревер, то есть задачи сделать из него  ребот -  нет, по возможности нужно использовать конструктив данной печатки может в комбо его поставлю.
Честно говоря я плохо понимаю в схемотехнике реверов на ПТ, поэтому если кто то обладает такими познаниями чтобы дать парочку советов (например доктор, но он только завтра приедет) буду признателен.
« Последнее редактирование: Июля 31, 2011, 15:52:41 от shlema »

Оффлайн Olega Sun

  • Частый посетитель
  • **
  • Сообщений: 212
Re: Помогите запилить ревер
« Ответ #1 : Июля 31, 2011, 17:04:52 »
Втыкал гитару в такой караоке-модуль, вообще ерунда получилась, повторы быстрые и короткие, низов вообще нет, звук жрёт из-за отсутсвия буфера, короче выпаял эту ПТэшку и сделал ребот, в итоге доволен более чем :)

Оффлайн shlema Автор темы

  • Ветеран форума
  • ******
  • Сообщений: 6135
  • skiper
Re: Помогите запилить ревер
« Ответ #2 : Июля 31, 2011, 17:45:59 »
ребот я уже сделал

Оффлайн oxigen

  • Эксперт
  • *****
  • Сообщений: 1407
  • Если нельзя, но очень хочется, то можно
Re: Помогите запилить ревер
« Ответ #3 : Августа 01, 2011, 06:48:05 »
shlema, Подобную плату ставил в разрыв головы, вполне сносно. Схемку бы почетче.

Оффлайн shlema Автор темы

  • Ветеран форума
  • ******
  • Сообщений: 6135
  • skiper
Re: Помогите запилить ревер
« Ответ #4 : Августа 01, 2011, 07:14:28 »
oxigen, там надо ее на комп скачать тогда будет четче, разрешение нормальное

Оффлайн oxigen

  • Эксперт
  • *****
  • Сообщений: 1407
  • Если нельзя, но очень хочется, то можно
Re: Помогите запилить ревер
« Ответ #5 : Августа 01, 2011, 08:55:38 »
shlema, На рисунке печатной платы все подписано: 3х штырьковый разъем это +12в, GND, OUT. 5ти штырьковый к регуляторам уровня сигнала и длительности повторов (концы разрисованы на плате переменников). А вот номиналов деталей я так и не разглядел даже скопировав как ты посоветовал. Но я не думаю что ты их будешь менять.

Оффлайн shlema Автор темы

  • Ветеран форума
  • ******
  • Сообщений: 6135
  • skiper
Re: Помогите запилить ревер
« Ответ #6 : Августа 01, 2011, 09:49:12 »
 я как раз думал что там менять

Оффлайн oxigen

  • Эксперт
  • *****
  • Сообщений: 1407
  • Если нельзя, но очень хочется, то можно
Re: Помогите запилить ревер
« Ответ #7 : Августа 01, 2011, 10:49:21 »
shlema, Тогда нужен доктор. С удовольствием посмотрю на рекомендации.