Автор Тема: Схема Cornford Harlequin  (Прочитано 346252 раз)

0 Пользователей и 1 Гость просматривают эту тему.

Оффлайн Алексей Ф

  • Эксперт
  • *****
  • Сообщений: 2268
  • GuitarPlayer.Ru fan!
Re: Схема Cornford Harlequin
« Ответ #1065 : Марта 17, 2013, 13:58:38 »
Возьму по одному каждого, послушаю, сравню.

Оффлайн Crash85

  • Частый посетитель
  • **
  • Сообщений: 218
Re: Схема Cornford Harlequin
« Ответ #1066 : Марта 17, 2013, 16:51:36 »
Возьму по одному каждого, послушаю, сравню.
Алексей, если не секрет сколько и какие проекты реализуете?:)

Оффлайн Demonoid

  • Эксперт
  • *****
  • Сообщений: 1850
  • Simplicity is the ultimate sophistication
Re: Схема Cornford Harlequin
« Ответ #1067 : Марта 17, 2013, 18:20:30 »
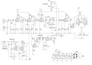
Есть идея)) К схеме карреры добавить тремоло на триоде как на старых VOX АС4 , или Вибро-чамп, или Дамбл :)

 Вот это видео навеяло такую мысль... клево ведь. Играл сегодня в свою реплику  VOX АС4, тремоло прикольная штука.

1979 Dumble Overdrive Deluxe guitar amp

 Сейчас подумаю как всунуть его в схему.

 Кстати заодно посмотрите, правильно ли я его изобразил (тремоло взял от Виброчампа http://www.thevintagesound.com/ffg/schem/champ_vibro_aa764_schem.gif ) к тому ли каскаду присобачил  :) Вроде бы так должно работать, этот каскад наиболее близок схематически к тому, который изображен в оригинале схемы Vibro-Champ
« Последнее редактирование: Марта 17, 2013, 19:15:10 от Demonoid »

Оффлайн Алексей Ф

  • Эксперт
  • *****
  • Сообщений: 2268
  • GuitarPlayer.Ru fan!
Re: Схема Cornford Harlequin
« Ответ #1068 : Марта 18, 2013, 13:15:45 »
Demonoid, мысль интересная! Пробы планируются?

Оффлайн Demonoid

  • Эксперт
  • *****
  • Сообщений: 1850
  • Simplicity is the ultimate sophistication
Re: Схема Cornford Harlequin
« Ответ #1069 : Марта 18, 2013, 14:36:32 »
Demonoid, мысль интересная! Пробы планируются?

 Думаю да, я изначально расчитывал свой вариант карреры без ревербератора, и поэтому ручку управления ревером буду выносить на заднюю стенку как в винтажных воксах АС30 Top Boost ( http://www.jmiamplification.com/images/product/20/506b0c49f224c.jpg ) делали, вот и подумал почему бы сразу туда пару баранок от тремоло не докинуть  :)

Оффлайн Алексей Ф

  • Эксперт
  • *****
  • Сообщений: 2268
  • GuitarPlayer.Ru fan!
Re: Схема Cornford Harlequin
« Ответ #1070 : Марта 18, 2013, 16:56:42 »
Пришел ответ от немцев - посылка моя только 13 марта в РФ поступила! Это с 11 февраля (а заказ оформлял 5-го)! Вот тебе и "плохо работает Почта России"! Дойчепост из тех же ясель похоже.

Оффлайн alkuz

  • Ветеран форума
  • ******
  • Сообщений: 4481
  • Зарегистрированный
    • http://
Re: Схема Cornford Harlequin
« Ответ #1071 : Марта 18, 2013, 17:12:54 »
Алексей Ф, не, у немцев на почте всё четко. Другое дело то, что не всё есть в наличии на складе у самого продавца - доукомплектовывают какое-то время. Мне вот тоже из банзая, после оплаты 25 февраля, посылку выпустили только 14 марта. Кстати сразу прислали трекномер. И через три дня уже статус экспорт

Оффлайн Mepk

  • Эксперт
  • *****
  • Сообщений: 1855
  • Еще один соберу - и всё...
    • Мой блог
Re: Схема Cornford Harlequin
« Ответ #1072 : Марта 18, 2013, 17:18:13 »
Алексей Ф, поступила - это как? Был экспорт из Германии или импорт в Россию?
У нас на таможне посылки могут месяцами валяться не зарегистрированные. Т.е. посылка уже на территории РФ, но о ней еще никто не знает.

Оффлайн Алексей Ф

  • Эксперт
  • *****
  • Сообщений: 2268
  • GuitarPlayer.Ru fan!
Re: Схема Cornford Harlequin
« Ответ #1073 : Марта 18, 2013, 18:08:20 »
Алексей Ф, не, у немцев на почте всё четко. Другое дело то, что не всё есть в наличии на складе у самого продавца - доукомплектовывают какое-то время. Мне вот тоже из банзая, после оплаты 25 февраля, посылку выпустили только 14 марта. Кстати сразу прислали трекномер. И через три дня уже статус экспорт
А вот это реальная засада. Трек выслали 11 февраля аж, подтвердили экспорт, а отправили через месяц? Не думал что такое возможно. Вот тебе и Банзай. С Тубтауном таких эксцессов не было.

Mepk, про нашу почту и думал - в ММПО валяется маленький пакетик, нет никому дела до него.
На будущее для себя решил - в посылку обязательно что-то габаритное добавлять, чтоб не меньше полуметра получалось :)

Оффлайн alkuz

  • Ветеран форума
  • ******
  • Сообщений: 4481
  • Зарегистрированный
    • http://
Re: Схема Cornford Harlequin
« Ответ #1074 : Марта 18, 2013, 20:48:36 »
кстати опять-же из личного опыта - мелкие пакеты быстрее через нашу таможню проскакивают.

Оффлайн Алексей Ф

  • Эксперт
  • *****
  • Сообщений: 2268
  • GuitarPlayer.Ru fan!
Re: Схема Cornford Harlequin
« Ответ #1075 : Марта 20, 2013, 08:28:29 »
Сегодня наконец появился трек на сайте ПР, пока импорт...
Полтора месяца!  >:(

Оффлайн Mepk

  • Эксперт
  • *****
  • Сообщений: 1855
  • Еще один соберу - и всё...
    • Мой блог
Re: Схема Cornford Harlequin
« Ответ #1076 : Марта 20, 2013, 09:20:49 »
Алексей Ф, это нормально. У меня трансики для Deacy тоже через полтора месяца после экспорта появились. А из США микрофоны уже два месяца идут :(

Оффлайн Алексей Ф

  • Эксперт
  • *****
  • Сообщений: 2268
  • GuitarPlayer.Ru fan!
Re: Схема Cornford Harlequin
« Ответ #1077 : Марта 20, 2013, 10:46:03 »
Ничего себе, нормально! Слов нет...

Shrila, как дела с модернизацией Карреры?

Оффлайн Shrila

  • Опытный
  • ****
  • Сообщений: 602
  • हरे कृष्ण
Re: Схема Cornford Harlequin
« Ответ #1078 : Марта 20, 2013, 10:53:39 »
Алексей Ф,  вчера примерял новый переключатель 8PIN/9PIN. На днях распаяю его.

Оффлайн Demonoid

  • Эксперт
  • *****
  • Сообщений: 1850
  • Simplicity is the ultimate sophistication
Re: Схема Cornford Harlequin
« Ответ #1079 : Марта 20, 2013, 11:00:41 »
Алексей Ф,  вчера примерял новый переключатель 8PIN/9PIN. На днях распаяю его.

 Сдвоенный?