Автор Тема: неспешно делаю 5150-II, владельцы оригинала (need help)  (Прочитано 19838 раз)

0 Пользователей и 1 Гость просматривают эту тему.

Оффлайн tiretrak

  • Эксперт
  • *****
  • Сообщений: 1368
накал поднаят по постоянке на 24в. только не от анодки
это уменьшает шум?
а что эффективнее? подъем или выпрямление/стабилизация накала?

Оффлайн el-doctor

  • Ветеран форума
  • ******
  • Сообщений: 3734
одинаково эффективно

Оффлайн 4el

  • Эксперт
  • *****
  • Сообщений: 2731
  • БАНя полезна для здоровья (с) ЗОЖ
поднятие накала требует меньше места и деталей.

Оффлайн Billy_Rock

  • Опытный
  • ****
  • Сообщений: 651
А можно поподробнее про подъем? Впервые слышу вообще. Что это и для чего, и, самое главное, как это работает?

Оффлайн Spero_In_Inteligo

  • Живу на форуме
  • *******
  • Сообщений: 8950
  • Код пишу, на досуге на проволоку нажимаю.
А можно поподробнее про подъем? Впервые слышу вообще. Что это и для чего, и, самое главное, как это работает?



Между катодом и накалом образуется диод, поднятием накала по постоянке диод закрывается. Как-то так...

Оффлайн Billy_Rock

  • Опытный
  • ****
  • Сообщений: 651
не понимаю. Можно для тупых? диод - это в смысле триод работает как диод? Только не понимаю все равно что это дает.

Оффлайн Spero_In_Inteligo

  • Живу на форуме
  • *******
  • Сообщений: 8950
  • Код пишу, на досуге на проволоку нажимаю.
не понимаю. Можно для тупых? диод - это в смысле триод работает как диод? Только не понимаю все равно что это дает.

Я тоже не спец. :)

Между накалом и катодом образуется диод, т.е. электроны с накала могут переходить на катод, привнося в звук фон. Запирая поднятием накала этот диод избавляемся от фона.

Если в схеме есть КП, желательно поднимать среднюю точку накала до 60в, если нет, то достаточно 30в.
Где-то может не точно объяснил, ссори.

Оффлайн Billy_Rock

  • Опытный
  • ****
  • Сообщений: 651
Spero_In_Inteligo, все равно не понимаю, как между накалом и катодом образуется диод, если кормить накал переменкой плюс да по 100 ом об землю.

Оффлайн Child In Time

  • Завсегдатай
  • ***
  • Сообщений: 466
Billy_Rock, накал в электронной лампе есть благодаря свитой проволоке, через которую проходит немалый ток. Проволока разогревается докрасна, как следствие - получаем явление термоэлектронной эмиссии (испускание электронов нагретым телом). Так как потенциал катода выше потенциала нити накала, то электроны с этой самой нити летят к катоду. Если правильно помню, такое явление называется паразитной или вторичной эмиссией. Если же поднять потенциал накала над катодом, электроны не полетят на катод.
Чтобы понять, "как между накалом и катодом образуется диод", надо знать принцип работы вакуумного диода. Суть в том, что в радиолампе электроны испускает не только катод, нагретый нитью накала, но и сама нить.

Оффлайн Spero_In_Inteligo

  • Живу на форуме
  • *******
  • Сообщений: 8950
  • Код пишу, на досуге на проволоку нажимаю.
Billy_Rock, накал в электронной лампе есть благодаря свитой проволоке, через которую проходит немалый ток. Проволока разогревается докрасна, как следствие - получаем явление термоэлектронной эмиссии (испускание электронов нагретым телом). Так как потенциал катода выше потенциала нити накала, то электроны с этой самой нити летят к катоду. Если правильно помню, такое явление называется паразитной или вторичной эмиссией. Если же поднять потенциал накала над катодом, электроны не полетят на катод.
Чтобы понять, "как между накалом и катодом образуется диод", надо знать принцип работы вакуумного диода. Суть в том, что в радиолампе электроны испускает не только катод, нагретый нитью накала, но и сама нить.

+1. Очень подробно. :)

Оффлайн Billy_Rock

  • Опытный
  • ****
  • Сообщений: 651
Billy_Rock, накал в электронной лампе есть благодаря свитой проволоке, через которую проходит немалый ток. Проволока разогревается докрасна, как следствие - получаем явление термоэлектронной эмиссии (испускание электронов нагретым телом). Так как потенциал катода выше потенциала нити накала, то электроны с этой самой нити летят к катоду. Если правильно помню, такое явление называется паразитной или вторичной эмиссией. Если же поднять потенциал накала над катодом, электроны не полетят на катод.
Чтобы понять, "как между накалом и катодом образуется диод", надо знать принцип работы вакуумного диода. Суть в том, что в радиолампе электроны испускает не только катод, нагретый нитью накала, но и сама нить.
Большое спасибо. Очень подробно и понятно объяснил.

Оффлайн tiretrak

  • Эксперт
  • *****
  • Сообщений: 1368
сравнил схемы оконечников в head и combo .
разница почти никакая.получается что если в head просто вытащить две лампы(и окружающие эти лампы детали) и поставить выходной транс под 60 ватт то получаем оконечник на 60 ватт вместо 120. верно мыслю?

Оффлайн AZG

  • Живу на форуме
  • *******
  • Сообщений: 95668
  • Санкт-Петербург
    • AZG CUSTOM
по сути да. Можно и оставить выходник на 120 ватт, но соотвественно переключить вторички.

Оффлайн tiretrak

  • Эксперт
  • *****
  • Сообщений: 1368
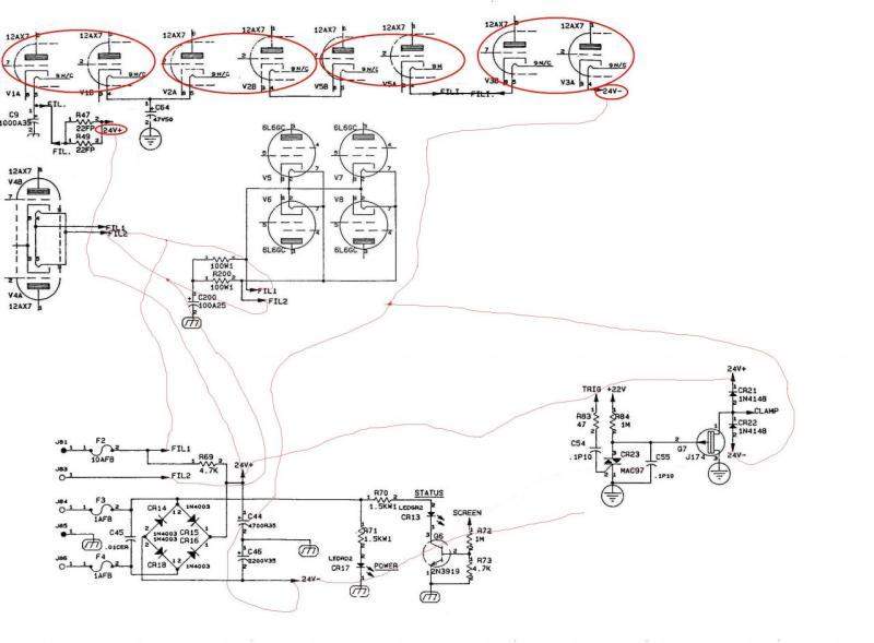
по накалу вот что :
лампы оконечника запитаны от 6.3 вольта переменки(переменка с поднятием)
V4 фазоинвертор тоже от переменки 6.3 вольта
V1,V2,V3,V5 лампы преампа , накал постоянный +24 и -24 вольта .подключены  последовательно. вот ту я не понял . 24 на 4 по 6 вольт накала на каждую получается?
« Последнее редактирование: Июля 05, 2011, 12:52:18 от tiretrak »

Оффлайн Dying Fetus

  • Moderator
  • *****
  • Сообщений: 10314
  • DIYng Fetus
    • http://cathar.ru
tiretrak,
(+24 - (-24) )/4 по скольку получается?  ;)