Автор Тема: неспешно делаю 5150-II, владельцы оригинала (need help)  (Прочитано 19835 раз)

0 Пользователей и 1 Гость просматривают эту тему.

Оффлайн tiretrak

  • Эксперт
  • *****
  • Сообщений: 1368
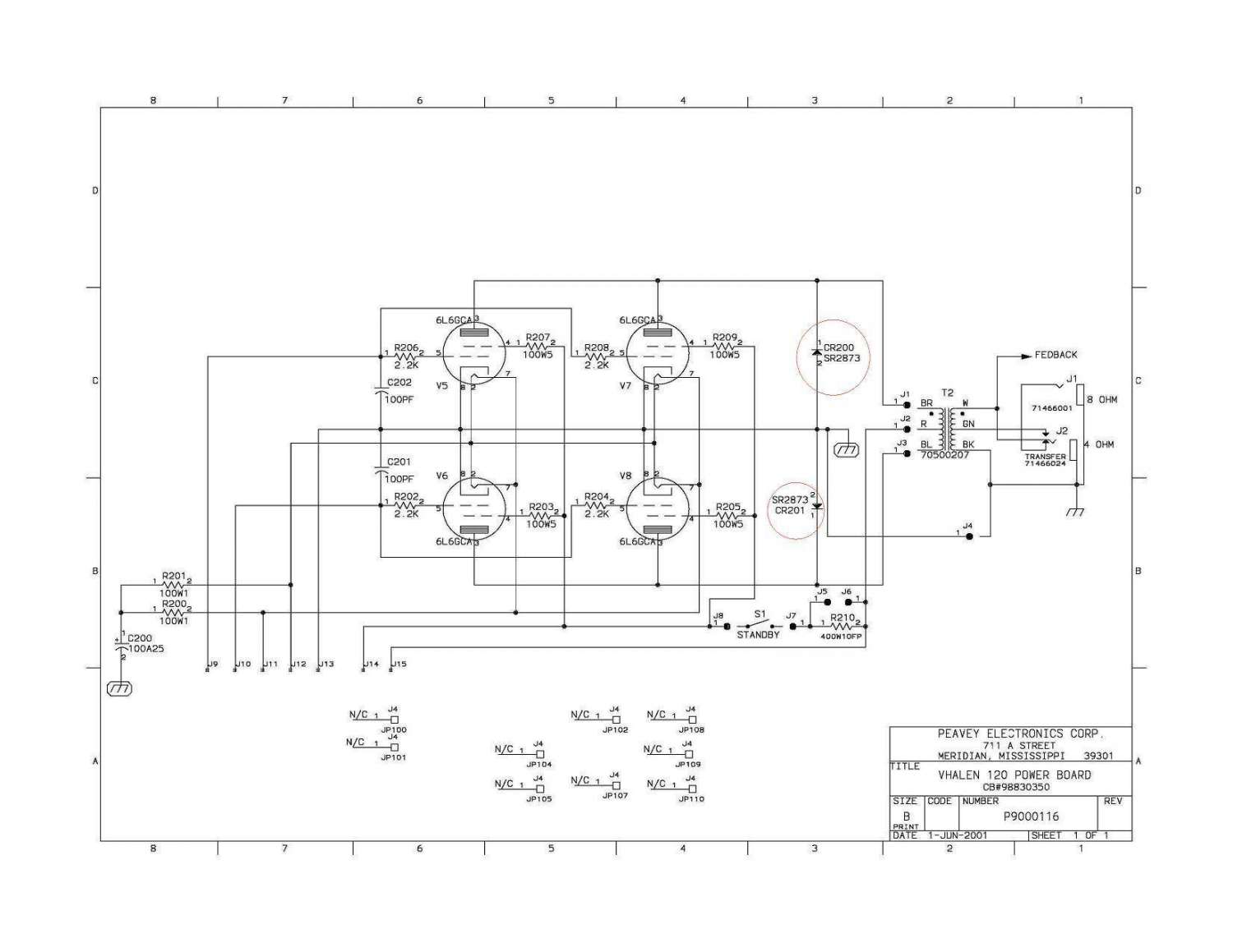
в оконечнике есть два диода : SR-2873 2KV,250MA SIL DIO(30402873 - DIODE SR2873/MR2502/GP1250+)
чем бы его заменить ?

Оффлайн Мяталист

  • Ветеран форума
  • ******
  • Сообщений: 5743
  • Будь как все. Собирай JCM 800 и SLO 100
Ты имеешь в виду стабилитроны с анодных выводов первички на землю? Да, хитрые они, нигде не встречал. А полезные.
Можно их составить из двух трех на меньшее напряжение но это уже гармыдр, да и как его это напряжение рассчитывать, шут его знает.

Оффлайн FEV

  • Опытный
  • ****
  • Сообщений: 721
Это не стабилитроны, а обычные обратновключенные диоды на 2кВ. Типовое решение по защите первички.
Если не найти высоковольтных - три штуки 1н4007 последовательно:)

Оффлайн Мяталист

  • Ветеран форума
  • ******
  • Сообщений: 5743
  • Будь как все. Собирай JCM 800 и SLO 100
Это не стабилитроны, а обычные обратновключенные диоды на 2кВ. Типовое решение по защите первички.
Если не найти высоковольтных - три штуки 1н4007 последовательно:)

А почему на 2КВ? На сколько я знаю они должны защищать трансформатор от отсутствия нагрузки на выходе.

Оффлайн FEV

  • Опытный
  • ****
  • Сообщений: 721
Ну потому что конкретно эти диоды - на 2кВ :) В других ампах иногда ставят 3шт 1н4007, получается 3кВ.
Импульсы на первичке могут быть достаточно высоковольтными, поэтому и диоды на такое напряжение.

Оффлайн Мяталист

  • Ветеран форума
  • ******
  • Сообщений: 5743
  • Будь как все. Собирай JCM 800 и SLO 100
Ну потому что конкретно эти диоды - на 2кВ :) В других ампах иногда ставят 3шт 1н4007, получается 3кВ.
Импульсы на первичке могут быть достаточно высоковольтными, поэтому и диоды на такое напряжение.

Так а почему бы их не ограничить 1кв?

Оффлайн FEV

  • Опытный
  • ****
  • Сообщений: 721
Потому что диоды пробить может.
А они должны просто спускать через себя импульсы  обратной полярности, а не пробиваться.

Оффлайн tiretrak

  • Эксперт
  • *****
  • Сообщений: 1368
Ты имеешь в виду стабилитроны с анодных выводов первички на землю? Да, хитрые они, нигде не встречал. А полезные.
Можно их составить из двух трех на меньшее напряжение но это уже гармыдр, да и как его это напряжение рассчитывать, шут его знает.

... и добавил:

Это не стабилитроны, а обычные обратновключенные диоды на 2кВ. Типовое решение по защите первички.
Если не найти высоковольтных - три штуки 1н4007 последовательно:)
то есть два заменить на 6 1n4007 ?
а прямых аналогов не знаешь?
« Последнее редактирование: Ноября 16, 2011, 09:44:13 от tiretrak »

Оффлайн Makaroff

  • Живу на форуме
  • *******
  • Сообщений: 10487
  • DIY - my life
Ну да, это диоды. Ищи любые диоды на 2кВ обратного.

Оффлайн FEV

  • Опытный
  • ****
  • Сообщений: 721
tiretrak, навскидку я не помню, но по параметрам - это ультрафаст(если не путаю), 250мА 2кВ обратного.

Подойдут любые диоды от 2кв и выше по обратному напряжению,ультрафаст или нет - имхо неважно.

Оффлайн Makaroff

  • Живу на форуме
  • *******
  • Сообщений: 10487
  • DIY - my life
но если их там не будет, то ничего страшного не случится, тоже ИМХО

Оффлайн tiretrak

  • Эксперт
  • *****
  • Сообщений: 1368
наконец то приехало оригинальное шасси и панель.самый страшный момент - проверка на совместимость отверстий платы и дырок шасси под потцы....  все подошло как влитое .  удивительно как все сошлось)). прикрутил трансформаторы . теперь осталось быстренько дозаказать мелкую плату и плату оконечника и  все собрать

Оффлайн Мяталист

  • Ветеран форума
  • ******
  • Сообщений: 5743
  • Будь как все. Собирай JCM 800 и SLO 100
показуй

Оффлайн tiretrak

  • Эксперт
  • *****
  • Сообщений: 1368
« Последнее редактирование: Ноября 16, 2011, 16:47:40 от tiretrak »

Оффлайн Мяталист

  • Ветеран форума
  • ******
  • Сообщений: 5743
  • Будь как все. Собирай JCM 800 и SLO 100
Смотрю на все это и думаю, стоит ли овчинка...?

... и добавил:

Трансы оригинальные чтоль? Заваренные намертво.
« Последнее редактирование: Ноября 16, 2011, 16:53:40 от Мяталист »