Автор Тема: А это можно как усилитель для гитары использовать? Или всё же на помойку?  (Прочитано 2780 раз)

0 Пользователей и 1 Гость просматривают эту тему.

Оффлайн Dreamer7575 Автор темы

  • Эксперт
  • *****
  • Сообщений: 1546
Вот в гараже у мужика лежит, можно забрать или не нужно ? Играть есть через что, просто для разнообразия поковыряться может чё получится  :pozor: Она рабочая и я знаю что вроде ламповая-короче высказываемся.Какие там доработки нужны?
Фотки с телефона только  :7: ,но кто в курсе знают

Оффлайн Yauhen_M_Zdankewich

  • Завсегдатай
  • ***
  • Сообщений: 354
можно, почему нет ? Там, если не ошибаюсь, даже разъем с обратной стороны есть спецательный.  Если нет - не проблема найти куда воткнуться на плате прямо. Динамик там, правда, не гитарный совсем, но играть будет :)

Оффлайн olimpic white

  • Эксперт
  • *****
  • Сообщений: 1789
  • Всеобщий дикарь-любимец
Dreamer7575, будет очень винтажно

Оффлайн Dreamer7575 Автор темы

  • Эксперт
  • *****
  • Сообщений: 1546
оно и так винтажно ВЫГЛЯДИТ а звучать то оно винтажно будет или зудосрачно?  :crazy:

Оффлайн hunted

  • Ветеран форума
  • ******
  • Сообщений: 4227
Dreamer7575,
Гитарный динамик к аппарату спасет ситуацию.

Оффлайн olimpic white

  • Эксперт
  • *****
  • Сообщений: 1789
  • Всеобщий дикарь-любимец
Dreamer7575,
Гитарный динамик к аппарату спасет ситуацию.
это бред :crazy: гитарный динамик нынце не в моде, видел блюзеров в инете, про которых статья какая то была, мол они вот на такой же байде играют 8)

Оффлайн bender11

  • Завсегдатай
  • ***
  • Сообщений: 476
играл очень давно в подобную штуку "беларусь", сувал митолзон в нее, вроде было неплохо  :crazy: :pozor:

Оффлайн NektoS

  • Эксперт
  • *****
  • Сообщений: 1619
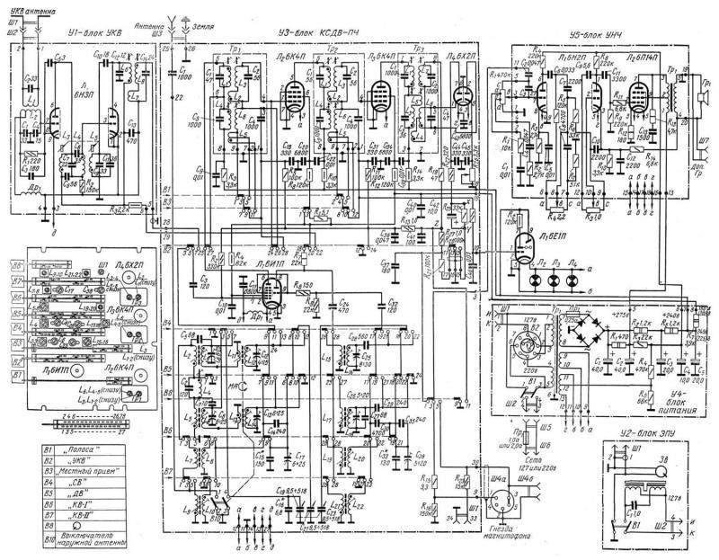
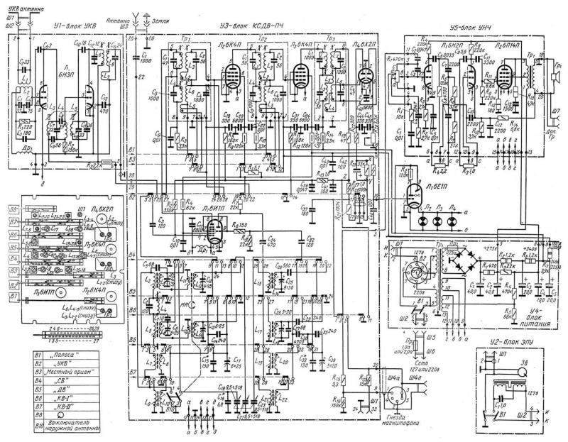
Dreamer7575, Брать и играть :) Там однотакт на 6Н2П и 6П14П. Включаться в гнездо "Магнитофон".

... и добавил:

Вот схема. Но для гитары лучше  переделать темброблок и убрать тонкомпенсированный регулятор громкости на входе., а установить рег. или после 1-го каскада, или после второго. Про динамик уже писАли.
« Последнее редактирование: Июля 04, 2010, 00:27:09 от NektoS »

Оффлайн shlema

  • Ветеран форума
  • ******
  • Сообщений: 6135
  • skiper
NektoS, о_О походу классная вещь, відрать оттуда усил и радоваться

Оффлайн FEV

  • Опытный
  • ****
  • Сообщений: 721
Не надо выдирать! Играть так. Не портите вещь.

Оффлайн shlema

  • Ветеран форума
  • ******
  • Сообщений: 6135
  • skiper
FEV,  хмм надо уточнить ценность конкретно этой радиолы может не имеет смысла ее оставлять целой?

Оффлайн FEV

  • Опытный
  • ****
  • Сообщений: 721
Ценность конкретно этой радиолы пока небольшая. Но - если сейчас она не ценится, не значит что потом не будет... их же меньше становится. Да и просто - зачем ломать-то? Если делать качественнее, то нужно с нуля, детали доступны сейчас. А из радиолы - радиола и получится. Поэтому смысл выдирать УНЧ?

Оффлайн NektoS

  • Эксперт
  • *****
  • Сообщений: 1619
Ценность конкретно этой радиолы пока небольшая. Но - если сейчас она не ценится, не значит что потом не будет... их же меньше становится.
Главное, не говорить это владельцу, а то зажмёт :)

Оффлайн Dreamer7575 Автор темы

  • Эксперт
  • *****
  • Сообщений: 1546
Ну ладно уговорили,заберу её на днях
NektoS, только заблокируй личку от меня а то замучаю расспросами чего куда втыкать  :D :D :D

Оффлайн NektoS

  • Эксперт
  • *****
  • Сообщений: 1619
Dreamer7575, Не обязательно в личку. :) Народ отзывчивый, будут подсказывать ;)