Автор Тема: А помогите починить Marshall MG 15 DFX  (Прочитано 6055 раз)

0 Пользователей и 1 Гость просматривают эту тему.

Оффлайн kinoman

  • Живу на форуме
  • *******
  • Сообщений: 19803
  • Тут каг бе подпись.
Re: А помогите починить Marshall MG 15 DFX
« Ответ #15 : Сентября 12, 2010, 14:00:25 »
dsp процессоры это тебе не ОУ, чтобы в любом радиомагазине купить его за небольшие деньги, впаятьвсавить в панельку и чтобы сразу все заработало.

... и добавил:

купить можно все что угодно, только вот будет ли это стоить того.

Оффлайн shlema

  • Ветеран форума
  • ******
  • Сообщений: 6135
  • skiper
Re: А помогите починить Marshall MG 15 DFX
« Ответ #16 : Сентября 12, 2010, 21:12:55 »
точняк, +
« Последнее редактирование: Сентября 12, 2010, 21:16:24 от shlema »

Оффлайн Влад Теремшонок

  • Завсегдатай
  • ***
  • Сообщений: 430
Re: А помогите починить Marshall MG 15 DFX
« Ответ #17 : Января 12, 2014, 16:11:19 »
Всем доброго времени суток! Прошу помощи! Появилась проблема с комбиком Marshall MG15CD - при включении/выключении слышен довольно громкий щелчок, и в процессе использования слышен треск (шуршание, шорохи), причем шуршания слышны в основном если крутить ручку громкости или ручку гейна. Думал, что проблема в электролитах, заменил все на новые, ничего не изменилось. Какие могут быть еще варианты? что может быть не так?
« Последнее редактирование: Января 12, 2014, 16:33:09 от Влад Теремшонок »

Оффлайн ra6da

  • Завсегдатай
  • ***
  • Сообщений: 338
Re: А помогите починить Marshall MG 15 DFX
« Ответ #18 : Января 12, 2014, 18:18:29 »
шуршания слышны в основном если крутить ручку громкости или ручку гейна. 
Потенциометры в этих комбиках тот ещё хлам! Ищи замену.

Оффлайн Влад Теремшонок

  • Завсегдатай
  • ***
  • Сообщений: 430
Re: А помогите починить Marshall MG 15 DFX
« Ответ #19 : Января 12, 2014, 19:24:58 »
Поменял потенциометры все ушло ;) Спасибо. Вообще там альфа стоит :hmmm:
Сейчас еще на очереди лежит MG10, друг дал посмотреть - тут все хуже,  молчит вообще - ни шорохов, не фона ничего - тишина. Динамик рабочий, И после выпрямителя напряжение есть, каналы вроде тоже оба работают... по крайней мере при включении "грязного канала" светодиоды рэд и грин горят, когда извлекаешь ноты. Есть какая-нибудь единая методика определения причин молчания усилителя?  :pozor:
« Последнее редактирование: Января 12, 2014, 19:26:43 от Влад Теремшонок »

Оффлайн ra6da

  • Завсегдатай
  • ***
  • Сообщений: 338
Re: А помогите починить Marshall MG 15 DFX
« Ответ #20 : Января 12, 2014, 20:45:55 »
Причина в комбике друга может быть такой же, если поты в обрыве. Первые шаги правильной методы поиска неисправности устройства Вы уже сделали. Это проверка цепей питания. Далее правило простое, проверять с последнего каскада, постепенно двигаясь к входу устройства. Сначала - режимы по постоянному току. Потом подаём сигнал на вход каскада, если есть чем... Но без некоторых элементарных знаний можно только навредить или устройству, или себе...

Оффлайн Влад Теремшонок

  • Завсегдатай
  • ***
  • Сообщений: 430
Re: А помогите починить Marshall MG 15 DFX
« Ответ #21 : Января 12, 2014, 22:02:52 »
А можно чуть по-подробнее про режимы? Что именно замерять нужно? Я догадываюсь, что надо от конца двигаться, и что-то замерять  :pozor: (что-то, что должно быть на выходе), но я так понимаю для этого нужен осциллограф?

Оффлайн ra6da

  • Завсегдатай
  • ***
  • Сообщений: 338
Re: А помогите починить Marshall MG 15 DFX
« Ответ #22 : Января 12, 2014, 22:26:46 »
А можно чуть по-подробнее про режимы? Что именно замерять нужно? Я догадываюсь, что надо от конца двигаться, и что-то замерять  :pozor: (что-то, что должно быть на выходе), но я так понимаю для этого нужен осциллограф?
Режимы по постоянному току, это проще говоря напряжения на электродах, или выводах транзистора, микросхемы, лампы. Они часто указаны на принципиальных схемах устройства. Только мерять надо аккуратно, лампа может не слабо долбонуть высоким напряжением, а транзистор или микросхему можно легко повредить. Приборы весьма желательно, а некоторые просто необходимо иметь. Если речь идёт про комбик друга MG-10, то для начала рекомендую проверить работоспособность выходного каскада , подав сигнал от любого источника, скажем плеера, на вход MP3 input. Если звук в динамике есть, двинемся дальше..
« Последнее редактирование: Января 12, 2014, 22:29:49 от ra6da »

Оффлайн Влад Теремшонок

  • Завсегдатай
  • ***
  • Сообщений: 430
Re: А помогите починить Marshall MG 15 DFX
« Ответ #23 : Января 13, 2014, 01:07:37 »
А, напряжения... Ну да знаю, когда "Чамп" собирал, промерял так :rolleyes: Но здесь я не увидел этих напряжений на схеме, поэтому и не замерял ничего, так как и не знаю что ??? Нет, звука нет ни через один вход, я это тоже сразу проверил...

Оффлайн Dying Fetus

  • Moderator
  • *****
  • Сообщений: 10327
  • DIYng Fetus
    • http://cathar.ru
Re: А помогите починить Marshall MG 15 DFX
« Ответ #24 : Января 13, 2014, 01:14:42 »
Влад Теремшонок, смотри покаскадно.
(нажмите чтобы показать/спрятать)

Оффлайн Влад Теремшонок

  • Завсегдатай
  • ***
  • Сообщений: 430
Re: А помогите починить Marshall MG 15 DFX
« Ответ #25 : Января 13, 2014, 01:18:39 »
Да я понимаю, что нужно покаскадно, просто не знаю что именно смотреть, и как правильно смотреть  :pozor: По идее как я понял надо мереть напряжения, но где именно я понять не могу. Я так понимаю что вся проблема именно в блоке усилителя мощности :hmmm:

Оффлайн ra6da

  • Завсегдатай
  • ***
  • Сообщений: 338
Re: А помогите починить Marshall MG 15 DFX
« Ответ #26 : Января 13, 2014, 08:03:15 »
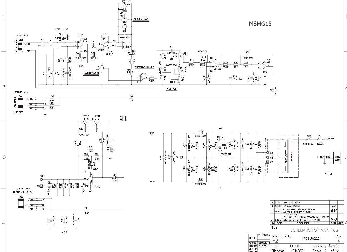
Я так понимаю что вся проблема именно в блоке усилителя мощности :hmmm:
Похоже так и есть. Обрати внимание, на схеме, что привёл Dying Fetus, ноги на микросхеме TDA2030a  пронумерованы не верно. Вход, это первая нога; на землю (по схеме) вторая; выход - 4-я; +15В - 5-я; -15В - 3-я. Сначала просто осмотри плату с микросхемой. Если видимых повреждений нет, проверь исправность входных и выходных цепей, "прозвони" их на выключеном усилителе. Подай питание. Аккуратно  померяй пост. напряжения на 5-й и 3-й ножке. Убедись, что нет пост. напряжения на 4-й. Если есть, проверь исправность диодов D7, D8. Проверь конденсатор С24. Если не помогает, ищи новую микруху.

Оффлайн Влад Теремшонок

  • Завсегдатай
  • ***
  • Сообщений: 430
Re: А помогите починить Marshall MG 15 DFX
« Ответ #27 : Января 14, 2014, 11:29:23 »
Не совсем понял - что значит нет постоянного на 4й? Я так понял, что 4я ножка является средней точкой. Я померил напряжение между 3й и 5й ножками, оно получилось 30,8 Вольт постоянного тока. Померил так же напряжение между 4й и 3й оно равно 15,4 Вольта, между 4й и 5й также 15,4 Вольта :hmmm: На всякий случай проверил диоды, они целы, конденсатор на 10 мкФ тоже... Что-то не так?

Оффлайн ra6da

  • Завсегдатай
  • ***
  • Сообщений: 338
Re: А помогите починить Marshall MG 15 DFX
« Ответ #28 : Января 14, 2014, 12:08:17 »
Все напряжения меряются относительно общего провода, т.е. земли. Между ножек мерять не надо. На 4-й ноге постоянного напряжения не должно быть. Это выход НЧ сигнала на динамик. Похоже что микросхема всё же умерла. Попробуй ещё один эксперимент. Включи усилитель. Ооочень аккуратно, чтобы ничего не коротнуть, коснись отвёрткой или другим тонким, металлическим предметом второй ножки микросхемы, т.е. её входа. В динамике должны быть слышны шорохи и фон. Если полная тишина, то 99% микруха на замену. Перепроверь ещё раз входные и выходные цепи усилителя мощности на предмет обрыва или К.З.

Оффлайн Влад Теремшонок

  • Завсегдатай
  • ***
  • Сообщений: 430
Re: А помогите починить Marshall MG 15 DFX
« Ответ #29 : Января 14, 2014, 13:43:16 »
Понял, спасибо. Вход и выход прозвонил - кз нет. Коснулся второй ножки - тишина. Сейчас на работу поеду заскачу по пути в магазин куплю новую микруху, благо она не дорогая... Вечером попробую перепаять надеюсь поможет :hitrez:

... и добавил:

Хм микросхему поменял, ничего не изменилось... Все та же тишина. Напряжение есть. На 4й ноге, если мерить относительно земли, постоянки нет. Замена С24 так же не помогла. ???
« Последнее редактирование: Января 14, 2014, 19:54:32 от Влад Теремшонок »