Алексей Е,
А по хорошему - надо сварганить аудиопробник, втыкнуть его во 2-й рабочий комбик и потыкать пробниковой стороной в ножки транзистора, подключив источник звука.
... и добавил:
Алексей Е,
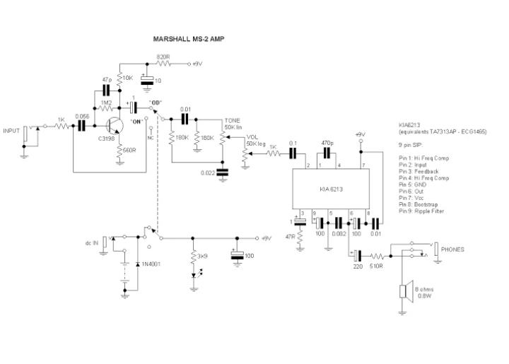
Резисторы Р6 и Р8 выглядят подозрительно, не коротят на корпуса потцев ?
Резюк Р11 на плате питания проверить - похож на предохранитель, может быть подгоревшим, без признаков.
что есть аудиопробник, и как его сварганить? на корпуса потцев не коротит никто.
... и добавил:у меня нет тех, кто готов чинить за пиво. а если пойти традиционным путём, и отдать чинить за деньги, то цена такого ремонта сравнится с покупкой ещё одного такого комбика у китайцев.
по поводу моих познаний в электричестве - они весьма скудны ( так бывает

) какой нибудь страт или леспол я конечно уверенно распаяю, а вот всё, что касается усилителей, транзисторов и ламп - для меня к сожалению это тёмный лес.
время от времени с помощью жителей форума мне всё же удаётся оживлять всякие транзисторные схемы.
... и добавил:... и добавил:Алексей Е,
Резюк Р11 на плате питания проверить - похож на предохранитель, может быть подгоревшим, без признаков.
он показывает 662ома