Автор Тема: AMZ splitter проблемы  (Прочитано 1621 раз)

0 Пользователей и 1 Гость просматривают эту тему.

Оффлайн Proks206 Автор темы

  • Опытный
  • ****
  • Сообщений: 588
  • Бог в помощь
AMZ splitter проблемы
« : Августа 28, 2017, 09:47:18 »
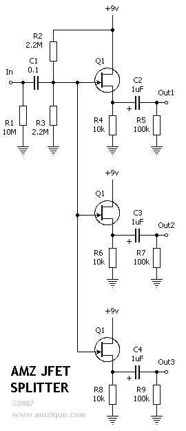
Всем доброго дня! Собрал сплиттер по нижеприведенной схеме, работает отлично, но есть одно но, при уменьшении громкости на гитаре вылезает жуткий фон, он отсутствует только в минимальном и максимальном положении ручки громкости, в чем может быть проблема?

Оффлайн akl

  • Живу на форуме
  • *******
  • Сообщений: 8114
  • не шарю ваще
Re: AMZ splitter проблемы
« Ответ #1 : Августа 28, 2017, 10:01:10 »
уверен что без сплиттера (в высокоомный вход чего-то другого, усилителя например) такого фона нету? потому что похоже на плохой кабель или плохую экранировку гитары

... и добавил:

а сам сплиттер в корпус нормально засунут?
« Последнее редактирование: Августа 28, 2017, 10:04:58 от akl »

Оффлайн Proks206 Автор темы

  • Опытный
  • ****
  • Сообщений: 588
  • Бог в помощь
Re: AMZ splitter проблемы
« Ответ #2 : Августа 28, 2017, 10:15:43 »
Сплиттер естественно в корпусе, корпус заземлен, я же говорю когда ручка громкости на максимуме ничего не фонит, чуть ниже уже фон, при подключении без сплиттера такого эффекта нет

Оффлайн akl

  • Живу на форуме
  • *******
  • Сообщений: 8114
  • не шарю ваще
Re: AMZ splitter проблемы
« Ответ #3 : Августа 28, 2017, 10:36:59 »
а куда сплиттер подключен? может земляная петля ???

Оффлайн Proks206 Автор темы

  • Опытный
  • ****
  • Сообщений: 588
  • Бог в помощь
Re: AMZ splitter проблемы
« Ответ #4 : Августа 28, 2017, 10:53:17 »
Цепь самая простая, гитара-сплиттер-усилитель, у сплиттера все гнезда посажены земляным контактом на корпус, через него земли гнезд собственно и соединяются, с землей схемы соединен только земляной контакт входного гнезда

Оффлайн Ден2

  • Ветеран форума
  • ******
  • Сообщений: 4278
Re: AMZ splitter проблемы
« Ответ #5 : Августа 28, 2017, 11:29:45 »
Гитара случайно не по винтажному лес полу распаяна? Движком пота громкости к гнезду или к датчику?

Оффлайн akl

  • Живу на форуме
  • *******
  • Сообщений: 8114
  • не шарю ваще
Re: AMZ splitter проблемы
« Ответ #6 : Августа 28, 2017, 11:36:12 »
если в усилителе вход нормальный высокоомный, то по идее без сплиттера должен быть тот же эффект если дело в гитаре или проводе.

Оффлайн Proks206 Автор темы

  • Опытный
  • ****
  • Сообщений: 588
  • Бог в помощь
Re: AMZ splitter проблемы
« Ответ #7 : Августа 28, 2017, 12:12:45 »
Лан, сегодня попробую с другими гитарами и другим усилителем, отпишу о результатах. Ден2, движок пота по моему к гнезду, ну там собственно вариантов немного, ручка то единственная на этой гитаре))

Оффлайн akl

  • Живу на форуме
  • *******
  • Сообщений: 8114
  • не шарю ваще
Re: AMZ splitter проблемы
« Ответ #8 : Августа 28, 2017, 12:46:45 »
а какого рода фон кстати? гудит, трещит? или шипит?

Оффлайн Proks206 Автор темы

  • Опытный
  • ****
  • Сообщений: 588
  • Бог в помощь
Re: AMZ splitter проблемы
« Ответ #9 : Августа 28, 2017, 12:47:48 »
гудит

... и добавил:

100 Гц по моему

Оффлайн akl

  • Живу на форуме
  • *******
  • Сообщений: 8114
  • не шарю ваще
Re: AMZ splitter проблемы
« Ответ #10 : Августа 28, 2017, 13:59:29 »
а питание сплиттера откуда? желательно проверить с батарейкой

Оффлайн Proks206 Автор темы

  • Опытный
  • ****
  • Сообщений: 588
  • Бог в помощь
Re: AMZ splitter проблемы
« Ответ #11 : Августа 28, 2017, 14:04:20 »
Проверю, но вообще питание от хорошего стабилизированного блока, с подобными проблем никогда не было

Оффлайн Proks206 Автор темы

  • Опытный
  • ****
  • Сообщений: 588
  • Бог в помощь
Re: AMZ splitter проблемы
« Ответ #12 : Сентября 20, 2017, 15:22:11 »
Забыл отписаться, вобщем проверил сплиттер с разными гитарами и усилителями, проблема присутствует! На страте это уже даже не фон а прямо треск, на других гитарах фон поболее 100 Гц наверное, а вот с лес полом фона практически ноль! Он единственный со сплиттером дружит нормально, но это не дело, нужно как т очто бы дружил с любыми гитарами, в чем еще может быть загвоздка? Да, кстати, J201 поставил заказанные с Али, попробую их сменить

Оффлайн Максим Смелый

  • Опытный
  • ****
  • Сообщений: 562
  • Inmalum
Re: AMZ splitter проблемы
« Ответ #13 : Сентября 20, 2017, 22:10:37 »
а та гитара что не фонит, интересно, она распаяна по другому или как? уровень экранировки такой же? может бред но может там не 500к а 250к поты. на вход тоже может влиять. а обычно 100гц зачастую лезет по питанию.