Форум гитаристов
У нас самая большая гитарная тусовка
Добро пожаловать,
Гость
. Пожалуйста,
войдите
или
зарегистрируйтесь
.
Не получили
письмо с кодом активации
?
1 час
1 день
1 неделя
1 месяц
Навсегда
В теме
В разделе
По форуму
Яндекс
Начало
Помощь
Поиск
Media
Пользователи
Общий список
Поиск пользователей
Вход
Регистрация
|
Размещение рекламы
Правила форума
Форум гитаристов
»
Оборудование
»
equipment.craft
(Модератор:
Dying Fetus
) »
Тема:
Байпасс ТБ, помогите советом.
« предыдущая тема
следующая тема »
Печать
Страницы: [
1
]
Вниз
Автор
Тема: Байпасс ТБ, помогите советом. (Прочитано 623 раз)
0 Пользователей и 1 Гость просматривают эту тему.
Makaroff
Живу на форуме
Сообщений: 10487
DIY - my life
Байпасс ТБ, помогите советом.
«
:
Апреля 18, 2011, 15:01:13 »
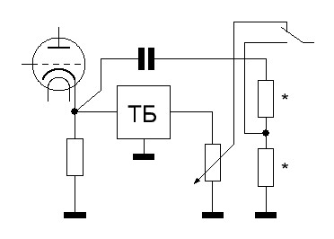
В общем нужно сделать байпасс ТБ, все просто. Идет КП, после него сразу (без разделительного конденсатора) ТБ, затем громкость. Так вот мне нужно что бы при переключении байпаса не было щелчка.
Подскажите как сделать, а то щелкает очень сильно.
Записан
EaNot
Завсегдатай
Сообщений: 485
Ragtime Amplification
Re: Байпасс ТБ, помогите советом.
«
Ответ #1 :
Апреля 18, 2011, 15:42:35 »
Поставь м-ду потами Требл и Басс вместо перемычки рез-р 10-20М. Когда он закорочен - работает ТБ. Когда нет - ТБ уже практически перестанет снижать сигнал. Будет конечно слабое остаточное влияние на частотку, но им ИМХО можно пренебречь. В идеале - нужно разрывать и перемычку на поте Басс, которая превращает его в реостат. Ну тут в помощь тебе - тумблер или реле на 2 группы. Чтобы не щелкало - тоже коммутируй в этом месте высокоомный рез-р. Есть второй вар-т: отрывай от земли весь ТБ. Под потом Мидл - тоже высокоомный рез-р, его шунтируй ключом.
«
Последнее редактирование: Апреля 18, 2011, 15:58:34 от EaNot
»
Записан
The highest expression of engineering is indistinguishable from art. M.Jones.
I realize not every amp I make will satisfy everyone, however, one of the key elements in business is tact and professionalism. A.Fuchs.
Работать за копейки из-за интересности задачи могут только фанаты ремесла. А.Грамм.
Makaroff
Живу на форуме
Сообщений: 10487
DIY - my life
Re: Байпасс ТБ, помогите советом.
«
Ответ #2 :
Апреля 18, 2011, 15:53:20 »
ок, сенк Рома!
Записан
aquarel
Завсегдатай
Сообщений: 304
Re: Байпасс ТБ, помогите советом.
«
Ответ #3 :
Апреля 18, 2011, 16:24:04 »
А так сильно наворочено?
Записан
Печать
Страницы: [
1
]
Вверх
« предыдущая тема
следующая тема »
Форум гитаристов
»
Оборудование
»
equipment.craft
(Модератор:
Dying Fetus
) »
Тема:
Байпасс ТБ, помогите советом.