Благодаря одному другу я стал обладателем большого кол-ва интересных ламп. Среди которых несколько штук замечательных 6Н9С и 6П3С. Возникло желание сделать небольшую голову, для занятий дома, и для небольших тихих концертов. Но дело в том - что у меня есть пара инструментов, которые я использую в зависимости от мероприятия - либо винтажный джазбас и прессижн, либо более модерновая по звуку ямаха. Ямаха отлично звучит во всевозможные ампеги, а вот фендер больше любит что-то более винтажное (или я люблю? хз). - т.е. бассман и тому подобное. Поэтому возникла мысль - а почему бы не сделать двухканальную голову? время есть, лампы-панельки-детали тоже. Вопрос в двух трансах - питание и выходник, ну и корпус и прочее. Задумка интересная, тем более что есть доступный каб на 2*10ки с отличными динамиками.
Просматривая схемы ампега - было найдено много разнообразных портафлексов B15 или B18 - двухканальных. Но вот сам пред бедноват чуток. Зато например пред от B25 - пред уже что-то среднее между портафлексом В15 и SVT classic. SVT - честно, не вытяну чтобы собрать. а вот B25 - уже намного более реально. В общем встречаем. двухканальный пред - один канал - Ampeg B25, второй - немного модифицированный басовый фендеровый пред.

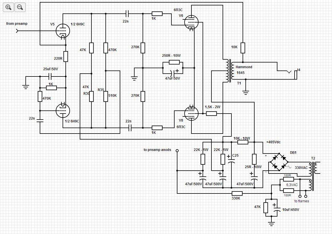
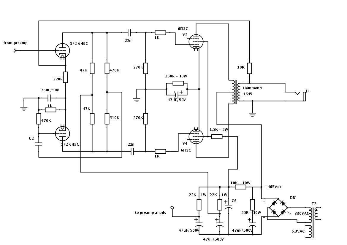
Лампы хочется все окталы. Для этого есть 6Н9С. Но возможно понадобтся пересчиать анодные и катодные резисторы, тут хочу послушать советы более опытных пользователей.
Поскольку трансформатор питания одинаковый для обоих каналов, выбирался под напряжения необходимые B25 - одна из вторичек транса выдает 330в под нагрузкой, что после диодного моста дает примерно 465В анодного. Нужен ли такой транс, или можно использовать что-то более классическое с напряжением в районе 250-260 переменки? Если да - то что нужно переделать в схеме преампа?
Все это дело будет идти в ампеговский оконечник:

Тоже прошу глянуть на предмет ошибок, неточностей и проблемных мест. Ну и вышеобозначенный вопрос с питанием - что нужно будет менять, если охота юзать более низковольтовый трансформатор - 250-260V переменки.
По мере дискуссии и обсуждения схемы будут обновлятся, добавлятся и прочее.