Купил недавно сабжевый комбарь. В состоянии довольно поюзанном. Озадачился заменой ламп. В преде стоят две Ruby и одна ноунейм, в фазике тоже ноунейм безо всяких надписей, в мощнике стоят почему-то 6L6 Sovtek. Их же, вроде, не ставят вместо EL34.
Суть в следующем - решил узнать, как отстраивать биас, вдумчиво покурил форум, ютуб и прочий интернет. Вроде бы разобрался как это делается.
Решил потренироваться на кошках, так как на днях собираюсь брать новые лампы, и крутилку drive надо поменять - похрипывает.
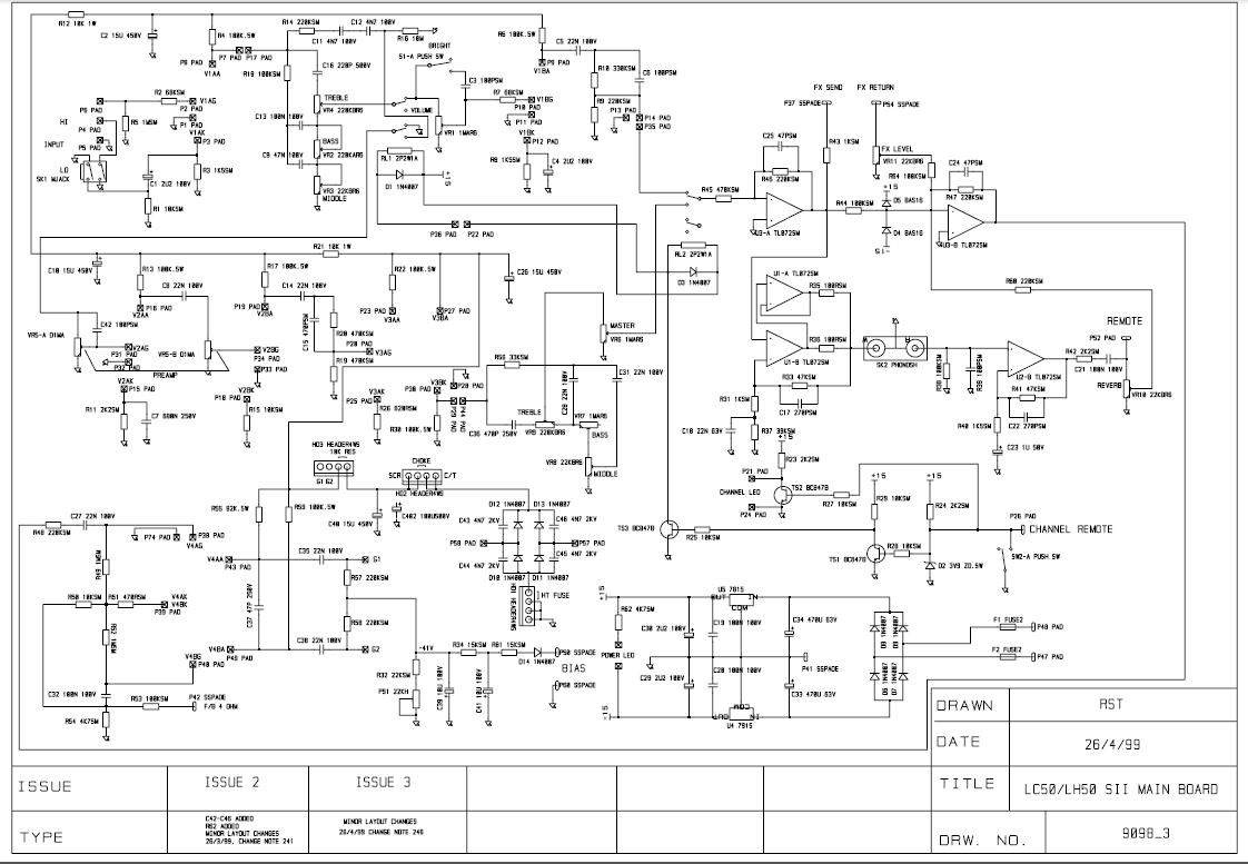
Вынул шасси из комба, стал искать точку замера биаса. Нашёл две клеммы с соответствующими подписями и подстроечный резистор (на фото их видно, с оранжевыми проводами). Тестер переключил режим постоянного напряжения 200 mV, один щуп на массу, другой по очереди к клеммам - верхняя на фото показала "00.0", та которая ниже и левее - показания прыгают, как на переменке. Переключил на переменку, показала 95-98 Вольт. Между собой клеммы показывают те же 95 В. Верхняя закорочена на землю.
Осмотрел весь усил, больше ничего похожего на bias point не нашёл.
Поискал пресловутый 1Ом резистор, тоже не нашёл. На цоколях ламп резисторы синие полосатые которые 5,5 кОм.
Тут или я что-то не то делаю или одно из двух.

Усилитель рабочий, если что. Играет.
Други, подскажите, как замерить bias.
Фотки прилагаются.
Под фотками сервис мануал со схемами в формате PDF.
И то же самое в картинках.
... и добавил: