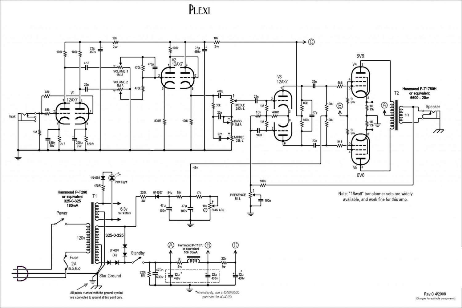
Попал ко мне усилитель, выпуска времен СССР. С виду он похож был на Marshall JMP MKII, короче владелец просил отремонтировать. Но ремонтировать там было нечего. Электролиты в мусор (советские на резьбе), потенциометры туда же, конденсаторы там были те, которые были доступны в то время. Короче зачем я и сам не знаю, пошел на эту авантюру по переделке усилка.
Выкосил все от туда, полностью разобрал и помыл шасси, панельки ламповые и начал собирать с нуля. За два вечера все распаял. Схема была взята за основу от того же Marshall JMP MKII. Разделительные конденсаторы Hitano полиестер, электролиты какие были (Capxon и Jamicon), резисторы BNC и Hitano, поты Tomy. На выходе 4-ка 6П3С, в преде 6Н2П-ЕВ.
В общем что получилось судите сами. Может быть позже видосы сделаю какие нибудь.
