Автор Тема: Cornford Hellcat  (Прочитано 28240 раз)

0 Пользователей и 1 Гость просматривают эту тему.

Оффлайн Angel

  • Опытный
  • ****
  • Сообщений: 769
Re: Cornford Hellcat
« Ответ #15 : Марта 14, 2014, 08:39:05 »
Странная какая то входная цепь, не вижу резистор об землю 1М на джеках. И такое ощущение что 33nF стоит последовательно с резистором, и красный провод это центральная жила экранированного кабеля, приходит в точку соединения 68к что идет в сетку лампы. Есть возможность снять термоусадку и посмотреть что и как? Пока мысли что это либо просто разделительный конденсатор по входу, либо радиофильтр об землю.

Оффлайн akl

  • Живу на форуме
  • *******
  • Сообщений: 8114
  • не шарю ваще
Re: Cornford Hellcat
« Ответ #16 : Марта 14, 2014, 09:08:21 »
от такого радиофильтра же половины звука в сигнале не останется :hmmm:

... и добавил:

может там под термоусадкой еще одно сопротивление? ???

Оффлайн Angel

  • Опытный
  • ****
  • Сообщений: 769
Re: Cornford Hellcat
« Ответ #17 : Марта 14, 2014, 10:58:40 »
нет ну понятно что 33nF не об землю стоит  :)

Оффлайн Алексей Ф Автор темы

  • Эксперт
  • *****
  • Сообщений: 2264
  • GuitarPlayer.Ru fan!
Re: Cornford Hellcat
« Ответ #18 : Марта 14, 2014, 14:47:43 »
Angel, прозвонили, не бином ньютона, на схеме красным цветом выделено.Вместо 1м на джеках - 1,8 об экран провода под термоусадкой. А 33 стоит параллельно с 1м - одним концом на 68к.

... и добавил:

Shrila, не отпаивал верхний конец при замере?

... и добавил:

...семпл кстати мне очень по душе пришелся, а с перегрузом есть?
А с перегрузом - засада в виде нелокализуемого возбуда при гейне и волюме более 50%. Есть конечно, выложу кусочек.
« Последнее редактирование: Марта 14, 2014, 14:52:22 от Алексей Ф »

Оффлайн akl

  • Живу на форуме
  • *******
  • Сообщений: 8114
  • не шарю ваще
Re: Cornford Hellcat
« Ответ #19 : Марта 14, 2014, 15:12:55 »
А 33 стоит параллельно с 1м - одним концом на 68к.
я так понимаю это ради режима лампы сделано, чтоб типа сетку подпирал мегаом :hmmm:

Оффлайн Shrila

  • Опытный
  • ****
  • Сообщений: 602
  • हरे कृष्ण
Re: Cornford Hellcat
« Ответ #20 : Марта 14, 2014, 15:13:12 »
Shrila, не отпаивал верхний конец при замере?
Гейны не отпаивал, так померял. У мастеров один конец в воздухе висит.

Оффлайн akl

  • Живу на форуме
  • *******
  • Сообщений: 8114
  • не шарю ваще
Re: Cornford Hellcat
« Ответ #21 : Марта 14, 2014, 15:14:37 »
и какие с этого ништяки интересно? :hmmm:

Оффлайн Angel

  • Опытный
  • ****
  • Сообщений: 769
Re: Cornford Hellcat
« Ответ #22 : Марта 14, 2014, 15:18:43 »
То что на схеме красным - явно бессмысленно, весь сигнал пройдет без каких либо изменений через 33nF  ???

Гейны стоят паралельно друг другу через 680к, пересчитываем и получаем номиналы потов 220...250к
« Последнее редактирование: Марта 14, 2014, 15:22:32 от Angel »

Оффлайн Shrila

  • Опытный
  • ****
  • Сообщений: 602
  • हरे कृष्ण
Re: Cornford Hellcat
« Ответ #23 : Марта 14, 2014, 16:16:00 »
Гейны стоят паралельно друг другу через 680к, пересчитываем и получаем номиналы потов 220...250к
Это есче не факт  ???, вот отрисую компановку и по ней схему можно будет восстановить, вот тогда и узнаем, что, где, и как стоИт  :)

Оффлайн Алексей Ф Автор темы

  • Эксперт
  • *****
  • Сообщений: 2264
  • GuitarPlayer.Ru fan!
Re: Cornford Hellcat
« Ответ #24 : Марта 14, 2014, 19:47:44 »
...У мастеров один конец в воздухе висит.
Ещё один сюрприз.

Оффлайн Мясников

  • Эксперт
  • *****
  • Сообщений: 1861
  • myasnikov-custom.com
    • https://www.youtube.com/channel/UCHZESeK456yYQQXrzjPVB8g
Re: Cornford Hellcat
« Ответ #25 : Марта 15, 2014, 11:35:30 »
ну блин,померили поты))   ЗЫ :вспомнилось почему то из дикой молодости ехидное лицо предподавателя по электро-радио измерениям, когда мы к нему на зачет всей группой пьяненькие пришли)))))

Оффлайн Shrila

  • Опытный
  • ****
  • Сообщений: 602
  • हरे कृष्ण
Re: Cornford Hellcat
« Ответ #26 : Марта 29, 2014, 08:01:38 »
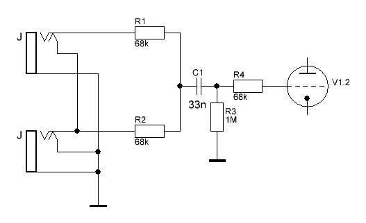
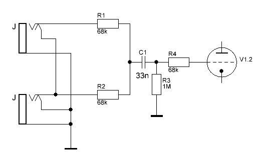
Алексей Ф, входную цепь первого каскада мы с тобой неправильно интерпретировали. Во первых замеряли не правильно, у нас вход был закорочен на землю. Надо было джек вставить во вход. А во вторых неправильно интерпретировали содержимое под термоусадкой. Там только один резистор, то что было принято за другой, это кусочек другой термоусадки. В общем входная цепь получается на этом экземпляре вот такая:

Оффлайн Мясников

  • Эксперт
  • *****
  • Сообщений: 1861
  • myasnikov-custom.com
    • https://www.youtube.com/channel/UCHZESeK456yYQQXrzjPVB8g
Re: Cornford Hellcat
« Ответ #27 : Марта 29, 2014, 08:25:57 »
ну вот.совсем другое дело)
 

Оффлайн Angel

  • Опытный
  • ****
  • Сообщений: 769
Re: Cornford Hellcat
« Ответ #28 : Марта 29, 2014, 18:24:47 »
Ну вот, я так и знал (с)  ;)

Оффлайн Алексей Ф Автор темы

  • Эксперт
  • *****
  • Сообщений: 2264
  • GuitarPlayer.Ru fan!
Re: Cornford Hellcat
« Ответ #29 : Марта 29, 2014, 18:40:45 »
Ну, я уже не помню, сбило с толку 1,8М от левой ножки кондера на землю. Замкнутый вход мы вычислили, 34К вместо 68 стандартных. Вскрыл оплетку?