Автор Тема: Di-Box для полного нуба  (Прочитано 4297 раз)

0 Пользователей и 1 Гость просматривают эту тему.

Оффлайн Саша Перепелица Автор темы

  • Новичок
  • *
  • Сообщений: 52
  • GuitarPlayer.Ru fan!
Di-Box для полного нуба
« : Марта 02, 2016, 16:52:16 »
Здравствуйте! нужно спаять дибокс, для подключения гитары в линию звуковой карты. можно пожалуйста простейшую схему, чтобы человек, никак не связаный с радиоэлектроникой понял что к чему паять?  и список четких названий компонентов, чтобы я пришел на радиорынок, и сказал дайте мне это, это и это. Знаю что уже есть подобные темы, но я ничего там понять не могу. Спасибо.

Оффлайн Dying Fetus

  • Moderator
  • *****
  • Сообщений: 10310
  • DIYng Fetus
    • http://cathar.ru
Re: Di-Box для полного нуба
« Ответ #1 : Марта 02, 2016, 17:24:00 »
https://guitarplayer.ru/index.php?topic=113962.0
если это не понятно, то только в матчасть

... и добавил:

там жэ второй вариант на следующей странице
https://guitarplayer.ru/index.php?topic=113962.msg2079462#msg2079462
« Последнее редактирование: Марта 02, 2016, 17:25:41 от Dying Fetus »

Оффлайн Саша Перепелица Автор темы

  • Новичок
  • *
  • Сообщений: 52
  • GuitarPlayer.Ru fan!
Re: Di-Box для полного нуба
« Ответ #2 : Марта 02, 2016, 17:35:13 »
https://guitarplayer.ru/index.php?topic=113962.0
если это не понятно, то только в матчасть

... и добавил:

там жэ второй вариант на следующей странице
https://guitarplayer.ru/index.php?topic=113962.msg2079462#msg2079462
"Питание лучше конечно стабилизировать, но кто соображает, тот и схему сделает получше"я не соображаю. что это значит? как это делать? или можно обойтись без этого?

... и добавил:

510k-2.2M это что за резистор, понять не могу?
« Последнее редактирование: Марта 02, 2016, 17:48:13 от Саша Перепелица »

Оффлайн anDDRew

  • Эксперт
  • *****
  • Сообщений: 2066
  • котавр
Re: Di-Box для полного нуба
« Ответ #3 : Марта 02, 2016, 17:50:26 »
от 510 килоом до 2.2 мегаом.

Оффлайн Саша Перепелица Автор темы

  • Новичок
  • *
  • Сообщений: 52
  • GuitarPlayer.Ru fan!
Re: Di-Box для полного нуба
« Ответ #4 : Марта 02, 2016, 17:51:59 »
от 510 килоом до 2.2 мегаом.
без разницы какой из данного диапазона? или на сколько лучше?

Оффлайн anDDRew

  • Эксперт
  • *****
  • Сообщений: 2066
  • котавр
Re: Di-Box для полного нуба
« Ответ #5 : Марта 02, 2016, 17:59:28 »
Ставь 1 мОм, не ошибёшься  ;D

Оффлайн Саша Перепелица Автор темы

  • Новичок
  • *
  • Сообщений: 52
  • GuitarPlayer.Ru fan!
Re: Di-Box для полного нуба
« Ответ #6 : Марта 02, 2016, 18:07:53 »
всё правильно выбрал? нигде не ошибся? +для батареек коннекторы забыл



... и добавил:

и как корпус экранировать? и из чего вообще сделать этот корпус?
« Последнее редактирование: Марта 02, 2016, 18:17:57 от Саша Перепелица »

Оффлайн nifigase

  • Завсегдатай
  • ***
  • Сообщений: 465
  • GuitarPlayer.Ru fan!
Re: Di-Box для полного нуба
« Ответ #7 : Марта 02, 2016, 18:29:20 »
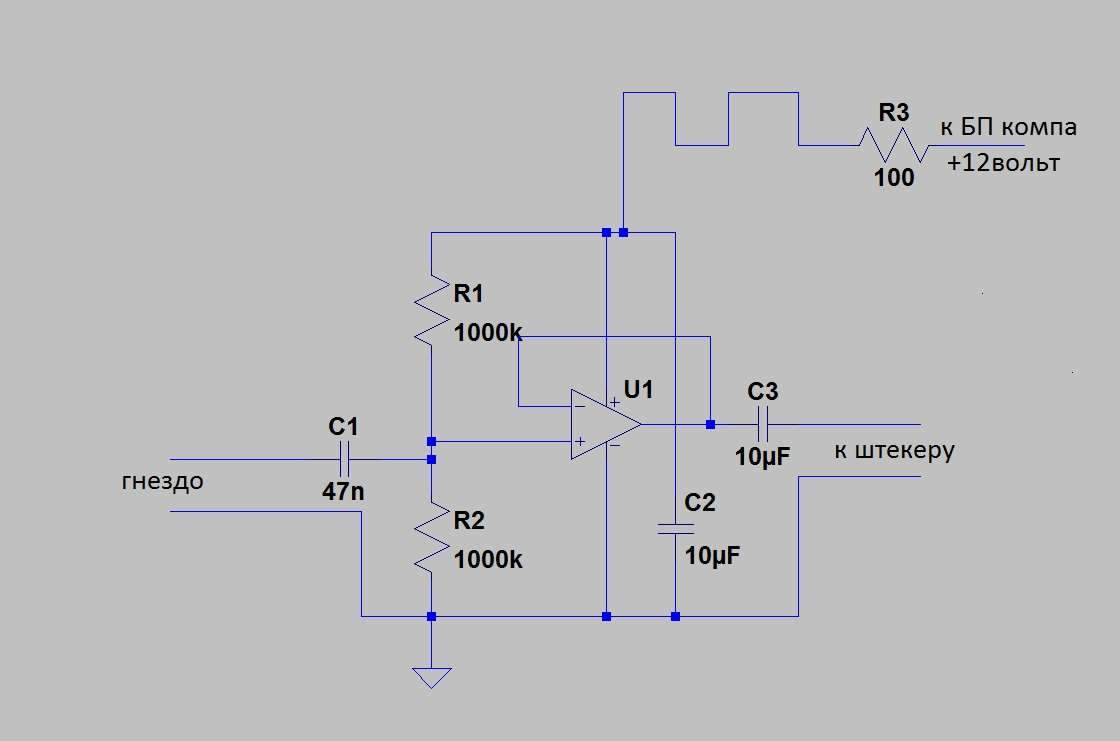
 я бы лучше об бп компа сделал
2095159-0

Оффлайн Саша Перепелица Автор темы

  • Новичок
  • *
  • Сообщений: 52
  • GuitarPlayer.Ru fan!
Re: Di-Box для полного нуба
« Ответ #8 : Марта 02, 2016, 18:31:32 »
я бы лучше об бп компа сделал
(Ссылка на вложение)
извини, но я совершенно ничего не понимаю на этой схеме.

Оффлайн anDDRew

  • Эксперт
  • *****
  • Сообщений: 2066
  • котавр
Re: Di-Box для полного нуба
« Ответ #9 : Марта 02, 2016, 18:32:22 »
Зачем тебе 3 гнезда и два тумблера?

Тумблер на 6 ног дешевле есть - http://www.chipdip.ru/product/smts-203-2a1/

провод полтора квадрата это  :pozor:

такой бери - http://www.chipdip.ru/product/mgtf-0.07/

... и добавил:

Чип этот можешь взять - дешевле http://www.chipdip.ru/product/tl071cp/

Оффлайн Dying Fetus

  • Moderator
  • *****
  • Сообщений: 10310
  • DIYng Fetus
    • http://cathar.ru
Re: Di-Box для полного нуба
« Ответ #10 : Марта 02, 2016, 18:36:59 »
и 2х ваттый резистор тут не нужен

Оффлайн Саша Перепелица Автор темы

  • Новичок
  • *
  • Сообщений: 52
  • GuitarPlayer.Ru fan!
Re: Di-Box для полного нуба
« Ответ #11 : Марта 02, 2016, 18:39:11 »
Зачем тебе 3 гнезда и два тумблера?

Тумблер на 6 ног дешевле есть - http://www.chipdip.ru/product/smts-203-2a1/

провод полтора квадрата это  :pozor:

такой бери - http://www.chipdip.ru/product/mgtf-0.07/

... и добавил:

Чип этот можешь взять - дешевле http://www.chipdip.ru/product/tl071cp/

провод это не акустический, это не важно? а чип на 8 рублей дешевле) спокойнее будет если возьму такой как на схеме.

... и добавил:

и 2х ваттый резистор тут не нужен

а какой нужен? и еще какой то показатель 1% и 5%  это что?
« Последнее редактирование: Марта 02, 2016, 18:43:18 от Саша Перепелица »

Оффлайн anDDRew

  • Эксперт
  • *****
  • Сообщений: 2066
  • котавр
Re: Di-Box для полного нуба
« Ответ #12 : Марта 02, 2016, 18:40:27 »
Цитировать
и как корпус экранировать? и из чего вообще сделать этот корпус?

Любая подходящая по размеру жестяная каропка.
Явот взял от чая банку и лишнее отпилил.

(нажмите чтобы показать/спрятать)

... и добавил:

провод это не акустический, это не важно? а чип на 8 рублей дешевле) спокойнее будет если возьму такой как на схеме.

Акустический кабель - он чтобы колонки к оконечнику подрубать.
Чип - без разницы. Грубо говоря, для тебя они одинаковые.
« Последнее редактирование: Марта 02, 2016, 18:43:40 от anDDRew »

Оффлайн Саша Перепелица Автор темы

  • Новичок
  • *
  • Сообщений: 52
  • GuitarPlayer.Ru fan!
Re: Di-Box для полного нуба
« Ответ #13 : Марта 02, 2016, 18:44:51 »
окей, какой резистор взять? на сколько Вт? и %?

Оффлайн anDDRew

  • Эксперт
  • *****
  • Сообщений: 2066
  • котавр
Re: Di-Box для полного нуба
« Ответ #14 : Марта 02, 2016, 18:47:19 »
а какой нужен? и еще какой то показатель 1% и 5%  это что?

Подходит и такой, но достаточно взять самый мелкий, на 0,25 или 0,125 Вт. Проценты - это допустимые отклонения от номинала. Забей.