Форум гитаристов
У нас самая большая гитарная тусовка
Добро пожаловать,
Гость
. Пожалуйста,
войдите
или
зарегистрируйтесь
.
Не получили
письмо с кодом активации
?
1 час
1 день
1 неделя
1 месяц
Навсегда
В теме
В разделе
По форуму
Яндекс
Начало
Помощь
Поиск
Media
Пользователи
Общий список
Поиск пользователей
Вход
Регистрация
|
Размещение рекламы
Правила форума
Форум гитаристов
»
Оборудование
»
equipment.craft
(Модератор:
Dying Fetus
) »
Тема:
Digitech Hot Head ремонт
« предыдущая тема
следующая тема »
Печать
Страницы: [
1
]
Вниз
Автор
Тема: Digitech Hot Head ремонт (Прочитано 981 раз)
0 Пользователей и 1 Гость просматривают эту тему.
vitallica
Новичок
Сообщений: 42
Digitech Hot Head ремонт
«
:
Января 26, 2018, 20:16:14 »
Всем привет.
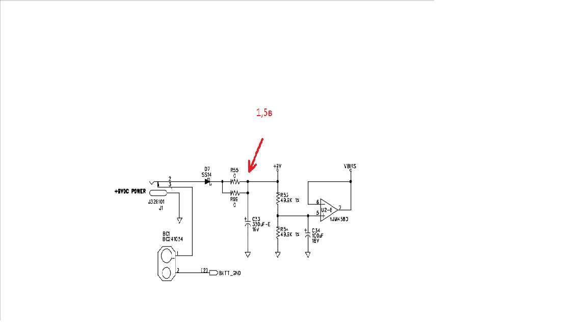
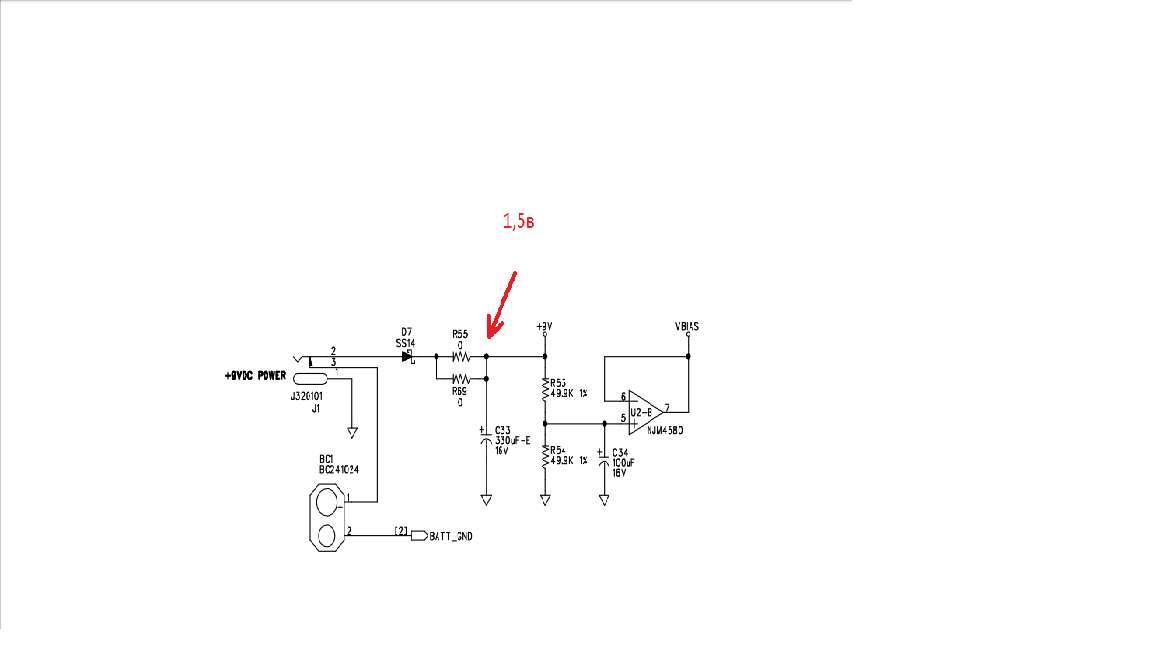
Друзья, помогите оживить педальку, перестала работать, светодиод не горит, звука нет. Скачал схему, начал мерить питание. На первом конденсаторе вместо 9в всего 1.5в.
«
Последнее редактирование: Января 26, 2018, 20:22:22 от vitallica
»
Записан
Dying Fetus
Moderator
Сообщений: 10314
DIYng Fetus
Re: Digitech Hot Head ремонт
«
Ответ #1 :
Января 26, 2018, 21:53:38 »
смотри сей диод, может его того самое
Записан
vitallica
Новичок
Сообщений: 42
Re: Digitech Hot Head ремонт
«
Ответ #2 :
Января 26, 2018, 21:55:45 »
Замерял напряжение после диода, все ок, 9 вольт. Падает после резисторов которые 0 ом....
Записан
Dying Fetus
Moderator
Сообщений: 10314
DIYng Fetus
Re: Digitech Hot Head ремонт
«
Ответ #3 :
Января 26, 2018, 22:10:42 »
vitallica,
а выпаяй и закороти их
Записан
Ден2
Ветеран форума
Сообщений: 4278
Re: Digitech Hot Head ремонт
«
Ответ #4 :
Января 26, 2018, 22:34:29 »
Было подобное, тоже на каком-то диджитеке. Они там от переполюсовки подгорать задуманы, похоже. В итоге заменил их диодом прямого включения (какой под руку попался)) и вернул счастливому владельцу.
Записан
vitallica
Новичок
Сообщений: 42
Re: Digitech Hot Head ремонт
«
Ответ #5 :
Января 27, 2018, 09:06:00 »
Таки да, все дело было в этих резисторах, закоротил дорожки и педаль заработала) Всем спасибо)
Записан
Печать
Страницы: [
1
]
Вверх
« предыдущая тема
следующая тема »
Форум гитаристов
»
Оборудование
»
equipment.craft
(Модератор:
Dying Fetus
) »
Тема:
Digitech Hot Head ремонт