Автор Тема: Дросель в 18W TMB  (Прочитано 1442 раз)

0 Пользователей и 1 Гость просматривают эту тему.

Оффлайн Russ Diggy Автор темы

  • Частый посетитель
  • **
  • Сообщений: 174
  • Barcelona
Дросель в 18W TMB
« : Сентября 30, 2014, 23:17:35 »
Всем привет!

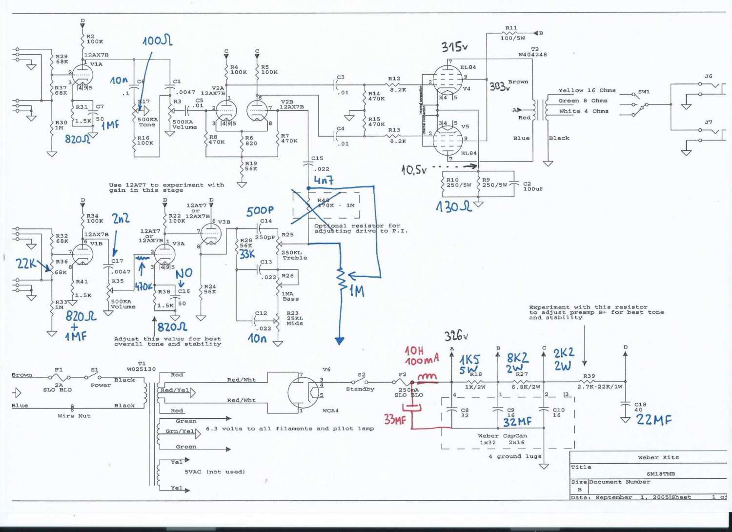
Собрал 18-и ватник по схеме сериатона 18watt TMB ( смотреть вложеную схему Вебера - синяя ручка сериатонские номиналы).

Не было кенотрона  EZ81, установил 5AR4 + дома в сети 240в , короче в схеме произошла небольшая перодозировка тока , ровно на 40 вольт больше.У сериатона в официальном графике напряжений после кенатрона на первом конденсаторе 326в , а у меня вышло 366в.Пришлось менять катодный резистор  на ЕЛ84 чтоб приблизиться к сериатоновским  80мА, хотя на других схемах 18ватных Маршалов ток покоя на двух ЕЛ84 не привышает обычно 72-75мА.Траф запитки использовал оригинальный сериатонский.
Но вопрос собсна не в этом, а вот в чём
Усь собрался без проблем , звучит отлично, но в состоянии не играния слышен лёгкий гул.Ради эксперимента я впаял дополнительный конденсатор на 33Мф ,а после него хамондовский дросель 158М (10Н 100мА 400в 226ОМ) - на схеме дорисовано красным.Напруга просела примерно на 14вольт , НО !!! Даже нет намёка на гул!
Сижу в тишине, в темнице сырой.....  сижу в тишине, слышу шелест вентилятора от компъютера, и очень - очень тихо шипение усилителя, почти вообще ни каких признаков включенности.Подсоеденил амперметр сразу после кенатрона - весь усиль кушает около 85мА, тоесть дросель не на лимите, хотя слегана тёплый.

Такое решение мне понравилось , спросил коллегу на работе об этой идее , а он професионал по электронике, но не спец по гитарным усилям и он мне сказал - на сколько я знаю в гитарных усилях обычно так не делают, вот в аудиофилии, в хай фай типа , там любят дроселя везде понатыкать, а гитарные ампы такой хренью не страдают.
Я снова спросил - почему? Шум ведь пропал, значит решение адекватное, но он не смог мне объяснить основательно почему в гитарных усилях так не делают.

Если кому не лень , объясните пожайлуста - почему в гитаризме так не делаеться, ну и вообще просветите по этому дросельному вопросу.

Спасибо

ПС - так же я ставил дросель на место резюка R18 1К5 между первыми двумя кондёрами (C8-C9), но каких либо улучшений не услышал.

Оффлайн alkuz

  • Ветеран форума
  • ******
  • Сообщений: 4481
  • Зарегистрированный
    • http://
Re: Дросель в 18W TMB
« Ответ #1 : Октября 01, 2014, 02:50:40 »
Russ Diggy, ты про какой-то свой, особы "гитаризм" спрашиваешь? По тому, что в обычном "гитризме", дроссели используются в 90% схем  ;). Просто вот в этом Маршалле его  изначально не предусмотрено. Но кстати даже без дросселя, собственный фон у него меньше, чем от подключенной гитары с хамбами. А вот в хайфае дроссели как-раз гораздо реже встречаются. Там больше принято решать эти вопросы увеличением фильтрующих емкостей за сотни мФ.

Оффлайн akl

  • Живу на форуме
  • *******
  • Сообщений: 8114
  • не шарю ваще
Re: Дросель в 18W TMB
« Ответ #2 : Октября 01, 2014, 05:49:58 »
лампы может кривые? ??? вроде не должно гудеть и без дросселя. а вообще в гитарных его обычно ставят после анодов.

Оффлайн Russ Diggy Автор темы

  • Частый посетитель
  • **
  • Сообщений: 174
  • Barcelona
Re: Дросель в 18W TMB
« Ответ #3 : Октября 01, 2014, 06:57:23 »
Russ Diggy, ты про какой-то свой, особы "гитаризм" спрашиваешь? По тому, что в обычном "гитризме", дроссели используются в 90% схем  ;).

Я хотел сказать что в гитарных ампах дросель хоть и стоит, но через него не проходит весь мощник.Ведь средняя точка выходного транса запитываеться от первого после кенотрона конденсатора, а уже вторые сетки выходных ламп подключены ко второму конденсатору, а второй кондер подпитываеться уже через дросель.
А в хай файских усилях ( я посмотрел некоторые схемы) - весь мощник проходит через дросель + огромные емкости фильтрующих конденсаторов.

... и добавил:

лампы может кривые? ??? вроде не должно гудеть и без дросселя. а вообще в гитарных его обычно ставят после анодов.


Лампы все новые стоят.К тому же пробывал заводить с разными комплектами. А гул конечно был не дикий, но слышный.

Вопрос остался без ответа - почему не пропускают в гитаных усилях весь мощник через дросель ? :)
« Последнее редактирование: Октября 01, 2014, 07:04:22 от Russ Diggy »

Оффлайн alkuz

  • Ветеран форума
  • ******
  • Сообщений: 4481
  • Зарегистрированный
    • http://
Re: Дросель в 18W TMB
« Ответ #4 : Октября 01, 2014, 07:11:33 »
Russ Diggy, дело в том, что во первых РР схема мощника, в силу противофазности включения ламп, сама по себе минимизирует фон приходящий по цепи питания. А во вторых, в более мощных усилителях массогабарит такого дросселя получится чрезмерным. Попробуй, ради эксперимента, переподключить свой дроссель на другое звено фильтра  ;)

Оффлайн akl

  • Живу на форуме
  • *******
  • Сообщений: 8114
  • не шарю ваще
Re: Дросель в 18W TMB
« Ответ #5 : Октября 01, 2014, 07:18:21 »
Цитировать
почему не пропускают в гитаных усилях весь мощник через дросель
потому что смысла нет - и так тишина. это если с точки зрения фильтрации. а с точки зрения влияния на звук - хз ???

... и добавил:

Цитировать
на другое звено фильтра
кстати да, может это вторым сеткам или вообще преду фильтрации не хватает. подключи его вместо R18 (или последовательно с ним, если пугает увеличенное напряжение)

... и добавил:

электролиты вообще нормальные стоят?
« Последнее редактирование: Октября 01, 2014, 07:21:35 от akl »

Оффлайн sadky

  • Эксперт
  • *****
  • Сообщений: 2655
Re: Дросель в 18W TMB
« Ответ #6 : Октября 01, 2014, 11:52:38 »
Russ Diggy,
Я когда-то очень давно на ГТлабе создавал тему по поводу гудящего мощника. Так мы залезли в такие дебри, что мама не горюй, и лишь через год до меня дошло, что ни один профессор не спросил у меня: у тебя выходных ламп пара или две?
Тут выше мелькало предположение насчёт кривых ламп, так я просто в виде уточнения (не обижайтесь за мой вопрос) - лампы в оконечнике у вас подобраны в пару по параметрам или как у меня было-просто две новых хороших 6П14П? Из-за этого бывает гул, победимый только конскими номиналами фильтров. и то не полностью и не всегда ;)

Оффлайн Russ Diggy Автор темы

  • Частый посетитель
  • **
  • Сообщений: 174
  • Barcelona
Re: Дросель в 18W TMB
« Ответ #7 : Октября 02, 2014, 00:29:13 »
Sadky
Я очень даже понимаю ризонность вашего беспокойства,ибо сам тоже выборчив и щипитилен к "ингридиентам", на всех макетах и экспериментах стараюсь использывать только качественные детали.А то можно будет долго на зеркало пинять.... при плохом результате. :)
кстати в том же Банзае и ТьюбТауне - неоднакратно покупал новые , но уже бракованые лампы причём от хороших селекторов.К счастью меняли без вопросов.

В данном проэкте у меня стоят новая подобраная пара от Грув Тьюбс.
Вот тут брал
http://www.banzaimusic.com/Groove-Tubes-EL84-R-Pair.html
А так же в резерве ещё такой дуэт "выступает"
http://www.banzaimusic.com/TAD-EL84-CZ-Duet.html
Так что не в выходных лампах проблема.

Для кошерности сборки сегодня купил ТАДовский кенотрон EZ81 как в оригинальной схеме.И всё напряжение "встало" на своё место.Гула стало меньше, с кеном 5AR4 грело сильнее аноды выходных ламп - почти 16ват на плечо, а сейчас 11,5.Так же пернастроил катодный резистор на выходных лампах - с 80мА понизил до 72мА , так более по Маршальски, а не по сериатоновски.
 
Но по любому , с дроселем и конденсатором после кенотрона ,так как я дорисовал на схеме красым - усилитель  тих и смирён, даже почти не слышно шипения.Надо будет поиграть пошуметь, может появяться "минусы" от такой модификации, но пока результат радует.

Оффлайн alkuz

  • Ветеран форума
  • ******
  • Сообщений: 4481
  • Зарегистрированный
    • http://
Re: Дросель в 18W TMB
« Ответ #8 : Октября 02, 2014, 05:28:00 »
Russ Diggy,, а с дросселем, подключенным после анодов выходных ламп, ты так и не попробовал?

Оффлайн Russ Diggy Автор темы

  • Частый посетитель
  • **
  • Сообщений: 174
  • Barcelona
Re: Дросель в 18W TMB
« Ответ #9 : Октября 02, 2014, 07:03:26 »
[ а с дросселем, подключенным после анодов выходных ламп, ты так и не попробовал?

Имеется в виду на место R18 ? Пробовал . Я писал в первом посте об этом , самое последнее предложение.

Оффлайн akl

  • Живу на форуме
  • *******
  • Сообщений: 8114
  • не шарю ваще
Re: Дросель в 18W TMB
« Ответ #10 : Октября 02, 2014, 07:35:42 »
может трансформатор какой-то кривой? ??? не должно быть гула никакого от мощника >:( даже с диодами. а с кенотроном и подавно :7: