Автор Тема: Дублируем ручку громкости электрогитары на педальку  (Прочитано 1241 раз)

0 Пользователей и 1 Гость просматривают эту тему.

Оффлайн Proks206 Автор темы

  • Опытный
  • ****
  • Сообщений: 588
  • Бог в помощь
Всем доброго дня, объясню суть вопроса, есть у меня в арсенале прекрасная педалька по мотивам Lovepedal Purple Plexi/800, ручки гейна как таковой у нее нет, есть ручка Intence которая управляет по сути компрессией перегруза. Уровень гейна у этой педальки прекрасно рулится ручкой громкости на гитаре вплодь до клина, но это неочень удобно, хочу добавить ручку гейна и прошу совет, я думаю просто поставить на входе потенциометр дублирующий ручку громкости на гитаре не совсем правильно, возможно правильнее будет собрать что то типо линейного буфера с КУ=1 и потенциометром регулировки уровня? Вобщем жду советов, заранее благодарен!

Оффлайн alkuz

  • Ветеран форума
  • ******
  • Сообщений: 4481
  • Зарегистрированный
    • http://
...Уровень гейна прекрасно рулится ручкой громкости на гитаре вплоть до клина, но это не очень удобно...

Не, ну понятно конечно, что регуляторы на гитарах придумали не для серьезных гитаристов. Их видимо придумали для придурков, которые только с их помощью и наруливают столько разнообразных звуков  -
http://www.youtube.com/watch?v=ZkGCvLstPrE

Оффлайн Proks206 Автор темы

  • Опытный
  • ****
  • Сообщений: 588
  • Бог в помощь
alkuz, ну скажем не всегда удобно это, вот и интересно как реализовать в примусе идентичную ручку на входе педали, нужен ли буфер или нет, просто потенциометра вполне достаточно?

Оффлайн runing

  • Живу на форуме
  • *******
  • Сообщений: 12572
  • Киев
нужен ли буфер или нет, просто потенциометра вполне достаточно?

Буфер нужен для другой цели.

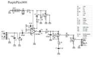
Можешь попробовать сделать так:

2071834-0

Оффлайн Proks206 Автор темы

  • Опытный
  • ****
  • Сообщений: 588
  • Бог в помощь

runing, спасибо, интересное решение, а как себя поведет шунтирующий конденсатор на 370 пф, вобще зачем он нужен в данном случае ну и изначально когда шунтирует постоянный резистор?

Оффлайн runing

  • Живу на форуме
  • *******
  • Сообщений: 12572
  • Киев
как себя поведет шунтирующий конденсатор на 370 пф

Он себя поведёт достойно. Будет продолжать шунтировать.


вобще зачем он нужен в данном случае ну и изначально когда шунтирует постоянный резистор?

Он нужен для "среза высоких" на входе микросхемы. Вероятно против возбуда. Я бы его вовсе убрал, если без него нет никаких проблем.
Если же станет хуже, то установить его на крайние ноги потенциометра, а емкость уменьшить до устойчивого состояния.

Оффлайн Proks206 Автор темы

  • Опытный
  • ****
  • Сообщений: 588
  • Бог в помощь
Можно попробовать и без него конечно, может не будет никаких возбудов и других проблем, волнует другой вопрос, когда подряд стоят 2 потенциометра, то бишь два резистора параллельно, их общее сопротивление соответственно снизится, как это отразится на входном сопротивлении педальки и не возникнет ли проблем?

Оффлайн runing

  • Живу на форуме
  • *******
  • Сообщений: 12572
  • Киев
когда подряд стоят 2 потенциометра, то бишь два резистора параллельно, их общее сопротивление соответственно снизится, как это отразится на входном сопротивлении педальки и не возникнет ли проблем?

А ты внимательно сравни две схемы, оригинальную и ту, что я нарисовал.
На месте нового потенциометра стоял постоянный резистор, который как и новый потенциометр был параллельно громкости гитары.
А сопротивление на входе микросхемы каким было, таким и остаётся. Для этого я включил потенциометр "наоборот", то есть сигнал подается на вторую ногу, а снимается с третьей.

Ты перед тем как задаёшь вопросы, смотри схемы, анализируй, сравнивай. А лучше пробуй на практике и выбирай лучшее решение.
В гитарных примочках часто нестандартные решения, интереснее звучат, чем классические.

Оффлайн Proks206 Автор темы

  • Опытный
  • ****
  • Сообщений: 588
  • Бог в помощь
спасибо за пояснениние, я действительно не обратил внимание как включен ползунок потенциометра

Оффлайн vvg10

  • Новичок
  • *
  • Сообщений: 8
Встречал еще такую схему: