runing, сдается мне, что у этой темы есть реальная возможность перерасти в обсуждение конструктива с последующим отчетом о сборке.
Никаких возражений

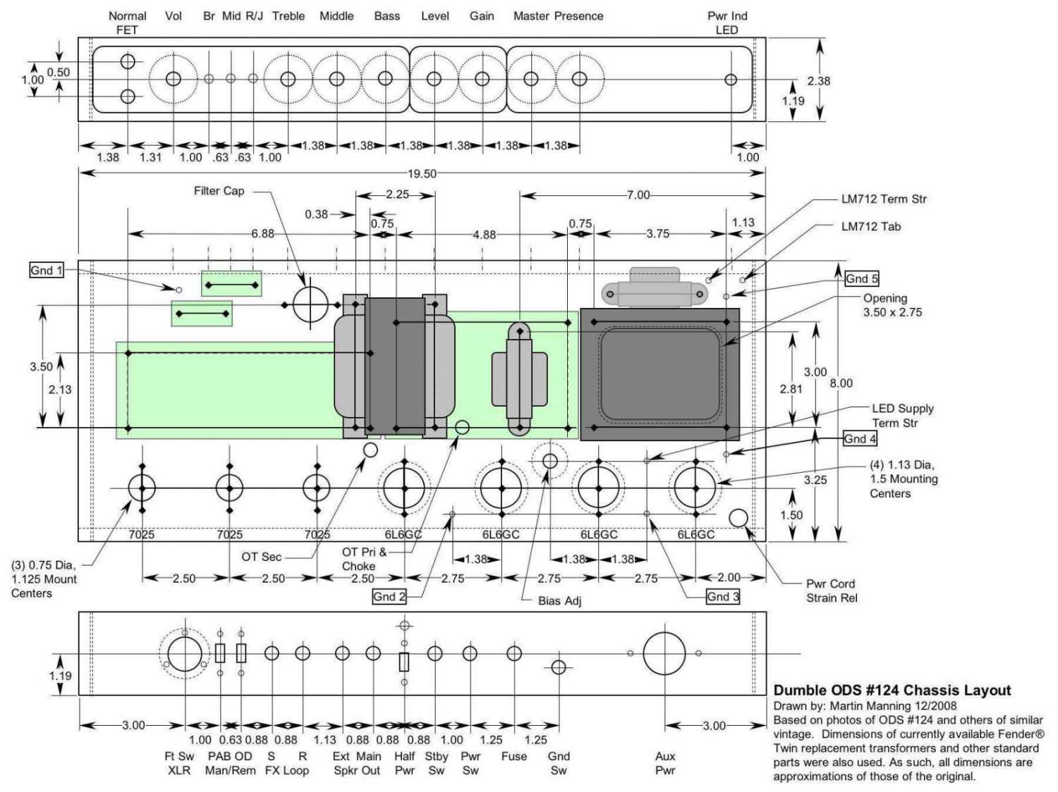
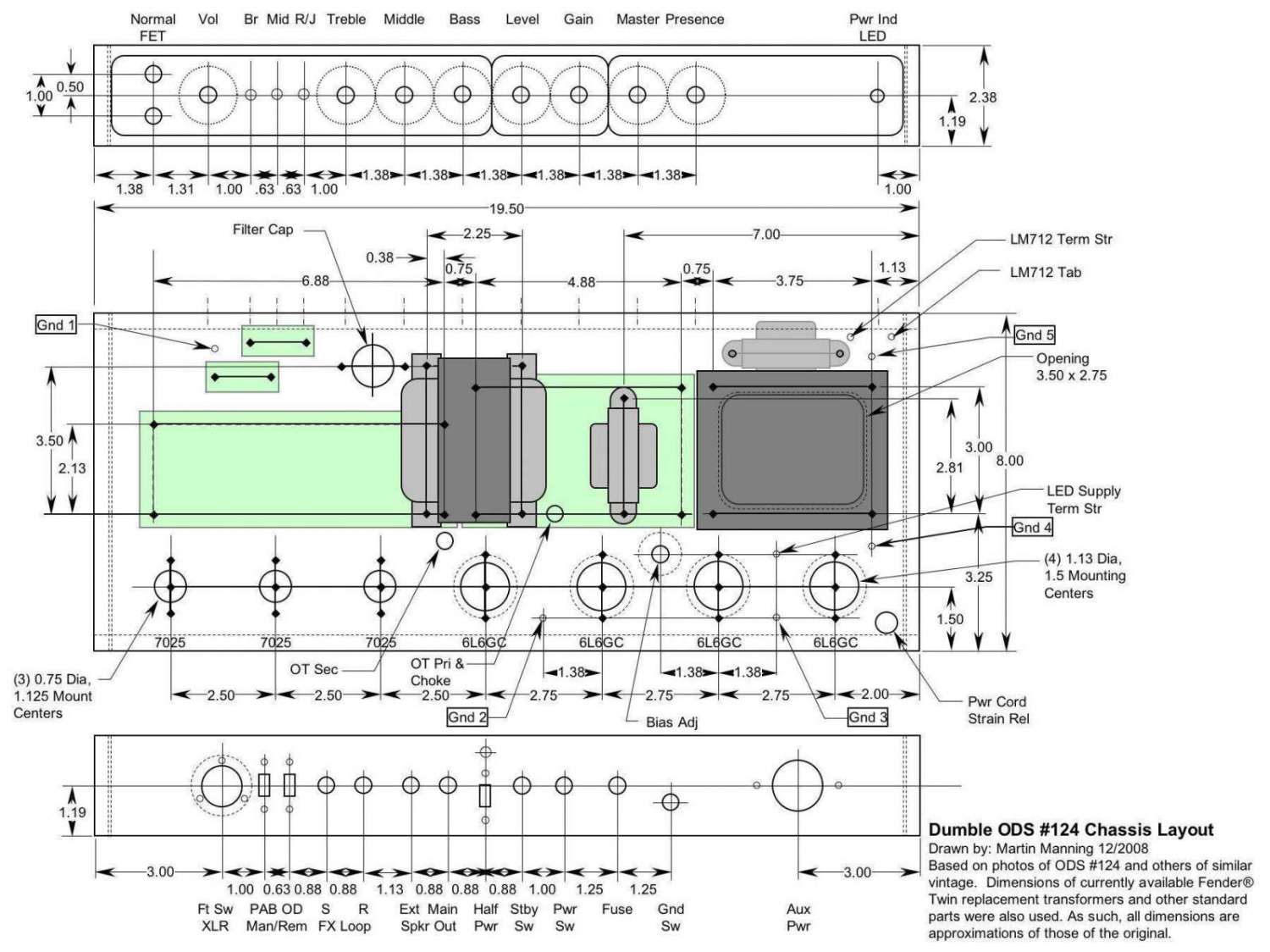
Так вот, по конструктиву: попадались как минимум два варианта изготовления торцов шасси - гнутое с 4-х сторон и с вваренными в торцы вставками. С первым вариантом реально геморроя больше, и как следствие возрастает вероятность кривизны или нестыковки по углам. Второй вариант напротив - имеет всего четыре параллельные гиба и лично мне кажется более повторяемым.
Вопрос повторяемости, даже при гибке с четырёх сторон не будет чем то сложным, если это делается на специальном, откалиброванном гибочном станке, при условии настройки на кол-во больше одной штуки

То есть целесообразно настраиваться минимум на пять - десять штук и тогда в этом есть смысл. При изготовлении одной штуки, конечно это менее интересно и технологично.
Вот так выглядит конструктив оригинала:
http://postimg.cc/image/r2v22afj3/http://postimg.cc/image/63eyasdun/Вот
такой конструктив шасси предлагает
www.tube-town.net, в принципе вроде всё отлично, за исключением одного!
В оригинале на торцах шасси изнутри закреплены несколько плат, это FET вход, выпрямитель и стабилизатор питания реле и схема формирования напряжения смещения:


Это означает, что шляпки винтов будут снаружи шасси и при таком изготовлении шасси как у тюбтауна, они наверняка будут мешать вставить шасси в корпус

только если не применить винты с "потайной" головкой НО! толщина металла шасси не позволит их достаточно утопить.
Отсюда вывод, что
оригинальная конструкция с вваренными боковинами, которые несколько утоплены от края, более подходящая.
Второй момент - лицевая и задние панели. Как я понял и китаец, и второй продавец предлагают порошковое покрытие шасси и шелкографию прямо на порошок. В этом плане панели из пластика, по аналогии с Plexi, мне кажется более простым решением. К слову Сериатон того-же мнения.
Что скажешь?
Скажу, что я тоже об этом думал. Когда шасси полностью покрыто "порошком", меня несколько утомляет скоблить эту краску под потенциометрами и "земляными" контактами, для обеспечения заземления на корпус. В случае применения алюминиевого шасси, нет опасений коррозии, следовательно покрывать его внутри необязательно.
А обеспечить лицевую часть с надписями, можно и накладными панелями, которые так же могут быть металлическими с порошковой покраской.