Автор Тема: Эмулятор ленточного Tape Delay на микросхеме Spin FV-1  (Прочитано 4064 раз)

0 Пользователей и 1 Гость просматривают эту тему.

Оффлайн High Hopes Автор темы

  • Опытный
  • ****
  • Сообщений: 931
  • Воля и Разум
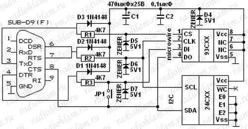
Всем  привет . Думаю , тема будет интересной многим.  Давно хотел сделать нормальный дилей и ревер  на микроконтроллере  Spin FV-1 . Нашёл на ютубе такой интересный  канал
 https://www.youtube.com/watch?v=EqaDSlYg440&t=2s&ab_channel=UniverseZenAudio,  и по его материалам спаял сначала Tape Delay . Он включает в себя 6 разных видов  ленточного дилея. Tape delay multi-effect с эмуляцией винтажных эхо машин Roland R301, Meazzi PA306 и Binson Echorec . Особенность схемы в том,что она простая, но надо закачивать прошивку в отдельную микросхему памяти EEPROM 24LC32A , которая вставляется на плату в панельку .Микросхему FV-1 нашёл оригинал, а вот микросхему памяти 24LC32A я нигде не нашёл. Но вместо неё я нашёл 24С32W6. Не совсем уверен,что это полные аналоги конечно, в сети нашёл инфу что кажется это аналоги.  Соответственно для того,чтобы прошить её пришлось ещё дополнительно спаять простой программатор  от СОМ-порта компа. Все схемы по которым паял ниже. Файл с окончательной версией прошивки скачал там же в архиве у автора в формате HEX . Там 6 видов дилея ( Tape Delay, Roland R301, Meazzi PA306 ,Binson Echorec , Abbey Road Reverb) . Прошилась 24С32  нормально, без проблем. Собрал всё вместе, FV-1 аккуратно впаял паяльником. Запустил, звук просто шикарный у всех видов дилея, очень натуральный, красивый , не сравнится с глухой PT2399 . Звучит на миллион долларов. Но есть единственная проблема – нет звука вообще в положениях 3 и 6 галетного переключателя. То есть в положениях когда 16 вывод микрухи контачит на землю, или когда все выводы висят без контакта . Ошибок в монтаже нет, все дорожки прозванивал на контакт, или КЗ –все отлично.  FV-1 сильно не перегревал, старался впаять быстро. Думаю что причина может быть в том что вместо EEPROM 24LC32A  у меня 24С32W6 Хотя она прошилась успешно. Может вы что-то подскажете ?
« Последнее редактирование: Мая 27, 2022, 20:13:46 от High Hopes »

Оффлайн Anatoly Avlet

  • Частый посетитель
  • **
  • Сообщений: 190
  • GuitarPlayer.Ru fan!
High Hopes, на схеме три шины данных 16. 17 и 18, то есть максимум восемь вариантов, а выбрать галетником можно только шесть. То есть два варианта пустые и наверно вы на них попадаете. Посмотрите тестером логику по этим шинам. Если будет все нормально, то попробуйте установить вручную два оставшихся варианта, может автор что накосячил.

Оффлайн High Hopes Автор темы

  • Опытный
  • ****
  • Сообщений: 931
  • Воля и Разум
High Hopes, на схеме три шины данных 16. 17 и 18, то есть максимум восемь вариантов, а выбрать галетником можно только шесть. То есть два варианта пустые и наверно вы на них попадаете. Посмотрите тестером логику по этим шинам. Если будет все нормально, то попробуйте установить вручную два оставшихся варианта, может автор что накосячил.
Не думаю, что автор что-то накосячил, у него все 6 положений рабочие . А что значит Посмотрите тестером логику по этим шинам? Тестер ставить в какой режим ? Постоянного напряжения или просто на прозвонку ? Мерить относительно земли ? И можно обьяснить подробнее что значит попробуйте установить вручную два оставшихся варианта . Галетник впаян правильно, его перепаивать не очень хочется.

Оффлайн Geezer

  • Живу на форуме
  • *******
  • Сообщений: 12769
  • Atypique
Цитировать
Тестер ставить в какой режим ?

Для прозвонки исправности потрохов микросхемы подключаем тестер в режиме диоды в обратной полярности: на "землю" - плюс, на прозвонку - минус.
У серьёзных микросхем выводы защищены от статики внутренними диодами, и имеют типичную для функциональности вывода проводимость.

Если изъянов по прозвонке нет, тогда надо смотреть входы 16/17/18 в работе - если есть монтажная ошибка или подбит один из внешних коммутирующих диодов, напряжение на одном из входов будет аномальным.

Если ничего не обнаруживается, тогда остаётся только изъян ПО.
« Последнее редактирование: Мая 28, 2022, 07:42:13 от Geezer »

Оффлайн High Hopes Автор темы

  • Опытный
  • ****
  • Сообщений: 931
  • Воля и Разум
Прозвонил мультиметром в режиме диода выводы 16, 17,18. При разных положениях галетника показания соответствует или 0 или 675. В 3 положении когда коротит на землю то 0 , в 6 положении - 675. Диоды возле галетника все рабочие , не пробитые. Подскажите пожалуйста , а 24С32W6 и 24LC32 A  это полные аналоги ? Объем памяти одинаковый у них 32 Кб
« Последнее редактирование: Мая 28, 2022, 10:41:23 от High Hopes »

Оффлайн Geezer

  • Живу на форуме
  • *******
  • Сообщений: 12769
  • Atypique
Надо посмотреть напряжения на выводах 16/17/18 - при коммутации режимов это должны быть гарантированные логические "0" и "1".

Оффлайн High Hopes Автор темы

  • Опытный
  • ****
  • Сообщений: 931
  • Воля и Разум
Напряжения по постоянке там все по 3,3 В. И вы учтите, что не работает в положениях , когда в 3 положении вывод 16 коротит на землю , а в 6 положении все выводы открытые . По измерениям получается , что 0 и 1 соответствуют положениям. И самое главное, что я хочу выяснить - 24С32W6 и 24LC32 A  это полные аналоги  ?
« Последнее редактирование: Мая 28, 2022, 17:48:32 от High Hopes »

Оффлайн Geezer

  • Живу на форуме
  • *******
  • Сообщений: 12769
  • Atypique
Чип может работать автономно, по своей внутренней программе, без внешней памяти - надо заземлить его вывод 13 в соответствии с заводской инструкцией:
http://www.spinsemi.com/Products/datasheets/spn1001/FV-1.pdf
Надо проверить его функционирование в предусмотренных режимах.

Оффлайн High Hopes Автор темы

  • Опытный
  • ****
  • Сообщений: 931
  • Воля и Разум
Чип может работать автономно, по своей внутренней программе, без внешней памяти - надо заземлить его вывод 13 в соответствии с заводской инструкцией
Надо проверить его функционирование в предусмотренных режимах.
Итак, всё проверил как по инструкции. Закоротил 12 и 13 выводы чипа FV-1, как по даташиту  и звук  появился в положениях 3 и 6 галетника. Зазвучал родной ревер который встроенный в саму FV-1 . Звучит он конечно заметно хуже,чем с внешней прошивкой.  Это уже радует, потому что уже исключается возможность того что испорчена сама  FV-1 . Значит дело в том, что неправильно прошилась EEPROM . Ещё раз спрошу : 24С32W6 и 24LC32 A  это полные аналоги ??
« Последнее редактирование: Мая 29, 2022, 12:57:12 от High Hopes »

Оффлайн Anatoly Avlet

  • Частый посетитель
  • **
  • Сообщений: 190
  • GuitarPlayer.Ru fan!
High Hopes, вот, смотртие на даташиты.
2410255-0
Видите, что отличие в минимальном питании. У 24с32 минимум 4.5 вольт, у вас 3.3 (может чуть больше). Но ведь четыре дилея работают. Значит, с большой вероятностью, должны работать и оставшиеся два.
Измерьте напряжения на каждой ноге в каждом положении переключателя и сравните с таблицей.
2410257-1
Если все напряжения правильные, предлагаю проверить остальные два незадействованные положения. Поставьте переключатель в положение 6 и закоротите сначала все три ножки на землю, а потом только две, 17 и 18.
Дело в том, что в этих переборах можно легко сделать ошибку при проектировании.

Оффлайн Extrovert

  • Завсегдатай
  • ***
  • Сообщений: 344
Автор, приветствую. Собирал всё по этому проекту тоже. Всё работает без проблем. Прошивку брал из архива и шил микросхему сам. Микросхемы брал 24LC32A на али. Так же в микросхему зашивал разного рода прошивки для фв-1. Программатор использовал фабричный. Попробуй найти 24 микросхему какую надо, может с ней получится как нужно?
« Последнее редактирование: Мая 31, 2022, 16:36:26 от Extrovert »

Оффлайн High Hopes Автор темы

  • Опытный
  • ****
  • Сообщений: 931
  • Воля и Разум
Да, получается что проблема в этой микросхеме 24 с32 . Надо 24LC 32. Буду искать ее. Но все равно сам звук с внешней прошивкой намного круче чем встроенные эффекты ревера в FV-1 . И ещё , печатная плата полностью проверенная и рабочая , так как скачал ее из проэкта
« Последнее редактирование: Мая 31, 2022, 21:26:23 от High Hopes »

Оффлайн alkuz

  • Ветеран форума
  • ******
  • Сообщений: 4481
  • Зарегистрированный
    • http://
Но все равно сам звук с внешней прошивкой намного круче чем встроенные эффекты ревера в FV-1 ....
Ну, дело за малым - осталось открыть доступное месторождение этих FV и наступит щасе  :crazy:

Оффлайн High Hopes Автор темы

  • Опытный
  • ****
  • Сообщений: 931
  • Воля и Разум
Месторождение в основном АлиЭкспресс, но там попадаются подделки , которые шипят сильно.

Оффлайн alkuz

  • Ветеран форума
  • ******
  • Сообщений: 4481
  • Зарегистрированный
    • http://
Месторождение в основном АлиЭкспресс, но там попадаются подделки , которые шипят сильно.
Ага, добавь к этому цену под 3000  ;) Не самый бюджетный способ проверять честность узкоглазых  :(