Имеется в наличии CUB 10, но хочется заиметь петлю эффектов. В 12 она есть. В схемах нихрена не понимаю, но на первый взгляд такой мод мне кажется реальным.
Что скажут гуру электроники?
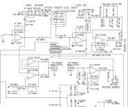
Эта задачка может быть не так проста, как кажется на первый взгляд. Я недавно разбирался с Laney, в частности с L5T, пытался вникнуть в особенности эти аппаратов. Информации по ним мало, но удалось разыскать несколько схем. На их примере сделал вывод, что изготовители Laney не очень утруждают себя разнообразием технических решений. В частности узлы “FX Send – FX Return” и вход – выход ревербератора в разных аппаратах очень похожи, а в некоторых моделях одинаковы. Так что если в аппарате не предусмотрен этот узел, то не так-то просто его туда будет воткнуть. Судя по приведённым структурным схемам аппараты должны отличаться внутренним содержимым. Например на L5T применена печатная плата, причём двусторонняя и плюс используются SMD компоненты, СUB10 не видел, и схема не встречалась, но если туда вставлять Send-Return, по аналогии с другими Laney, то придётся делать ещё и дополнительное питание. Хотя трансы там тоже зачастую однотипные, возможно есть выводы для низковольтного питания. В любом случае, если не спец в электронике, то лучше не пробовать такие переделки. Для начала желательно найти не структурную, а электрическую схему, а потом уже решать – делать или нет…




