Автор Тема: Fender rumble 25 preamp  (Прочитано 2898 раз)

0 Пользователей и 1 Гость просматривают эту тему.

Оффлайн pyaniymaster Автор темы

  • Частый посетитель
  • **
  • Сообщений: 161
Fender rumble 25 preamp
« : Июля 28, 2016, 13:22:29 »
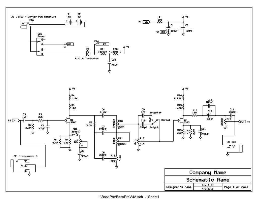
Возникла задача собрать басовый пред, и как ни странно готового проекта не нашёл, кроме знаменитого алембика на лампах и онбоард девайсов. Но мне нужно было что-то обычное транзисторное =). В общем вспомнил замечательный Fender rumble, и нашёл под него схему. Обрубил всё мне ненужное, переделал её на однополярное питание. К вам-же огромная просьба проверить, так-ли всё сделал.. ((( Печатка, и 2 pdf файла (оригинал и мой) в архиве прикрепляю..

Оффлайн Tander

  • Ветеран форума
  • ******
  • Сообщений: 3732
    • Efremoff
Re: Fender rumble 25 preamp
« Ответ #1 : Июля 28, 2016, 13:33:49 »
не давеча, как вчера комрад gutarjfet скидывал мне пару годных схем.

... и добавил:

Кстати, архив румбла кажется битый...

Оффлайн u-mix

  • Эксперт
  • *****
  • Сообщений: 2922
Re: Fender rumble 25 preamp
« Ответ #2 : Июля 28, 2016, 17:19:09 »
Tander, интересно попробовать Алембик на полевиках


насколько разница с оригиналом ...и печатки присутствуют ;D

Оффлайн Tander

  • Ветеран форума
  • ******
  • Сообщений: 3732
    • Efremoff
Re: Fender rumble 25 preamp
« Ответ #3 : Июля 28, 2016, 17:24:13 »
Пробовали. Неплохо.

... и добавил:

Только поты в 10 раз меньше, кондеры перед ними в 10 раз больше. Так шумит меньше ощутимо
« Последнее редактирование: Июля 28, 2016, 17:26:06 от Tander »

Оффлайн u-mix

  • Эксперт
  • *****
  • Сообщений: 2922
Re: Fender rumble 25 preamp
« Ответ #4 : Июля 28, 2016, 17:29:57 »
Tander, на забугорных форумах рекомендуют поднять напругу до 18 вольт

Оффлайн alkuz

  • Ветеран форума
  • ******
  • Сообщений: 4481
  • Зарегистрированный
    • http://
Re: Fender rumble 25 preamp
« Ответ #5 : Июля 28, 2016, 19:08:12 »
В общем вспомнил замечательный Fender rumble...
Хм... Впервые на моей памяти ктото похвалил это... скажем так, изделие   :crazy:

Оффлайн u-mix

  • Эксперт
  • *****
  • Сообщений: 2922
Re: Fender rumble 25 preamp
« Ответ #6 : Июля 28, 2016, 19:33:15 »
Tander, хотел бы соеденить две темы...эту и схему и выходник из темы по гибридному комбо...
имея пред по схеме



и выложенный Вами оконечник мы можем с меньшей кровью получить "заветные 100Вт почти лампового звука" ;D

Оффлайн alkuz

  • Ветеран форума
  • ******
  • Сообщений: 4481
  • Зарегистрированный
    • http://
Re: Fender rumble 25 preamp
« Ответ #7 : Июля 28, 2016, 21:34:15 »
Всегда полагал, что для басового преампа, одним из ключевых параметров является вариативность. А вы что-то все к одной ручке свести пытаетесь  ???

Оффлайн Tander

  • Ветеран форума
  • ******
  • Сообщений: 3732
    • Efremoff
Re: Fender rumble 25 preamp
« Ответ #8 : Июля 28, 2016, 23:12:37 »
Насчет вариативности - все зависит от вкуса и инструмента. Мне очень нравятся алембико/фендеро подобные басовые преды. Но на лампе. На полевиках все же иначей звучит и иначе красит. Я собирал алембикоподобный пред на bf245b с питанием в 27в. Вот там уже было достаточно неплохо. Оконечника на 7293 хватит для занятий дома и домашних концертов, без полной барабанной установки под боком. Больше мощности - либо транзисторный оконечник, либо класс Д.
Еще нравятся ампеговские преды, там где 5ти позиционная середка. :) и кнопочки дип-лоу и ультра хай. Это очень помогает простым инструментам

Оффлайн GeorgeM

  • Ветеран форума
  • ******
  • Сообщений: 5432
  • тайный агент sovietguitars.com на ГП
Re: Fender rumble 25 preamp
« Ответ #9 : Июля 29, 2016, 22:18:47 »
Хм... Впервые на моей памяти ктото похвалил это... скажем так, изделие   :crazy:
а надо сказать неплохо звучит. у нас был рамбл 100, год отработал по кабакам и клубам, потом ушёл вместе с басистом...  ;D