Автор Тема: Фуз фонит только в classic 45, странная ситуация  (Прочитано 1047 раз)

0 Пользователей и 1 Гость просматривают эту тему.

Оффлайн Proks206 Автор темы

  • Опытный
  • ****
  • Сообщений: 588
  • Бог в помощь
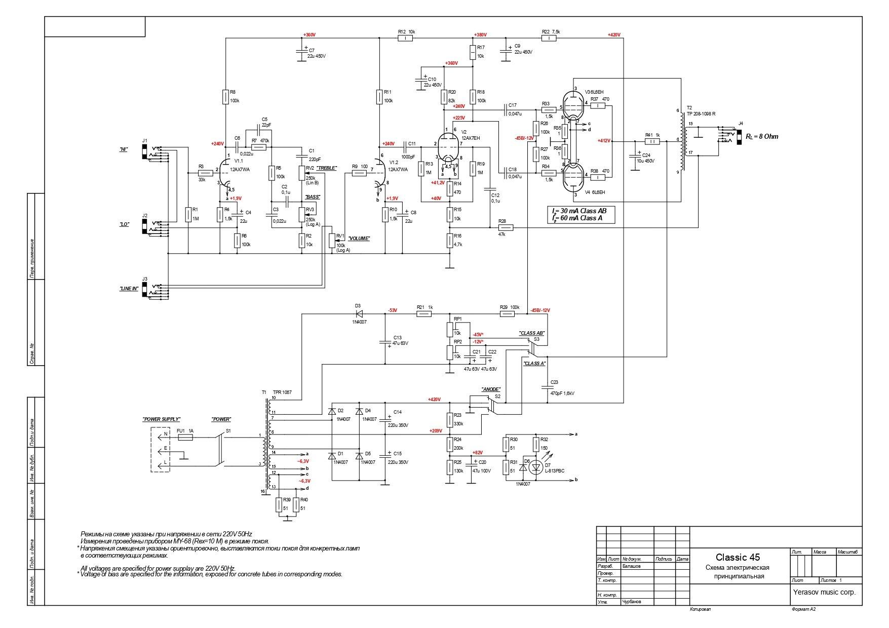
Всем доброго дня! Вобщем такая ситуация, сделал человеку фузз, схему прилагаю, при включении его в комп с плагинами или амт сс20+тьют кейк фона нет, при включении в Ерасов Классик 45 хоть напрямую, хоть через сс20 есть фон, просто сс20 без фуза в него не фонит как и другие педали, в чем может быть подвох? Схемки фуза и классик 45 прилагаю
« Последнее редактирование: Января 12, 2022, 07:54:23 от Proks206 »

Оффлайн Geezer

  • Живу на форуме
  • *******
  • Сообщений: 12749
  • Atypique
Re: Фуз фонит только в classic 45, странная ситуация
« Ответ #1 : Января 12, 2022, 08:16:07 »
Попробуйте запитать фузз от "Кроны" - какой результат?

Оффлайн Proks206 Автор темы

  • Опытный
  • ****
  • Сообщений: 588
  • Бог в помощь
Re: Фуз фонит только в classic 45, странная ситуация
« Ответ #2 : Января 12, 2022, 10:45:33 »
Попробуйте запитать фузз от "Кроны" - какой результат?
Спасибо за идею! Написал клиенту, обещал попробовать

Оффлайн Proks206 Автор темы

  • Опытный
  • ****
  • Сообщений: 588
  • Бог в помощь
Re: Фуз фонит только в classic 45, странная ситуация
« Ответ #3 : Января 16, 2022, 09:23:22 »
Вобщем клиент попробовал запитать от батарейки, ситуация не изменилась, фон чуть уменьшился, но не принципиально

Оффлайн Geezer

  • Живу на форуме
  • *******
  • Сообщений: 12749
  • Atypique
Re: Фуз фонит только в classic 45, странная ситуация
« Ответ #4 : Января 16, 2022, 10:01:40 »
Цитировать
фон чуть уменьшился, но не принципиально

А если на гитаре Volume выкрутить в 0, фон исчезает или всё-таки остаётся?
Возможно у примуса есть какая-то погрешность или с землёй, или с экранировкой.
Транзисторы в схеме какие стоят?

Оффлайн Proks206 Автор темы

  • Опытный
  • ****
  • Сообщений: 588
  • Бог в помощь
Re: Фуз фонит только в classic 45, странная ситуация
« Ответ #5 : Января 16, 2022, 10:16:25 »
Спасибо, попробуем, но вобще странно что проблема именно в комбик даже через отдельный пред пред, через который в другой усилок фона нет, я бы конечно померял сопротивления между землями, но педаль к сожалению не у меня

Оффлайн sda00

  • Эксперт
  • *****
  • Сообщений: 2526
  • смотрю на стриптиз, омаров жуя! не трачу время на форуме я!
Re: Фуз фонит только в classic 45, странная ситуация
« Ответ #6 : Января 16, 2022, 10:19:07 »
А если на гитаре Volume выкрутить в 0, фон исчезает или всё-таки остаётся?
Возможно у примуса есть какая-то погрешность или с землёй, или с экранировкой.
Транзисторы в схеме какие стоят?

↑↑↑ оно самое..
 ???
мне не нра у фузяки вход со сбросом на землю через пот в 5kΩ..
и ещё есть один оч старый прикол с фазой.. если есть возможность перепаять местами провода на выходном джэке гитары – будут изменения или нет в уровне фона? понятно, что с дачнегов идёт переменка, прст бывает, что на выходе педалины фазу перекручивает и, например, при выводе земли на корпус, потом случаются казусы.. эт чисто как ремарка к посту Geezer-а выше..

Оффлайн Geezer

  • Живу на форуме
  • *******
  • Сообщений: 12749
  • Atypique
Re: Фуз фонит только в classic 45, странная ситуация
« Ответ #7 : Января 16, 2022, 10:51:37 »
Цитировать
я бы конечно померял сопротивления между землями

Правильное (с точки зрения прозвонки тестером) соединение является условием необходимым, но недостаточным - земля схемная, земля питания и земля корпуса примочки должны соединяться в одной-единственной точке - на земле входного разъёма.
Как здесь, а это хайгейн на 5 полевиках:
https://disk.yandex.ru/i/JrheewI8hXwwVA

Оффлайн Proks206 Автор темы

  • Опытный
  • ****
  • Сообщений: 588
  • Бог в помощь
Re: Фуз фонит только в classic 45, странная ситуация
« Ответ #8 : Января 16, 2022, 12:25:36 »

↑↑↑ оно самое..
 ???
мне не нра у фузяки вход со сбросом на землю через пот в 5kΩ..
и ещё есть один оч старый прикол с фазой.. если есть возможность перепаять местами провода на выходном джэке гитары – будут изменения или нет в уровне фона? понятно, что с дачнегов идёт переменка, прст бывает, что на выходе педалины фазу перекручивает и, например, при выводе земли на корпус, потом случаются казусы.. эт чисто как ремарка к посту Geezer-а выше..
Ну вот здесь вряд ли человек сможет это сделать
Правильное (с точки зрения прозвонки тестером) соединение является условием необходимым, но недостаточным - земля схемная, земля питания и земля корпуса примочки должны соединяться в одной-единственной точке - на земле входного разъёма.
Как здесь, а это хайгейн на 5 полевиках:
https://disk.yandex.ru/i/JrheewI8hXwwVA
Здесь есть грешок, земля замыкается на корпус на выходном гнезде, а земли самих гнезд соединены между собой через корпус, кстати не написал насчет транзисторов, те же что и на схеме

Оффлайн sda00

  • Эксперт
  • *****
  • Сообщений: 2526
  • смотрю на стриптиз, омаров жуя! не трачу время на форуме я!
Re: Фуз фонит только в classic 45, странная ситуация
« Ответ #9 : Января 16, 2022, 13:03:37 »
Ну вот здесь вряд ли человек сможет это сделать
???
если нет опции перебросить местами пайку на одном из джеков патч-корда или на выходном гнезде, чтобы на фазу посмотреть без осциллографа, то, возможно, что поставив перед фузом какой-нить годный буфер (ту же DS1 в байпасе) получится что-то.. хотя сам в этом не уверен.. вариант сугубо "от безысходности", т.к. бывало, что фуз до квакушки и тот же фуз после квакушки – как будто 2 разные педали..    :D

Оффлайн Geezer

  • Живу на форуме
  • *******
  • Сообщений: 12749
  • Atypique
Re: Фуз фонит только в classic 45, странная ситуация
« Ответ #10 : Января 16, 2022, 14:39:05 »
Цитировать
Здесь есть грешок, земля замыкается на корпус на выходном гнезде, а земли самих гнезд соединены между собой через корпус

Если используются гнёзда не пластиковые, а металлические, то все рекомендации по заземлению звездой на входном разъёме остаются в силе, просто теперь к выходному гнезду не надо тянуть земляной провод, а только лищь один сигнальный, как это сделано здесь (ФуззФэйс на транзисторах 2N3904):

https://disk.yandex.ru/i/DciOqmGMR9VGrQ

Оффлайн Proks206 Автор темы

  • Опытный
  • ****
  • Сообщений: 588
  • Бог в помощь
Re: Фуз фонит только в classic 45, странная ситуация
« Ответ #11 : Января 16, 2022, 16:38:26 »
Вобщем при убирании громкости фон пропадает, с буфером на входе остается. По землям я не тянул земляной провод от входного гнезда к выходному, гнезда металлические, земли соединяются через корпус, но звезда земляная сходится на земляной контакт выходного гнезда

... и добавил:

И еще такой момент, человек отписал что сильный фон через весь педалборд, одна педаль значительно меньше, но все равно фонит, а вот в связку амт сс20 + амт тьюб кейк шума вобще нет
« Последнее редактирование: Января 16, 2022, 16:56:49 от Proks206 »