Автор Тема: Гул на чистом канале Diezel Einstein 50W  (Прочитано 1270 раз)

0 Пользователей и 1 Гость просматривают эту тему.

Оффлайн Iron cross Автор темы

  • Новичок
  • *
  • Сообщений: 13
Гул на чистом канале Diezel Einstein 50W
« : Января 12, 2022, 21:05:43 »
Добрый день.
Помогите знающие люди, а то обратился к местному мастеру в городе Анапа, он не смог помочь.
У меня голова Diezel Einstein 50W. Можно сказать там два канала. На первом канале три режима: клин, кранч и Ритм. На втором канале Хай Гейн.
Сильный гул только на первом канале в режиме клин, в остальных режимах тишина, либо небольшой приемлемый шум. В чем может быть проблема?

Оффлайн VaDeR

  • Эксперт
  • *****
  • Сообщений: 2151
Re: Гул на чистом канале Diezel Einstein 50W
« Ответ #1 : Января 13, 2022, 21:08:13 »
Тему ВВЕРХ!

Ребята помогите парню!

Оффлайн AZG

  • Живу на форуме
  • *******
  • Сообщений: 95541
  • Санкт-Петербург
    • AZG CUSTOM
Re: Гул на чистом канале Diezel Einstein 50W
« Ответ #2 : Января 13, 2022, 21:42:45 »
Так надо живой аппарат смотреть. Гадать  по фотографии тяжеловато. Аппарат относительно редкий и мало кто видел. Хотя пара через руки проходила. Там для начала посмотреть что с электролитами. И т.п.

Оффлайн Алексей Ф

  • Эксперт
  • *****
  • Сообщений: 2261
  • GuitarPlayer.Ru fan!
Re: Гул на чистом канале Diezel Einstein 50W
« Ответ #3 : Января 13, 2022, 21:58:12 »
Если только первый канал, да ещев клине, вряд-ли ародное. Лампы потыкать мелкие, земля где-то хулиганит, коммутация, ну и ещё стопятьсот вариантов... К мастеру, без шансов.

Оффлайн AZG

  • Живу на форуме
  • *******
  • Сообщений: 95541
  • Санкт-Петербург
    • AZG CUSTOM
Re: Гул на чистом канале Diezel Einstein 50W
« Ответ #4 : Января 13, 2022, 22:25:59 »
Рекап там довольно хитрый. Влияет раздельно по каналам.

Оффлайн sda00

  • Эксперт
  • *****
  • Сообщений: 2526
  • смотрю на стриптиз, омаров жуя! не трачу время на форуме я!
Re: Гул на чистом канале Diezel Einstein 50W
« Ответ #5 : Января 14, 2022, 01:04:51 »
Diezel Tube Amp Service Manual V1
см. "Bad filter caps"

Оффлайн Алексей Ф

  • Эксперт
  • *****
  • Сообщений: 2261
  • GuitarPlayer.Ru fan!
Re: Гул на чистом канале Diezel Einstein 50W
« Ответ #6 : Января 14, 2022, 07:51:09 »
Из этого мануала юзер может лишь осмыслить влияние ламп на каналы и попробовать самостоятельно заменить V1,  и то  - судя по описанию проблемы вряд-ли. Что там может с  одной половинкой случится с такими симптомами...
Касательно анодного на первом каскаде - к сильному гулу потеря емкости вряд-ли приведет, скорее к межкаскадным проблемам. Хотя нужно схему глянуть, конечно...

Оффлайн AZG

  • Живу на форуме
  • *******
  • Сообщений: 95541
  • Санкт-Петербург
    • AZG CUSTOM
Re: Гул на чистом канале Diezel Einstein 50W
« Ответ #7 : Января 14, 2022, 07:55:21 »
Алексей Ф, Там эти электролиты сохнут по разному и вполне возможна цепочка до чистого. Но в целом это все отговорки - надо к мастеру.

Оффлайн Алексей Ф

  • Эксперт
  • *****
  • Сообщений: 2261
  • GuitarPlayer.Ru fan!
Re: Гул на чистом канале Diezel Einstein 50W
« Ответ #8 : Января 14, 2022, 09:07:55 »
Ну, там нет ответвлений каких-то отдельных на клин. Соответственно если гудим - то все ))

Оффлайн AZG

  • Живу на форуме
  • *******
  • Сообщений: 95541
  • Санкт-Петербург
    • AZG CUSTOM
Re: Гул на чистом канале Diezel Einstein 50W
« Ответ #9 : Января 14, 2022, 09:15:11 »
Алексей Ф, Когда рекапил, помню отдельно под первые каскады электролит. По другому вроде никто и не делал.

Оффлайн Валентин Гаврилов

  • Эксперт
  • *****
  • Сообщений: 2435
  • Long live Rock-n-Roll !!
Re: Гул на чистом канале Diezel Einstein 50W
« Ответ #10 : Января 14, 2022, 09:17:43 »
Из опыта ремонта ампов , как правило,  сохнет фильтровый конденсатор анодного питания в цепи  1 и второго каскадов . Возникает возбуд по НЧ .    Пару-тройку таких случаев  лично устанавливал.  Замена конденсатора излечивает  амп. Возможно и в данном случае так .  Надо осциллом смотреть.

Оффлайн Алексей Ф

  • Эксперт
  • *****
  • Сообщений: 2261
  • GuitarPlayer.Ru fan!
Re: Гул на чистом канале Diezel Einstein 50W
« Ответ #11 : Января 14, 2022, 09:21:55 »
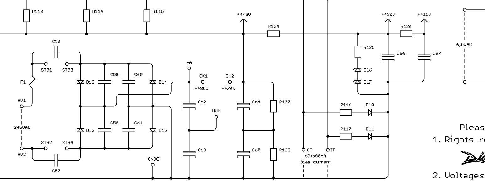
Если верить схеме 5-й версии, то 415в - вообще для всего, кроме фазика. Коммутация выполнена таким образом, что проблем не возникает. Но что там в других версиях я не знаю.
Вообще говоря они нормальный ребята, достаточно сбросить им фото с номером платы и общую инфо по прибору (плюс суть проблемы и просьбу предоставить схему) - и Дизель пришлет вариант схемы для конкретно этого прибора. Ну, без номиналов, и с тараканами вероятно, но работать можно.

Оффлайн AZG

  • Живу на форуме
  • *******
  • Сообщений: 95541
  • Санкт-Петербург
    • AZG CUSTOM
Re: Гул на чистом канале Diezel Einstein 50W
« Ответ #12 : Января 14, 2022, 09:25:46 »
Номиналы не так и долго срисовать - трухолы везде.

Оффлайн Denn

  • Ветеран форума
  • ******
  • Сообщений: 3339
  • είμαι ο μουσικός και ο ραδιομηχανίκός
Re: Гул на чистом канале Diezel Einstein 50W
« Ответ #13 : Января 16, 2022, 21:28:26 »
Мэйби, заброс накала в звуковую цепь клина. Лампы, панельки, живность..