Автор Тема: HELP!!! Проблема с Peavey JSX  (Прочитано 1240 раз)

0 Пользователей и 1 Гость просматривают эту тему.

Оффлайн Stariy Автор темы

  • Завсегдатай
  • ***
  • Сообщений: 257
HELP!!! Проблема с Peavey JSX
« : Августа 15, 2014, 09:07:01 »
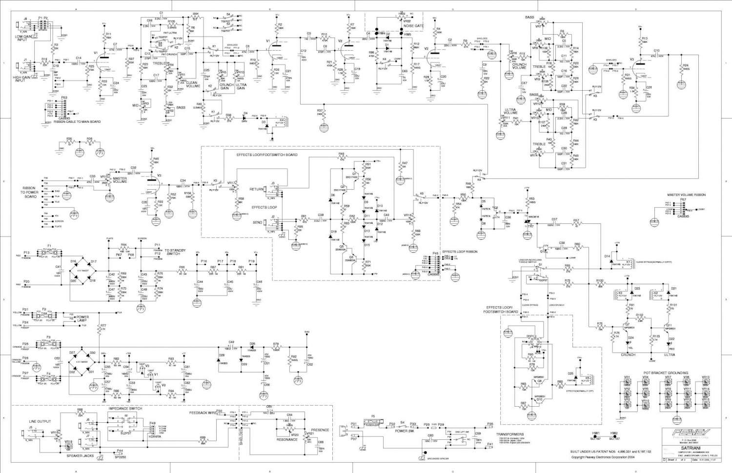
Помогите разобраться! При переключении каналов с Ultra на Crunch наблюдается резкий скачек в громкости, который длится от доли секунд до полуминуты. всегда по разному. А при включенном Loop  канал Ultra  работает нормально, а при переключении на Crunch канал Ultra не отключается, а индикация канала Crunch загорается тускло и звутит канал Ultra.  В чем может быть проблема?1057899-0

... и добавил:

Есть подозрения, что это проблема с релюшками K2, K3 и (или) K5 и (или) с диодами D21, D23, D25.
« Последнее редактирование: Августа 15, 2014, 09:10:33 от Stariy »

Оффлайн AZG

  • Живу на форуме
  • *******
  • Сообщений: 95601
  • Санкт-Петербург
    • AZG CUSTOM
Re: HELP!!! Проблема с Peavey JSX
« Ответ #1 : Августа 15, 2014, 09:11:30 »
Проверять питание и цепи управления.

Оффлайн Stariy Автор темы

  • Завсегдатай
  • ***
  • Сообщений: 257
Re: HELP!!! Проблема с Peavey JSX
« Ответ #2 : Августа 15, 2014, 09:14:16 »
AZG, а в каких точках на схеме, если не сложно скажи пожалуйста? Просто паяльник держать умею, а вот в схемах не особо разбираюсь!

Оффлайн AZG

  • Живу на форуме
  • *******
  • Сообщений: 95601
  • Санкт-Петербург
    • AZG CUSTOM
Re: HELP!!! Проблема с Peavey JSX
« Ответ #3 : Августа 15, 2014, 10:55:08 »
Питание - нижний левый угол. Там мосты нарисованы.

Управление коммутацией - правый нижний угол.

Оффлайн Stariy Автор темы

  • Завсегдатай
  • ***
  • Сообщений: 257
Re: HELP!!! Проблема с Peavey JSX
« Ответ #4 : Августа 18, 2014, 09:05:56 »
Все!!! Разобрался! AZG, СПАСИБО за инфу! Дело оказалось не в бабине)))) С усилком все в норме! Проблема с понижающим трансом (Штиль). Я подключил свой старенький понижающий транс и все нормально заработало! Вот хотим сейчас поставить стабилизатор напряжения на наше реп. базу!

Оффлайн AZG

  • Живу на форуме
  • *******
  • Сообщений: 95601
  • Санкт-Петербург
    • AZG CUSTOM
Re: HELP!!! Проблема с Peavey JSX
« Ответ #5 : Августа 18, 2014, 10:10:00 »
Ну вот еще лучше!