Автор Тема: Хлопок от реле при переключении каналов.  (Прочитано 1831 раз)

0 Пользователей и 1 Гость просматривают эту тему.

Оффлайн Russ Diggy Автор темы

  • Частый посетитель
  • **
  • Сообщений: 174
  • Barcelona
Всем привет!

Собрал макет маршалоида 18 ват с небольшими изменениями, а именно, добавил переключатель каналов , мастер волум и волум на канал драйва.Реле в бай пасе - чистый звук, реле в действии - драйв канал.При переключении с чистого  на драйв - всё тихо, без хлопков , при переключении с драйва на чистый дико хлопает.
Теперь по порядку.
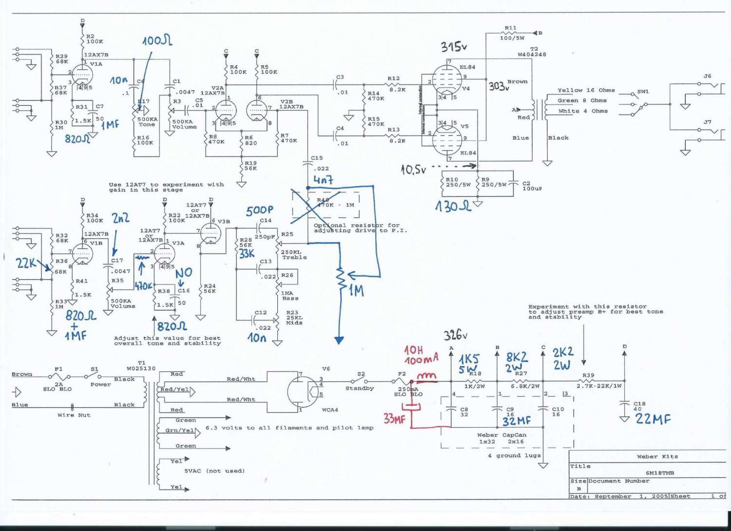
Вот кит переключения
http://www.tube-town.net/ttstore/Kits/Needfull-Things/Kit-Double-Relais-Switcher-6-V::5910.html

В общем я сделал примерно как на схеме , только у меня общий вход на два триода одновременно, С15 на фазике - стоит кондер 100н и одним концом уходит на землю ,после пота высоких на драйв канале поставил пот волума 1М и после кондер на 4н7 , а перед С5 стоит общий мастер волум 1М для двух каналов - сигнал на  мастер волум поступает с общего пина  реле.
Пробывал реле OMRON G6H - 2 и Finder те что из кита - оба варианта хлопают, пробывал подключать на землю второй частью реле - незадействованый канал, не помогает, так же пробывал без подключения на землю - так же без разницы, подключал на землю и с второго реле, во всех вариантах хлопает при переключении с драйва на чистый.
Короче не знаю что ещё испробывать , предпологаю  что сами модели реле не адекватные для этой операции так как пробывал переключать каналы ручным тумблером и нет хлопков.
Так же думаю купить четыре оптокуплера Vactec VTL5C1 и уже через них управлять сигналом, а реле их будет только включать/выключать.

Какие будут идеи? Что посоветуете для бесшумного переключения? Может другие реле?

Спасибо!

... и добавил:


Онлайн Dying Fetus

  • Moderator
  • *****
  • Сообщений: 10310
  • DIYng Fetus
    • http://cathar.ru
Re: Хлопок от реле при переключении каналов.
« Ответ #1 : Октября 15, 2014, 00:43:47 »
Russ Diggy, почему хлопает? Какие потенциалы у тебя на точках переключения? Заряжены ли конденсаторы и висят ли они в байпасе в воздухе?

Просто подумай

Оффлайн Sofa_Guitarrero

  • Опытный
  • ****
  • Сообщений: 712
  • Диванщик! Из палаты мер и весов! BMWMotorrad-труЪ!
Re: Хлопок от реле при переключении каналов.
« Ответ #2 : Октября 15, 2014, 02:13:57 »
Катушки реле обратновключенными диодами окорми.

Оффлайн Bulldozerrr

  • Эксперт
  • *****
  • Сообщений: 2935
Re: Хлопок от реле при переключении каналов.
« Ответ #3 : Октября 15, 2014, 03:55:42 »
Реле скорее всего не при чем.
Вот этот момент смутил
В общем я сделал примерно как на схеме , только у меня общий вход на два триода одновременно, С15 на фазике - стоит кондер 100н и одним концом уходит на землю ,после пота высоких на драйв канале поставил пот волума 1М и после кондер на 4н7 , а перед С5 стоит общий мастер волум 1М для двух каналов - сигнал на  мастер волум поступает с общего пина  реле.Спасибо!
Кондер 4.7нан подперт резистором? или один вывод в воздухе болтается?
Далее, откуда на реле идет сигнал чистого канала? С движка R3?



... и добавил:

Катушки реле обратновключенными диодами окорми.
Диоды там не от того ставят, да и нормально омроны с финдерами и бестарами и без диодов работают.
« Последнее редактирование: Октября 15, 2014, 04:27:50 от Bulldozerrr »

Оффлайн Sofa_Guitarrero

  • Опытный
  • ****
  • Сообщений: 712
  • Диванщик! Из палаты мер и весов! BMWMotorrad-труЪ!
Re: Хлопок от реле при переключении каналов.
« Ответ #4 : Октября 15, 2014, 04:52:59 »

... и добавил:
Диоды там не от того ставят, да и нормально омроны с финдерами и бестарами и без диодов работают.
   А выхлоп самоиндукции волшебным образом излучается в атсрал, а не наводится на сеточные цепи? ;D
Другое дело, что есть реле со встроенными диодами, а есть без них.
 Автор, запаяй 1N4007 навесом, секундное дело.



... и добавил:

  Меня смущает фраза автора, что хлопает он именно на выключении реле.
« Последнее редактирование: Октября 15, 2014, 04:54:44 от Sofa_Guitarrero »

Оффлайн Bulldozerrr

  • Эксперт
  • *****
  • Сообщений: 2935
Re: Хлопок от реле при переключении каналов.
« Ответ #5 : Октября 15, 2014, 04:59:31 »
   А выхлоп самоиндукции волшебным образом излучается в атсрал, а не наводится на сеточные цепи? ;D
Другое дело, что есть реле со встроенными диодами, а есть без них.
Выхлоп самоиндукции обычно излучается в дугу на переключателях коммутирующих питание обмоток реле.
Пробовал и омроны и бестары и финдера малогабаритные, безо всяких диодов, нигде никаких выхлопов самоиндукции ушами не ощущал, там у катушек и индуктивность то смешная. К тому же эти броски токов чаще влияют через цепи питания, если сигнальная схема и схема питания обмоток реле питаются одним источником.
Хотя в даташитике на кит по ТСовской ссылке Финдера диодами обвязаны.
« Последнее редактирование: Октября 15, 2014, 05:15:27 от Bulldozerrr »

Оффлайн Sofa_Guitarrero

  • Опытный
  • ****
  • Сообщений: 712
  • Диванщик! Из палаты мер и весов! BMWMotorrad-труЪ!
Re: Хлопок от реле при переключении каналов.
« Ответ #6 : Октября 15, 2014, 06:05:38 »
Выхлоп самоиндукции обычно излучается в дугу на переключателях коммутирующих питание обмоток реле.
Весь?  ;D
Ждем результатов, но думаю, что нужно устранить как возможную причину, чем потом бороться со следствием.

Оффлайн Russ Diggy Автор темы

  • Частый посетитель
  • **
  • Сообщений: 174
  • Barcelona
Re: Хлопок от реле при переключении каналов.
« Ответ #7 : Октября 15, 2014, 07:07:07 »
вот схема переключательного кита



... и добавил:

сигнал с чистого канала идёт с движка Р3

Оффлайн Bulldozerrr

  • Эксперт
  • *****
  • Сообщений: 2935
Re: Хлопок от реле при переключении каналов.
« Ответ #8 : Октября 15, 2014, 08:55:00 »
вот схема переключательного кита



... и добавил:

сигнал с чистого канала идёт с движка Р3

Да схема то и в ссылке есть и она нормальная, тут важно как эта схема вкорячена в увеселитель. Причем максимально подробно, без недомолвок и непоняток.

Оффлайн Russ Diggy Автор темы

  • Частый посетитель
  • **
  • Сообщений: 174
  • Barcelona
Re: Хлопок от реле при переключении каналов.
« Ответ #9 : Октября 15, 2014, 10:36:00 »
Сейчас на работе, вечером буду дома, отпишусь подробнее, с " разоблачениями" , ни чего не утаю не помилую...  :)

Так как пока что всё на стадии макета, то признаюсь - кит реле держиться на "соплях" , но это в худшем случае генерировало бы шумы и наводки , а не хлопки, а у меня усиль работает хорошо на каждом канале, без наводок, только лишь хлопки при переключении.

Но уже сейчас закрались мысли о том что, оба выхода с каждого канала как бы "висят в воздухе", хотя поты волумов это же и сопротивления к земле одновременно.Или нет?
А может имеет смысл поставить резюк на землю (10М) на выход кондера 4н7 на драйв канале?

Оффлайн Shrila

  • Опытный
  • ****
  • Сообщений: 602
  • हरे कृष्ण
Re: Хлопок от реле при переключении каналов.
« Ответ #10 : Октября 15, 2014, 10:48:17 »
Russ Diggy, почитай вот эту статью, возможно, это как раз то, что тебе поможет.

Оффлайн Russ Diggy Автор темы

  • Частый посетитель
  • **
  • Сообщений: 174
  • Barcelona
Re: Хлопок от реле при переключении каналов.
« Ответ #11 : Октября 15, 2014, 14:12:44 »
Shrila - спасибо за ссылку, почитаю, точнее освежу память, уже был на этом сайте, повторенье - мать ученья  ;)

Оффлайн Мясников

  • Эксперт
  • *****
  • Сообщений: 1861
  • myasnikov-custom.com
    • https://www.youtube.com/channel/UCHZESeK456yYQQXrzjPVB8g
Re: Хлопок от реле при переключении каналов.
« Ответ #12 : Октября 15, 2014, 14:33:24 »
без схемы мьюта прям-ваще-прям идеально тихо на реле может и не быть


Оффлайн Russ Diggy Автор темы

  • Частый посетитель
  • **
  • Сообщений: 174
  • Barcelona
Re: Хлопок от реле при переключении каналов.
« Ответ #13 : Октября 15, 2014, 15:03:47 »
без схемы мьюта прям-ваще-прям идеально тихо на реле может и не быть

Мясников - будь другом , переведи на Русский, а то я что то ни чего не понял, ты уж прости дурака сиволапого, лаптёй щи хлебающего....  :rolleyes:

Оффлайн Shrila

  • Опытный
  • ****
  • Сообщений: 602
  • हरे कृष्ण
Re: Хлопок от реле при переключении каналов.
« Ответ #14 : Октября 15, 2014, 15:11:28 »
Схема мьюта - отключает "звук" на время переключения контактов реле. Например замыкает вход фазика на землю электронным ключем на полевике.