Автор Тема: Хочу спаять дист. Подскажите ключевые моменты  (Прочитано 5560 раз)

0 Пользователей и 1 Гость просматривают эту тему.

Оффлайн Dreamer7575

  • Эксперт
  • *****
  • Сообщений: 1546
Господа электронщеги, я вижу, ваши познания ограничиваются одними лозунгами про тру и не тру. Ответьте, пожалуйста, на вопросы, мне детали надо ехать покупать
Позови AZG!!

Оффлайн Астинус Автор темы

  • Опытный
  • ****
  • Сообщений: 650
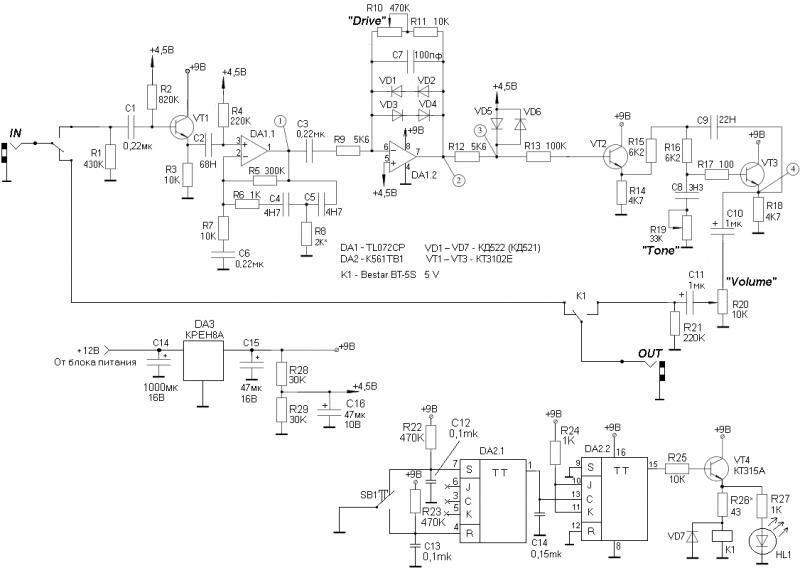
Вот схема, если заинтересует. Может кто прокоментирует чего

Оффлайн Alex Shade

  • Ветеран форума
  • ******
  • Сообщений: 6608
  • Volume и разум
    • Alex Shade Sound Laboratory
а чем плохи керамические кондеры?

1) Чудовищными паразитными параметрами.
2) Гадят в звук.

Тем не менее, многие ведущие производители (от БОССа и Энгла до Lionsound) не гнушаются ставить керамику в тракт. Имхо, они делают это для того, чтобы моддерам тоже досталась своя краюха за улучшение звука их аппаратов.

Оффлайн Shade

  • Живу на форуме
  • *******
  • Сообщений: 37872
  • Гитарный мастер Сураев
а как они выглядят и как их опознать?

Оффлайн Fatallik

  • Меценат
  • *****
  • Сообщений: 946
а как они выглядят и как их опознать?

Оффлайн Shade

  • Живу на форуме
  • *******
  • Сообщений: 37872
  • Гитарный мастер Сураев
спасибо, ты подтвердил мои догадки :)

Оффлайн Астинус Автор темы

  • Опытный
  • ****
  • Сообщений: 650
А как плёночные тогда?

Оффлайн AZG

  • Живу на форуме
  • *******
  • Сообщений: 95544
  • Санкт-Петербург
    • AZG CUSTOM
А как плёночные тогда?

Самый шик

Оффлайн Астинус Автор темы

  • Опытный
  • ****
  • Сообщений: 650
Я имею ввиду как они выглядят? тут же выкладывали фотки керамических.
И взгляните на схему то, может кто уже сталкивался с такой

Оффлайн AZG

  • Живу на форуме
  • *******
  • Сообщений: 95544
  • Санкт-Петербург
    • AZG CUSTOM
Тяжело на http://forum.gtlab.net сходить? Там в популярных темах про конденсаторы. С фотками, описанием и т.п. разжеванностью.

Оффлайн Астинус Автор темы

  • Опытный
  • ****
  • Сообщений: 650
Я не электронщик, и там ничё не понимаю. Схему то прокоментируете http://guitarplayer.ru/index.php?action=dlattach;topic=75918.0;attach=72957

Оффлайн AZG

  • Живу на форуме
  • *******
  • Сообщений: 95544
  • Санкт-Петербург
    • AZG CUSTOM
Астинус, Садись и изучай. Нахрапом ничего не получится.

Оффлайн Астинус Автор темы

  • Опытный
  • ****
  • Сообщений: 650
Я не электронщик, у меня своей специфики работы хватает. Паять то не я же буду, мне звук её нравится

Оффлайн AZG

  • Живу на форуме
  • *******
  • Сообщений: 95544
  • Санкт-Петербург
    • AZG CUSTOM
Тогда пусть паяльщик и воспрошает...

Оффлайн Makaroff

  • Живу на форуме
  • *******
  • Сообщений: 10487
  • DIY - my life
Астинус, Ну раз нравится звук, в путь. Пользуйте нормальные кандеры и оперы лучше питать + - 9В. Есть дс дс преобразователи, которые могут сделать такую напругу.