Автор Тема: ищу схему мода SD-1 в стиле "FAT"  (Прочитано 1089 раз)

0 Пользователей и 1 Гость просматривают эту тему.

Оффлайн foxotik Автор темы

  • Завсегдатай
  • ***
  • Сообщений: 449
  • я приду за тобой....
ищу схему мода SD-1 в стиле "FAT"
« : Июля 30, 2013, 21:58:23 »
ищу схему мода SD-1 в стиле "FAT" желательно с переключателем режимов норм и фат.
гуглить видимо не научился.
если кто дасть подсказочку по схеме буду признателен. :rolleyes:

Оффлайн Ден2

  • Ветеран форума
  • ******
  • Сообщений: 4278
Re: ищу схему мода SD-1 в стиле "FAT"
« Ответ #1 : Июля 30, 2013, 22:17:14 »
Полностью аналогично схеме Fat-мода ts-808/ts-9, в гугле легко ищется.

Оффлайн runing

  • Живу на форуме
  • *******
  • Сообщений: 12572
  • Киев
Re: ищу схему мода SD-1 в стиле "FAT"
« Ответ #2 : Июля 30, 2013, 22:29:50 »
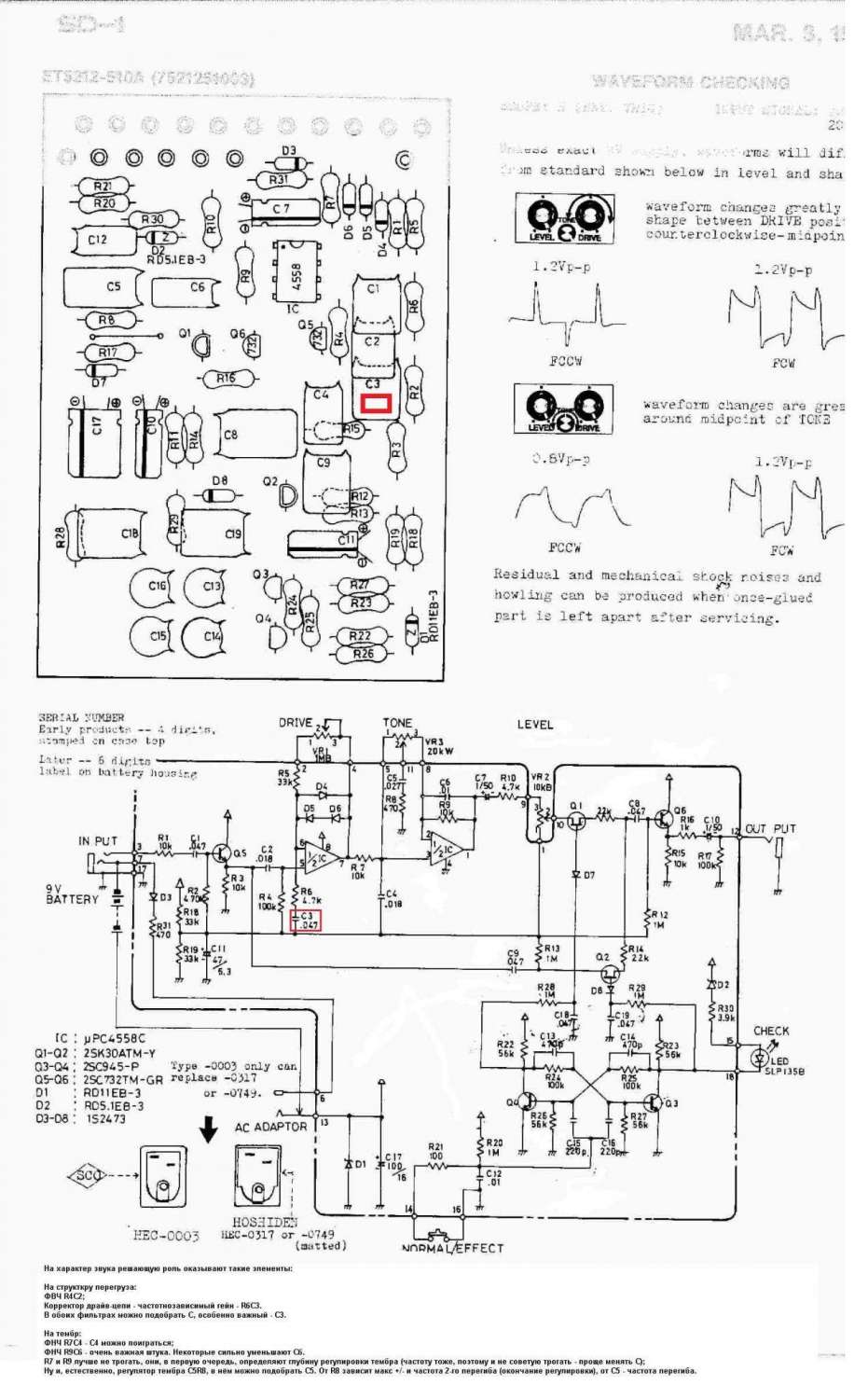
foxotik, тумблером шунтируешь конденсатор С3. Конденсатор выделил красной рамкой.

* boss_SD1 - FAT.jpg (149.5 КБ. 931x1500 - просмотрено 322 раз.)


Оффлайн foxotik Автор темы

  • Завсегдатай
  • ***
  • Сообщений: 449
  • я приду за тобой....
Re: ищу схему мода SD-1 в стиле \"FAT\"
« Ответ #3 : Июля 31, 2013, 06:30:23 »
спасибо! буду пробовать.

... и добавил:

испытания прошли успешно1 но не все.
с сд-1 в режиме грелки "фат-мод"  кранч канал начал захлёбыватся на рифах,но хорошо раздувать ноты на соло
с 808-м(клон) в режиме "фат" всё было ОК!и соло и рифы на ура.правда пришлось полностью перекрутить ручки громкости,тона и гейна.
грелся боггарт при гейне 10-11 часов с гитарой телекастер(нешум. синглы димарзио)
« Последнее редактирование: Июля 31, 2013, 17:21:09 от foxotik »

Оффлайн runing

  • Живу на форуме
  • *******
  • Сообщений: 12572
  • Киев
Re: ищу схему мода SD-1 в стиле "FAT"
« Ответ #4 : Августа 02, 2013, 14:03:41 »
foxotik, тогда нужно не просто шунтировать конденсатор, а собрать цепочку из резистора и конденсатора, которую подключать тумблером к имеющейся.
В схеме обозначил красной стрелкой.

* boss_SD1 - FAT-2.jpg (150.08 КБ. 931x1500 - просмотрено 449 раз.)

В этом случае увеличится гейн и низ.
Если гейн увеличивать не нужно, тогда просто один конденсатор 100нан подключай параллельно к имеющемуся в схеме 47нан.
« Последнее редактирование: Августа 02, 2013, 14:06:42 от runing »

Оффлайн foxotik Автор темы

  • Завсегдатай
  • ***
  • Сообщений: 449
  • я приду за тобой....
Re: ищу схему мода SD-1 в стиле "FAT"
« Ответ #5 : Августа 04, 2013, 17:05:32 »
зделал такую цепочку - вырастает гейн при включении. пока на этом всё. тембрально без перемен.

Оффлайн runing

  • Живу на форуме
  • *******
  • Сообщений: 12572
  • Киев
Re: ищу схему мода SD-1 в стиле "FAT"
« Ответ #6 : Августа 04, 2013, 18:47:08 »
тембрально без перемен.

Я же написал, что если увеличивать гейн нет необходимости, то просто добавляй конденсатор к уже имеющемуся.
Начни со 100нан, если нужно больше, 220нан и т.д. пока не получишь желаемый бас.


пока на этом всё.

Ага и тебе не болеть ;)

Оффлайн Rolly

  • Живу на форуме
  • *******
  • Сообщений: 9084
  • Мнение - не повод получить пулю сразу.
Re: ищу схему мода SD-1 в стиле "FAT"
« Ответ #7 : Августа 04, 2013, 18:53:31 »
Почему бы не подключать добавочный конденсатор параллельно С3? Это, по идее, лучше должно соответствовать задаче: меньше увеличивать гейн, но добавлять баса.

Оффлайн runing

  • Живу на форуме
  • *******
  • Сообщений: 12572
  • Киев
Re: ищу схему мода SD-1 в стиле "FAT"
« Ответ #8 : Августа 04, 2013, 19:00:00 »
Почему бы не подключать добавочный конденсатор параллельно С3? Это, по идее, лучше должно соответствовать задаче: меньше увеличивать гейн, но добавлять баса.

Дык а я что предлагаю? Сначала я просто предложил его шунтировать тумблером, но баса было в избытке, теперь предлагаю подобрать параллельно ему конденсатор для удовлетворительного кол-ва басов.

Оффлайн Rolly

  • Живу на форуме
  • *******
  • Сообщений: 9084
  • Мнение - не повод получить пулю сразу.
Re: ищу схему мода SD-1 в стиле "FAT"
« Ответ #9 : Августа 04, 2013, 19:05:35 »
runing, немного невнимательно читал.