Автор Тема: ISP Desimator G-string, есть вопросы по настройке  (Прочитано 2233 раз)

0 Пользователей и 1 Гость просматривают эту тему.

Оффлайн Proks206 Автор темы

  • Опытный
  • ****
  • Сообщений: 588
  • Бог в помощь
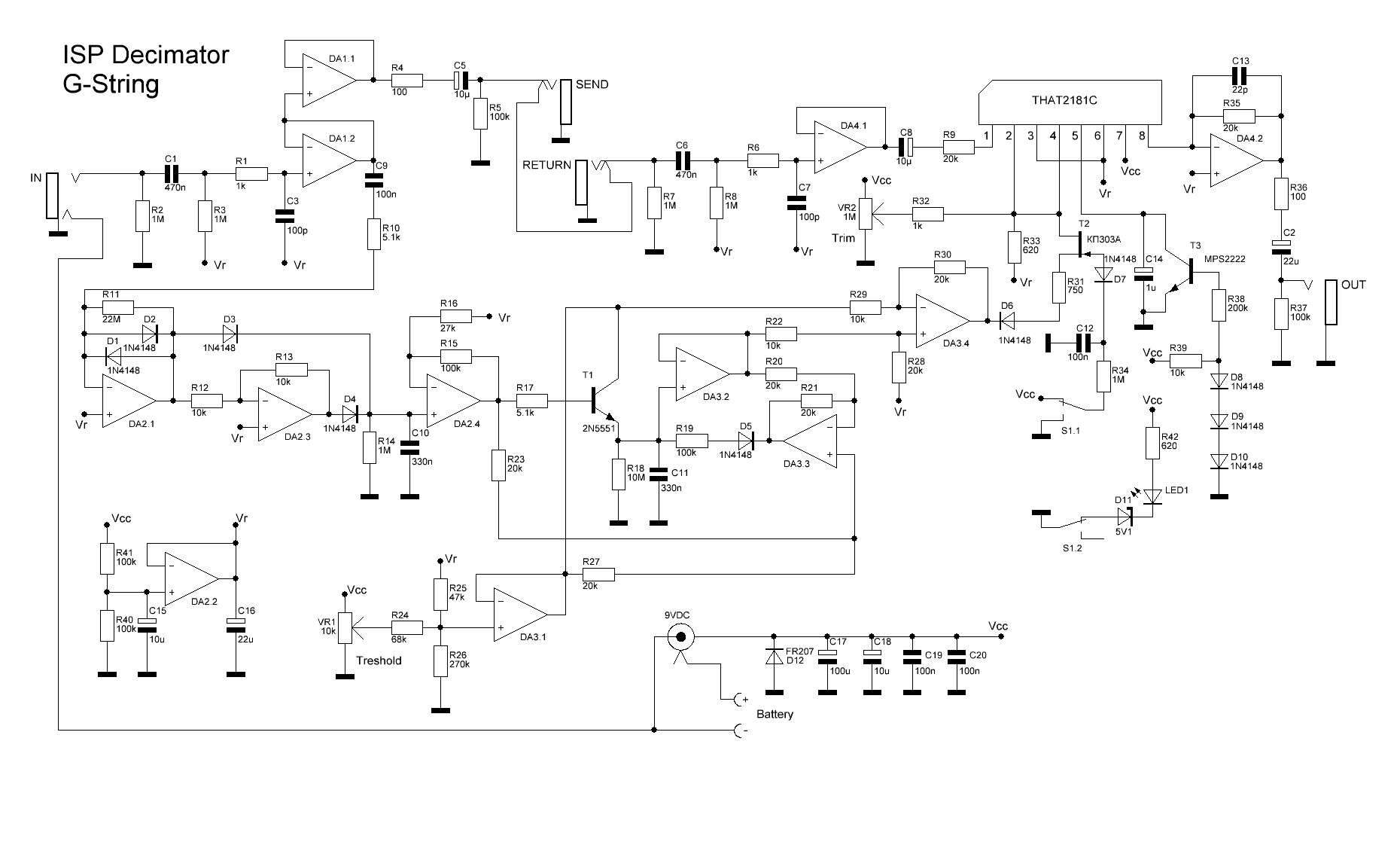
Всем добрый день! Нашел вот такую лейку и схемку на Desimator g string, хочу добавить на плату сразу все гнезда и кнопку с диодом, но по схеме не могу понять как же организован байпас, он тут не тру, тру щелкает поговаривают. На схеме из переключателей вижу S1.1 и S1.2, ну второй понятно что включает диод индикации, а вот первый это есть байпас как я понимаю? Если кто пробовал подскажите, сильно ли поганит звук такое решение и действительно ли щелкает тру байпас?
« Последнее редактирование: Сентября 22, 2016, 13:42:01 от Proks206 »

Оффлайн Прохожий_

  • Эксперт
  • *****
  • Сообщений: 1955
    • Звукозапись и создание музыки
Re: ISP Desimator G-string помогите разобраться с байпасом
« Ответ #1 : Августа 03, 2016, 11:07:56 »
Да, вот этот самый переключатель. При включении байпасса просто блокируется управляющий сигнал и THAT2181 работает как повторитель. Поганит ли он звук - не замечал (у меня собран по этой схеме).

Про тру байпасс - хз. Там вроде 2м резисторы ставят, чтоб щелчков не было. Ребята поправят если я что-то путаю.
Наверное, проще сразу 3dpdt кнопку взять и попробовать оба варианта.

Оффлайн Proks206 Автор темы

  • Опытный
  • ****
  • Сообщений: 588
  • Бог в помощь
Re: ISP Desimator G-string помогите разобраться с байпасом
« Ответ #2 : Августа 03, 2016, 11:54:08 »
При включении байпасса просто блокируется управляющий сигнал и THAT2181 работает как повторитель. Поганит ли он звук - не замечал (у меня собран по этой схеме).
Спасибо! Кроме THAT2181 при байпасе сигнал проходит через 4 операционника и кучу фильтром, потому вопрос и возник о практическом опыте

Оффлайн Proks206 Автор темы

  • Опытный
  • ****
  • Сообщений: 588
  • Бог в помощь
Re: ISP Desimator G-string помогите разобраться с байпасом
« Ответ #3 : Августа 28, 2016, 22:51:16 »
Итак собрал наконец этот шумодав, он сразу заработал но возникли некоторые вопросы, во первых если педаль Дисторшн включить перед ним в Гитар Ин и из Гитар Аут в усилитель то звук педали становится очень тихим, практически не слышным даже в байпасе, а вот клин с гитары проходит нормально, если ставить дист после шумодава или в петлю шумаодава то все отлично работает, шумы убирает, даже частично в байпасе. Теперь про байпас, он довольно прилично поджирает высоких частот, особенно заметно на страте, это нормально, в оригинальной педали так же? Теперь по транзисторам, возможно дело кроется в них, вместо MPS2222 я поставил 2N5551, а вместо КП303 - J201.

Оффлайн Прохожий_

  • Эксперт
  • *****
  • Сообщений: 1955
    • Звукозапись и создание музыки
Re: ISP Desimator G-string помогите разобраться с байпасом
« Ответ #4 : Августа 29, 2016, 11:35:00 »
во первых если педаль Дисторшн включить перед ним в Гитар Ин и из Гитар Аут в усилитель то звук педали становится очень тихим, практически не слышным даже в байпасе, а вот клин с гитары проходит нормально, если ставить дист после шумодава или в петлю шумаодава то все отлично работает, шумы убирает, даже частично в байпасе.

Всё правильно.

Цитировать
Теперь про байпас, он довольно прилично поджирает высоких частот, особенно заметно на страте, это нормально, в оригинальной педали так же? Теперь по транзисторам, возможно дело кроется в них, вместо MPS2222 я поставил 2N5551, а вместо КП303 - J201.
Транзисторы не стоят в цепи звука, дело точно не в них. Если ошибок при сборке не было (c3, c7, c13 точно нужных номиналов?), возможно, тру байпасс единственное решение.

Оффлайн Proks206 Автор темы

  • Опытный
  • ****
  • Сообщений: 588
  • Бог в помощь
Re: ISP Desimator G-string помогите разобраться с байпасом
« Ответ #5 : Августа 29, 2016, 12:44:45 »
Всё правильно.
Транзисторы не стоят в цепи звука, дело точно не в них. Если ошибок при сборке не было (c3, c7, c13 точно нужных номиналов?), возможно, тру байпасс единственное решение.
Ну вот и я думаю, транзисторы тут как ключи работают, еще раз проверю цепь байпаса, ну и отмою флюс, может он где картину подпортил и проверю, вобще по отзывам знакомого, владевшего оригиналом, у него байпас ничего не поджирал

... и добавил:

Проблему решил, стал все перепроверять и нашел конденсатор в цепи байпаса, вместо 100р впаял 100n, там как раз пятачек металлизации попал на букву р и откусил ее нижнюю часть, вот я и подумал когда собирал что 100n. Вобщем теперь байпас ничего не поджирает, звук отличный, шум давит что надо!
« Последнее редактирование: Августа 29, 2016, 22:30:52 от Proks206 »

Оффлайн Proks206 Автор темы

  • Опытный
  • ****
  • Сообщений: 588
  • Бог в помощь
Re: ISP Desimator G-string помогите разобраться с байпасом
« Ответ #6 : Сентября 07, 2016, 23:13:21 »
Кто крутил данную педальку или собирал, не совсем пойму, толи я выходы перепутал, толи что, я так понимаю Send на схеме это Dec IN, а Rеturn - Dec Out? вобщем как она может работать с последовательной петлей эффектов у усилителя, убивая шумы преампа не пойму, получается просто разрыв цепи?
2146520-0

Оффлайн Proks206 Автор темы

  • Опытный
  • ****
  • Сообщений: 588
  • Бог в помощь
Re: ISP Desimator G-string, есть вопросы по настройке
« Ответ #7 : Сентября 22, 2016, 13:46:33 »
У педальки вылез новый баг, стал подгружаться клин, посоветовал клиенту покрутить подстроечник, он все подстроил, сказал теперь нормально, через час отписался что опять началось, подстроечник стоит на месте, в чем может быть еще причина, может кто сталкивался?

Оффлайн Proks206 Автор темы

  • Опытный
  • ****
  • Сообщений: 588
  • Бог в помощь
Re: ISP Desimator G-string, есть вопросы по настройке
« Ответ #8 : Ноября 22, 2016, 08:52:03 »
Выявлено что цепь байпаса начинает противно подгружаться и трещать если включать педаль после нахождения на холоде, даже не на морозе, а при температуре в районе нуля. При нагревании прибора до 20-25 градусов баги исчезают и никак не проявляют себя. Грешил на гнезда, непропай, в конце концов на баги полевика КП303Б, полевик сменил на J201, гнезда менял, контактыы еще раз пропаял, но баг все еще проявляется, от чего еще может быть?

Оффлайн Ден2

  • Ветеран форума
  • ******
  • Сообщений: 4278
Re: ISP Desimator G-string, есть вопросы по настройке
« Ответ #9 : Ноября 22, 2016, 08:55:51 »
Конденсат, не?

Оффлайн Proks206 Автор темы

  • Опытный
  • ****
  • Сообщений: 588
  • Бог в помощь
Re: ISP Desimator G-string, есть вопросы по настройке
« Ответ #10 : Ноября 22, 2016, 09:00:43 »
Что с конденсатом, что без, вылазит этот противный зуд, причем в цепочке байпаса от гнеда Return до Out, если усилитель воткнуть в гнездо Send то все отлично

Оффлайн Proks206 Автор темы

  • Опытный
  • ****
  • Сообщений: 588
  • Бог в помощь
Re: ISP Desimator G-string, есть вопросы по настройке
« Ответ #11 : Ноября 24, 2016, 06:58:54 »
Вобщем то нашел вроде бы косяк, в цепи питания на печатке стоит резистор 100 ом, и вот на нем ввиду большого количества микросхем напряжение падает с 9 до 6 вольт, убрал его вроде бы теперь этот подгруз не обнаруживается, пока тестирую, но и раньше не было подгруза, пока педаль как следует не охладить, то-есть придя с улицы сразу включить, вобщем не знаю почему косяк вылезал при пониженном напряжении, но сейчас все нормально вроде бы

Оффлайн Прохожий_

  • Эксперт
  • *****
  • Сообщений: 1955
    • Звукозапись и создание музыки
Re: ISP Desimator G-string, есть вопросы по настройке
« Ответ #12 : Ноября 25, 2016, 06:00:14 »
Вобщем то нашел вроде бы косяк, в цепи питания на печатке стоит резистор 100 ом, и вот на нем ввиду большого количества микросхем напряжение падает с 9 до 6 вольт, убрал его вроде бы теперь этот подгруз не обнаруживается, пока тестирую, но и раньше не было подгруза, пока педаль как следует не охладить, то-есть придя с улицы сразу включить, вобщем не знаю почему косяк вылезал при пониженном напряжении, но сейчас все нормально вроде бы

Это серьёзная ошибка. Его нет в схеме, но зачем то есть на печатке, да ещё и последовательно с диодом. А если диод обычный выпрямительный стоит, то это даёт ещё 0.5в падения.

Оффлайн Proks206 Автор темы

  • Опытный
  • ****
  • Сообщений: 588
  • Бог в помощь
Re: ISP Desimator G-string, есть вопросы по настройке
« Ответ #13 : Февраля 13, 2017, 12:50:10 »
А нет ли у кого схемки или соображения куда впаивать гнезда link in и link out, встал вопрос о сборке стерео шумодава в одном корпусе, есть схема от Isp как это реализуется при соединении двух педалей, а вот как совместить в одном блоке незная где эти гнезда, не понимаю пока