Автор Тема: Испугал свой DS-1  (Прочитано 1106 раз)

0 Пользователей и 1 Гость просматривают эту тему.

Оффлайн Vahagn Автор темы

  • Эксперт
  • *****
  • Сообщений: 1364
    • мой myspace
Испугал свой DS-1
« : Декабря 25, 2010, 23:39:09 »
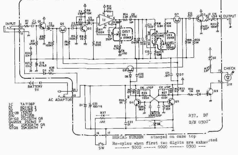
Собственно год назад замодил свой BOSS DS-1 комплектом Roxx Tri Gain Mod, звук хороший и все такое.))
Вчера по ошибке включил блок питания с обратной полярностью да еще и в 12 вольт. Вообщем после этого педаль стала жрать новый дюрасел за полтора часа. СНачала вообще не было звука и на мое письмо ,мужик, что продает эти комплекты сказал что возможно полетел один из операциоников и рекомендовал снять одну и проверить так.. (там один сдвоеный заменяется на 2 на панельке). Проверил, все работает оказалось просто был слабый контакт, но проблема с батарейкой осталась. Диод  Д1  проверял, кондер С23 вообще заменил
 на новый. все равно губит батарею.
что делать , кроме как сухари сушить?

Оффлайн JoeDominges

  • Эксперт
  • *****
  • Сообщений: 1120
Re: Испугал свой DS-1
« Ответ #1 : Декабря 26, 2010, 06:34:41 »
Я бы для начала именно поменял бы D1 для надежности. Это ведь несложнее (да даже проще и дешевле), чем замена конденсатора. Полагаю, что туда пойдет самый обычный слаботочный 1N4148, ведь на звук он вообще никак не влияет.
« Последнее редактирование: Декабря 26, 2010, 06:36:52 от JoeDominges »

Онлайн Vlds

  • Эксперт
  • *****
  • Сообщений: 2621
Re: Испугал свой DS-1
« Ответ #2 : Декабря 26, 2010, 08:34:17 »
проверь D3,R38 и C15

Оффлайн Vahagn Автор темы

  • Эксперт
  • *****
  • Сообщений: 1364
    • мой myspace
Re: Испугал свой DS-1
« Ответ #3 : Декабря 26, 2010, 11:39:26 »
спасибо ..други) сейчас попробую..

Оффлайн AZG

  • Живу на форуме
  • *******
  • Сообщений: 95657
  • Санкт-Петербург
    • AZG CUSTOM
Re: Испугал свой DS-1
« Ответ #4 : Декабря 26, 2010, 11:40:44 »
Все же D1 - защитный диод. Выпаять и проверить сугубо с батарейкой. Заменить желательно на такой же, на то он и защитный. На край все же 1N4001, чтобы не вышибало просто так.

Оффлайн Vahagn Автор темы

  • Эксперт
  • *****
  • Сообщений: 1364
    • мой myspace
Re: Испугал свой DS-1
« Ответ #5 : Декабря 26, 2010, 12:31:20 »
Спасибо большое.
сделал ))) все проверил, все работало, Д1 и С15 вообще заменил.
Обнаружил следующее, при вытаскивании микросхемной сборки(там 2 на панельке) естесственно потребление уменьшилось, светодиод загорелся как надо, далее втюхал бывшуюмикросхему, - то же горит как надо, вытащил одну микросхему с панели и проверил так - тоже все ок,, то же с другой микросхемой.. поставил оба, еле светит...((((

Оффлайн MUTER

  • Новичок
  • *
  • Сообщений: 61
Re: Испугал свой DS-1
« Ответ #6 : Декабря 28, 2010, 21:54:40 »
Нае-сь  одна микруха скорее всего , ставь родную и не парься . Подобные моды - хрень полная , развод
« Последнее редактирование: Декабря 28, 2010, 21:58:32 от MUTER »

Оффлайн Vahagn Автор темы

  • Эксперт
  • *****
  • Сообщений: 1364
    • мой myspace
Re: Испугал свой DS-1
« Ответ #7 : Декабря 28, 2010, 22:11:14 »
Спасибо уже выяснил) сам производитель оказывается предупреждал что с таким модом батареек не хватит, предложил для случая с батарейкой снять одну микросхему !!!!!!!!!!!!   но что касается звука, - точно не развод уши то имеются ))

вот они
http://www.monteallums.com/pedal_mods.html

Оффлайн MUTER

  • Новичок
  • *
  • Сообщений: 61
Re: Испугал свой DS-1
« Ответ #8 : Декабря 28, 2010, 22:22:48 »
Ну и ладненько - работает- нравится - ок !!!