Автор Тема: Как настраивать ламповый преамп?  (Прочитано 2968 раз)

0 Пользователей и 1 Гость просматривают эту тему.

Оффлайн Дмитрий Артеев Автор темы

  • Новичок
  • *
  • Сообщений: 8
  • GuitarPlayer.Ru fan!
Как настраивать ламповый преамп?
« : Марта 31, 2014, 11:17:49 »
Привет ребя! Вот собрал себе Энгл Скример от АЗГ, ну и как всегда вроде всё работает, а звук попёрдывает, особенно на низких нотах. Я никак не могу понять как его настроить. У меня есть осцилограф, генератор и тп. Первые 3 каскада ведут себя хорошо, а на четвёртом сильное ограничение сверху. Когда я меняю анодный резистор ничо особо не меняется. И вообще какой должен быть сигнал на 4 каскаде (шестая нога лампы). И кстати ограничение сверху усиливаеться когда  я подсоединяю темброблок! Спс!

Оффлайн runing

  • Живу на форуме
  • *******
  • Сообщений: 12572
  • Киев
Re: Как настраивать ламповый преамп?
« Ответ #1 : Марта 31, 2014, 11:59:41 »
Дмитрий Артеев, ты выложи схему того, чего собирал и желательно звуковой пример артефактов.

Оффлайн Дмитрий Артеев Автор темы

  • Новичок
  • *
  • Сообщений: 8
  • GuitarPlayer.Ru fan!
Re: Как настраивать ламповый преамп?
« Ответ #2 : Марта 31, 2014, 12:41:40 »
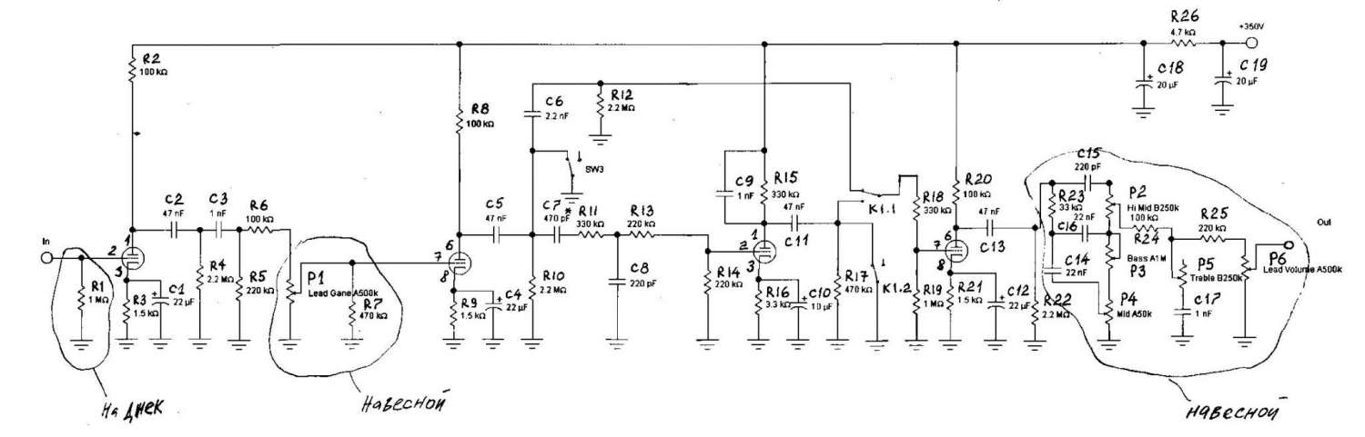
1021886-0
Вот схема, но больше всего меня интересует, какая последовательность действий при отладке любого преампа. Куда надо тыкать осцилом, что должно получиться, почему где то резистор анодный 100к, а где то 330к , а их меняешь - разницы нет особой!

Оффлайн runing

  • Живу на форуме
  • *******
  • Сообщений: 12572
  • Киев
Re: Как настраивать ламповый преамп?
« Ответ #3 : Марта 31, 2014, 12:50:26 »
больше всего меня интересует, какая последовательность действий при отладке любого преампа.

Ты будешь смеяться, но при исправных деталях и отсутствии ошибки при сборке, преампы не нуждаются в отладке. Учитывая, что его схему ты не сам придумал, а это уже проверенный продукт.

На схеме что ты выложил, нужно проставить напряжения на каждом аноде и катоде и поточнее опиши, какие у тебя претензии к звуку.

Оффлайн AZG

  • Живу на форуме
  • *******
  • Сообщений: 95670
  • Санкт-Петербург
    • AZG CUSTOM
Re: Как настраивать ламповый преамп?
« Ответ #4 : Марта 31, 2014, 12:56:38 »
SW3 убрать из схемы, если нужен только перегруз.

Проверять утечку всех конденсаторов на анодах. Плюс тщательно проверить катодные цепи и возможный отрыв сеток от привязки к земле.

Оффлайн Дмитрий Артеев Автор темы

  • Новичок
  • *
  • Сообщений: 8
  • GuitarPlayer.Ru fan!
Re: Как настраивать ламповый преамп?
« Ответ #5 : Марта 31, 2014, 13:12:32 »
sw3 я не убирал, на кранче тоже играю) кстати и на нём тоже попёрдывание-нечёткость. Вот напруги:
1каскад - 209в 1.6в
2- 212в 1.55в
3- 155в 1.4в
4- 215в 1.5в   
 А не нравиться мне в звуке то что, например, если взять диссонирующий аккорд да ещё и с глушением - такой гул(гуд) неприятный.

Оффлайн AZG

  • Живу на форуме
  • *******
  • Сообщений: 95670
  • Санкт-Петербург
    • AZG CUSTOM
Re: Как настраивать ламповый преамп?
« Ответ #6 : Марта 31, 2014, 13:18:01 »
SW3 используется как мют когда включен чистый. Для режимов кранч/лид от этого переключателя толку нет, т.к. мютит весь перегруз.

Вопрос по существу - куда и как подключается этот преамп? Это по сути ОСНОВА для понимания проблемы.

Оффлайн Дмитрий Артеев Автор темы

  • Новичок
  • *
  • Сообщений: 8
  • GuitarPlayer.Ru fan!
Re: Как настраивать ламповый преамп?
« Ответ #7 : Марта 31, 2014, 13:27:02 »
Да, переключатель кранч-лид  я немного переделал там всё ок, да и пробовал напрямую без него всё одно. Подключаю в самодельный комбик) на одной микросхеме с целестионом, с примочками он класно звучит.  И на осцилографе видно что на последнем каскаде синусоида больно кривая.

... и добавил:

Просто когда настраиваешь что нибуть транзисторное там подбираешь смещение , делаешь чтоб ограничения были равномерными, вобщем там всё понятно, а тут хрен знает чо куда крутить!
« Последнее редактирование: Марта 31, 2014, 13:30:52 от Дмитрий Артеев »

Оффлайн AZG

  • Живу на форуме
  • *******
  • Сообщений: 95670
  • Санкт-Петербург
    • AZG CUSTOM
Re: Как настраивать ламповый преамп?
« Ответ #8 : Марта 31, 2014, 13:41:01 »
Дмитрий Артеев, Схема при нормальных напряжениях работает сразу и как надо. Ничего настраивать не требуется. Все косяки только из-за монтажа, невнимательности и комплектации. Поэтому и рекомендуем проверить эти моменты.

Перед гейном конденсатор 1н срезает весь лишний низ и пропердывать и т.п. не должно. Тем более именно Скример не отличается каким-либо мощным низом. Искажения на 4-м каскаде по любому будут, т.к. усиление большое и мы на канале перегруза.

Оффлайн Дмитрий Артеев Автор темы

  • Новичок
  • *
  • Сообщений: 8
  • GuitarPlayer.Ru fan!
Re: Как настраивать ламповый преамп?
« Ответ #9 : Марта 31, 2014, 13:45:16 »
Спс Азг, ну а если например собираешь месу а там 450 вольт анодки, а у тебя только 250, там тоже ничо не надо будет менять?

Оффлайн sadky

  • Эксперт
  • *****
  • Сообщений: 2677
Re: Как настраивать ламповый преамп?
« Ответ #10 : Марта 31, 2014, 13:56:07 »
Дмитрий Артеев,
А питание,кстати, как на схеме -  +350вольт?

Оффлайн Дмитрий Артеев Автор темы

  • Новичок
  • *
  • Сообщений: 8
  • GuitarPlayer.Ru fan!
Re: Как настраивать ламповый преамп?
« Ответ #11 : Марта 31, 2014, 14:00:03 »
Питание 335 вольт. а накал 5.7 вольт - это нормально, а то пофанывает немного от накала?

Оффлайн runing

  • Живу на форуме
  • *******
  • Сообщений: 12572
  • Киев
Re: Как настраивать ламповый преамп?
« Ответ #12 : Марта 31, 2014, 14:02:19 »
Дмитрий Артеев, повидимому твой оконечник на микросхеме имеет широкую полосу по низу.
Попробуй конденсаторы С11 и С13 уменьшить в два раза. Поставь вместо 47нан по 22нана.
Если станет лучше, но не достаточно, то С11 можно уменьшить ещё.

Оффлайн sadky

  • Эксперт
  • *****
  • Сообщений: 2677
Re: Как настраивать ламповый преамп?
« Ответ #13 : Марта 31, 2014, 14:37:44 »
Дмитрий Артеев,
Пофанывает от накала не потому, что он слегка занижен. Он у вас подпёрт анодкой?

Оффлайн AZG

  • Живу на форуме
  • *******
  • Сообщений: 95670
  • Санкт-Петербург
    • AZG CUSTOM
Re: Как настраивать ламповый преамп?
« Ответ #14 : Марта 31, 2014, 15:15:46 »
Дмитрий Артеев, Ну если 250 вместо 450, то надо корректировать. Но обычно так никто не делает. Есть типовые напряжения работы в пределах 300-400В. В этих пределах ничего перенастраивать не надо, небольшая разница только по динамике.

335В вполне адекватно. Накал занижен.