Автор Тема: Как собрать Mesa Mark 2C, незаметно для санитаров. Выбор/приобретение деталей.  (Прочитано 19583 раз)

0 Пользователей и 1 Гость просматривают эту тему.

Оффлайн AZG

  • Живу на форуме
  • *******
  • Сообщений: 95553
  • Санкт-Петербург
    • AZG CUSTOM
surfin bird, Главное контекстно по топику писать. Соответствует.  ;)

Оффлайн surfin bird Автор темы

  • Эксперт
  • *****
  • Сообщений: 2968
  • Поциент-заМКАДыш
    • Surfin Bird
surfin bird, Главное контекстно по топику писать. Соответствует.  ;)
Можно и рихтануть влегкую, за недорого ;D
« Последнее редактирование: Сентября 12, 2019, 10:26:04 от surfin bird »

Оффлайн Dimon21

  • Частый посетитель
  • **
  • Сообщений: 138
  • GuitarPlayer.Ru fan!
Тут такое дело. Собрал GEq на трех 2n3904 и одном 2n2907a. ( это по марку 5 буфер - но я думаю не в этом суть ...)
Подсоеденил этот буфер к питанию для питания реле переключения каналов.
До стабилизатора ( 20 вольт ) - гул, без звука.
После стабилизатора ( 12 вольт ) - всё работает
В чем причина "не работы" до стаба?
Хватит ли 12в для eq буферов? Работает всё хорошо
И можно ли так питать eq - от питания релюшек, или нужна другая обмотка транса?
« Последнее редактирование: Января 11, 2022, 15:51:38 от Dimon21 »

Оффлайн AZG

  • Живу на форуме
  • *******
  • Сообщений: 95553
  • Санкт-Петербург
    • AZG CUSTOM
Dimon21, Видать питание совсем грязное до стаба. Там не надо жалеть емкость. И лучше добавить дополнительный фильтр чтобы отвязать от первичного питания. ну будет вольт 18, не страшно.

Вообще у Месы питание эквалайзера когда как. Классика - отрицательное от цепей смещения. Но так же встречается и положительное от 12 до 36В. Плюс как в Триаксисе, вообще на ОУ с однополярным питанием.

Я сам строил на 2N3904 и 2N3906, питание от цепей коммутации 24В с развязывающим фильтром. В реалии получилось 22В. Никакого влияния на звук от коммутации нет. Все чистенько и хорошо. По звуку никаких претензий.

Оффлайн Dimon21

  • Частый посетитель
  • **
  • Сообщений: 138
  • GuitarPlayer.Ru fan!
Спс AZG.
Попробую пока на 12в питать EQ.
А вот какие выбрать ползунки ( или поты ) 50к для регулирования частот?
Склоняюсь к этим:
http://diy-tubes.ru/index.php?route=product/product&path=25_63&product_id=408
или этим
http://diy-tubes.ru/index.php?route=product/product&path=25_63&product_id=410
Или не стоит их брать, а взять просто поты В50К?

Оффлайн AZG

  • Живу на форуме
  • *******
  • Сообщений: 95553
  • Санкт-Петербург
    • AZG CUSTOM
Dimon21, Ну 60мм слишком длинные. Плюс не указано про центральное положение. 35мм наиболее оптимальные. Характеристика W более удобная чем В.

Оффлайн Dimon21

  • Частый посетитель
  • **
  • Сообщений: 138
  • GuitarPlayer.Ru fan!
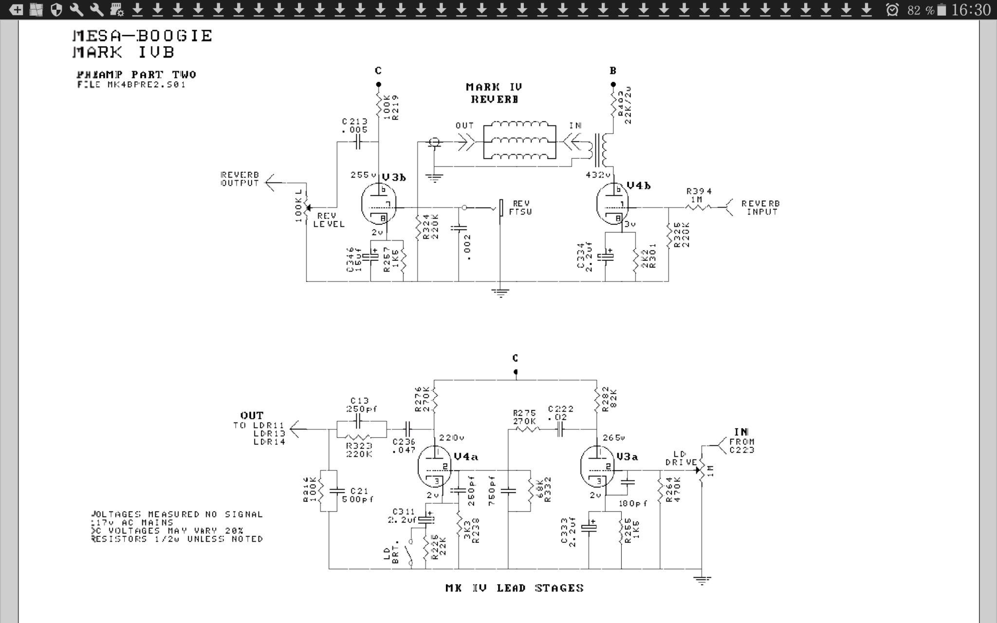
Заметил, что в некоторых моделях Марков - есть или нет конденсатор проходной в Лид канале 22нф ( на этой схеме он С223 ). Чем обусловлено его отсутствие или присутствие в схеме? Почему с ним и без него?
Думаю без него - бассовитее будет...


Оффлайн AZG

  • Живу на форуме
  • *******
  • Сообщений: 95553
  • Санкт-Петербург
    • AZG CUSTOM
Dimon21, Конденсатор есть, но его часто врисовывают в схему Лида. Разницы нет где его нарисовать. На сколько помню по схемам, вроде у М3 не был нарисован. Но по факту он есть на тех ревизиях, что видел.

Оффлайн surfin bird Автор темы

  • Эксперт
  • *****
  • Сообщений: 2968
  • Поциент-заМКАДыш
    • Surfin Bird
Dimon21, Конденсатор есть, но его часто врисовывают в схему Лида. Разницы нет где его нарисовать. На сколько помню по схемам, вроде у М3 не был нарисован. Но по факту он есть на тех ревизиях, что видел.
  В схеме M4 ( в версии B ) этот кап  https://guitarplayer.ru/equipment-craft/mesa-mark4-combo-deep-penetration/msg10576544/#msg10576544
Кста., вот его лид:
« Последнее редактирование: Января 15, 2022, 11:04:50 от surfin bird »

Оффлайн AZG

  • Живу на форуме
  • *******
  • Сообщений: 95553
  • Санкт-Петербург
    • AZG CUSTOM
surfin bird, Как я выше и написал - надо смотреть реальные аппараты. Сколько видел - он есть.

Оффлайн surfin bird Автор темы

  • Эксперт
  • *****
  • Сообщений: 2968
  • Поциент-заМКАДыш
    • Surfin Bird
surfin bird, Как я выше и написал - надо смотреть реальные аппараты. Сколько видел - он есть.
Да, но тут вопрос про его назначение. Получается между вторым каскадом и лидом два межкаскадника С233-С223, или поциент бредит  ;D
« Последнее редактирование: Января 15, 2022, 11:16:47 от surfin bird »

Оффлайн AZG

  • Живу на форуме
  • *******
  • Сообщений: 95553
  • Санкт-Петербург
    • AZG CUSTOM
Да, но тут вопрос про его назначение. Получается между вторым каскадом и лидом два межкаскадника С233-С223, или поциент бредит  ;D

Отвязывает пот Драйва и заодно чутка подрезает ультра-низ.

Оффлайн surfin bird Автор темы

  • Эксперт
  • *****
  • Сообщений: 2968
  • Поциент-заМКАДыш
    • Surfin Bird
Кста., скоро буду бошку открывать, поищу его.

Оффлайн AZG

  • Живу на форуме
  • *******
  • Сообщений: 95553
  • Санкт-Петербург
    • AZG CUSTOM
Кста., скоро буду бошку открывать, поищу его.

Вскрытие черепа санитарами? :crazy:

Оффлайн surfin bird Автор темы

  • Эксперт
  • *****
  • Сообщений: 2968
  • Поциент-заМКАДыш
    • Surfin Bird
Вскрытие черепа санитарами? :crazy:
Все гораздо хуже - вскрытие силами поциентов палаты выздоравливающих  :D Приятель умоляет помочь открекапить его Марк :crazy:
« Последнее редактирование: Января 15, 2022, 17:49:45 от surfin bird »