Автор Тема: Кастомные аппараты USA и пр.  (Прочитано 7762 раз)

0 Пользователей и 1 Гость просматривают эту тему.

Оффлайн Алексей Ф Автор темы

  • Эксперт
  • *****
  • Сообщений: 2261
  • GuitarPlayer.Ru fan!
Re: Кастомные аппараты USA и пр.
« Ответ #45 : Марта 08, 2024, 15:01:01 »
Азнаур, ты не понял, там тб переключаемые, не привязаны к каналу, и пара тримов на ходе по уровню причесать. Смысл (если в этом вообще есть смысл) - чтобы разные тб можно подключать по вкусу.

... и добавил:

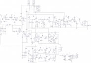
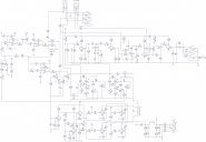
Так-с... Оказывается номиналы мастеров и волюмов на схеме не указал. Исправляюсь.

2449175-0
« Последнее редактирование: Марта 08, 2024, 15:38:28 от Алексей Ф »

Оффлайн AZG

  • Живу на форуме
  • *******
  • Сообщений: 95511
  • Санкт-Петербург
    • AZG CUSTOM
Re: Кастомные аппараты USA и пр.
« Ответ #46 : Марта 08, 2024, 16:00:48 »
Азнаур, ты не понял, там тб переключаемые, не привязаны к каналу, и пара тримов на ходе по уровню причесать. Смысл (если в этом вообще есть смысл) - чтобы разные тб можно подключать по вкусу.

Я не слепой и все это увидел. Просто тут есть нюансы по рулежке. Фендер-стайл на выходе преда как по мне не очень эффективен как и Маршалловский на входе преда. Номиналы подогнать можно, о чем я написал выше. Но поты НЧ и СЧ разные, плюс на СЧ не надо большой номинал на выходе преда. И т.д. Я долго с этим игрался и вот к этому пришел. В целом, готовая схемотехника забугорных аппаратов тоже этого придерживается.

У Фендера разные ТБ появились еще в конце 50-х. Видать тоже на месте не сидели :)

Оффлайн Алексей Ф Автор темы

  • Эксперт
  • *****
  • Сообщений: 2261
  • GuitarPlayer.Ru fan!
Re: Кастомные аппараты USA и пр.
« Ответ #47 : Марта 08, 2024, 16:49:19 »
Азнаур, нужны два разных тб - я об этом.
То что было работало крайне неадекватно. Диапазон регулировок смещен в нч сторону с номиналами как на схеме.

Оффлайн AZG

  • Живу на форуме
  • *******
  • Сообщений: 95511
  • Санкт-Петербург
    • AZG CUSTOM
Re: Кастомные аппараты USA и пр.
« Ответ #48 : Марта 08, 2024, 17:57:50 »
Так я и говорю, что номиналы обвеса менять надо. Но не поты. Они там норм в том месте как стоят.

Оффлайн Алексей Ф Автор темы

  • Эксперт
  • *****
  • Сообщений: 2261
  • GuitarPlayer.Ru fan!
Re: Кастомные аппараты USA и пр.
« Ответ #49 : Марта 08, 2024, 18:50:25 »
Собрал, пока без ревера. А по  звуку ничего так!
Тб вменяемые получились, и разные, хорошо слышно где фендер где маршал-стайл, в общем - норм.
Вариантов по звуку у прибора много. Мофо, каналы, ТБ по вкусу, плюс рульками грузить можно по разному. Завтра качну погромче, поздновато уже.

Оффлайн AZG

  • Живу на форуме
  • *******
  • Сообщений: 95511
  • Санкт-Петербург
    • AZG CUSTOM
Re: Кастомные аппараты USA и пр.
« Ответ #50 : Марта 08, 2024, 20:13:49 »
Алексей Ф, да ну, чего стесняться? Все рули вправо! ;) :crazy:

Оффлайн Алексей Ф Автор темы

  • Эксперт
  • *****
  • Сообщений: 2261
  • GuitarPlayer.Ru fan!
Re: Кастомные аппараты USA и пр.
« Ответ #51 : Марта 09, 2024, 12:12:22 »
Ну, я конечно люблю поработать до 2 ночи, но не в праздник же  ;D

Итак, что получилось в итоге - см ниже. Изменены номиналы в ТБ и прегейны по каналам (Азнаур, спасибо за идею!)

2449232-0

Оффлайн AZG

  • Живу на форуме
  • *******
  • Сообщений: 95511
  • Санкт-Петербург
    • AZG CUSTOM
Re: Кастомные аппараты USA и пр.
« Ответ #52 : Марта 09, 2024, 13:40:59 »
Алексей Ф, Ну норм. Рад, что помог :)

Оффлайн Crypt

  • Ветеран форума
  • ******
  • Сообщений: 3383
  • Technician
    • MEGATHERION
Re: Кастомные аппараты USA и пр.
« Ответ #53 : Марта 14, 2024, 19:58:00 »
А я в итоге забил подобное улучшать. Авторский креатив достоин лучшего применения, а эти недоразуменя пусть остаются памятниками тем кто их создал.

Оффлайн AZG

  • Живу на форуме
  • *******
  • Сообщений: 95511
  • Санкт-Петербург
    • AZG CUSTOM
Re: Кастомные аппараты USA и пр.
« Ответ #54 : Марта 14, 2024, 21:13:59 »
Crypt, Иногда спортивный интерес сделать из чуда что-то вменяемое. Утилитарной сборки и так хватает выше крыши. Надо же чем то развлекаться.

Не так давно было очередное чудо беспощадного американского КШ от Брюса Зинки. Основа прикольная, но невменяемая муть и гул по НЧ. Перепахал мощник, переделал кое-что по мелочам и аппарат преобразился. Схему преампа снимать не реально, там посередине платы жуткий паук залитый в ноль герметик-клеем. Но примечательно использование пары звуковых трансформаторов частично в сеточных и частично катодных цепях.

p.s. основа от МИГ-50, кстати. Долго смеялся! Он там оставил два вертикальных совковых электролита в качестве импровизированных стоек для монтажа. На одном земля, на втором анодка.  :crazy: :pozor:

Оффлайн Crypt

  • Ветеран форума
  • ******
  • Сообщений: 3383
  • Technician
    • MEGATHERION
Re: Кастомные аппараты USA и пр.
« Ответ #55 : Марта 14, 2024, 23:56:05 »
Российские кастомщики-бутофоры, клепающие на заказ всякие "клоны" тоже тот еще цирк. 3 шт поддельного маршала - два сновья не работают (набор чудес просто феерический), третий просто плохо звучит (еще предстоить понять что упороли). Все это на первый взгляд аккуретненько, начинка примерно из того чего надо... но при ближайшем рассмотрении это просто бутофория, категория "радиомонтаж" там вообще неприменима. Не говоря о полном непонимании того что делается и с чем это есть. производственные возможности, конечно зависть вызывают (мне бы так шасси кто делал и уголки толекса заклеивал). В остальмо же -- срамота мозга.

Оффлайн Alex_SG

  • Живу на форуме
  • *******
  • Сообщений: 7526
  • хейтер и пессимист :crazy:
Re: Кастомные аппараты USA и пр.
« Ответ #56 : Марта 14, 2024, 23:58:04 »
Crypt, А есть фотки? Ну просто интересно всегда на такой "типа кастом" посмотреть

Оффлайн Crypt

  • Ветеран форума
  • ******
  • Сообщений: 3383
  • Technician
    • MEGATHERION
Re: Кастомные аппараты USA и пр.
« Ответ #57 : Марта 15, 2024, 00:24:34 »
Буду со следующим разбераться - фото выложу.

Вот например один из лютых приколов подобного изделия - в 100-Вт "Маршале" анодный предохранитель отрубает только одну половину (один этаж) анодного выпрямителя-удвоителя. Т. е. при аварии в схеме остается +220 анодного.
Второй прикол в том же усилке - спилкерные джеки, два в параллель, красиво прикаканы блестящими капельками... один работает, второй гудит-свистит-чудЕсит. Я же говорю, бутофория а не радиомонтаж. Поднимаю турретборд (который так неудачно установить надо постараьтся - ну посмотри, чудо, как в оригинале хоть сделано), куча проводов снизу отваливается, жилы зарезаны при снятии изоляции...

... а вы про американских идиотов... ну да, есть они там, что странного?

Оффлайн Alex_SG

  • Живу на форуме
  • *******
  • Сообщений: 7526
  • хейтер и пессимист :crazy:
Re: Кастомные аппараты USA и пр.
« Ответ #58 : Марта 15, 2024, 00:36:53 »
... а вы про американских идиотов... ну да, есть они там, что странного?
Да они везде есть, ничего странного в этом нет. Засечки на проводах - монтажник просто не понимал чем он занимается, очевидно, что работал ножом а не стрипером, классика в своём роде.
Приносили мне когда-то Rivera Knucklehead на предмет полечить. Привезли чуть ли не из штатов если верить хозяину, но трансформатор был на 220. Платы просто залиты остатками флюса. С обоих сторон.
Разобрал, отмывал старательно пару вечеров Крамолиновским FluxOff и потом ацетоном. Собрал - заработало. Не было заменено НИ ОДНОГО компонента :)

(нажмите чтобы показать/спрятать)

(нажмите чтобы показать/спрятать)
« Последнее редактирование: Марта 15, 2024, 00:42:06 от Alex_SG »

Оффлайн AZG

  • Живу на форуме
  • *******
  • Сообщений: 95511
  • Санкт-Петербург
    • AZG CUSTOM
Re: Кастомные аппараты USA и пр.
« Ответ #59 : Марта 15, 2024, 08:01:28 »
Crypt, Про наших бутафоров надо отдельную тему делать. У меня в свое время был вал СЛО-клонов, которые пришлось полностью пересобирать. Народ поверил в свои силы, а собрать и запустить не так то и просто без багажа знаний и умений. Переделывать приходилось вплоть до посадки трансов и т.п. С Маршаллоидами как-то меньше сталкивался, хотя и такого как у тебя хватает. Открываешь - половина паек сухие в лучшем случае.

Веселее был один аппарат, где товарищу надули в уши и он понатыкал ХайЭндного полипропилена везде и всюду. Электролиты Мундорф и т.д. Мало того, что работало коряво, ибо он не понимал что такое смещение. Так и звучало соответственно.