Форум гитаристов
У нас самая большая гитарная тусовка
Добро пожаловать,
Гость
. Пожалуйста,
войдите
или
зарегистрируйтесь
.
Не получили
письмо с кодом активации
?
1 час
1 день
1 неделя
1 месяц
Навсегда
В теме
В разделе
По форуму
Яндекс
Начало
Помощь
Поиск
Media
Пользователи
Общий список
Поиск пользователей
Вход
Регистрация
|
Размещение рекламы
Правила форума
Форум гитаристов
»
Оборудование
»
equipment.craft
(Модератор:
Dying Fetus
) »
Тема:
Комбик на микросхемах
« предыдущая тема
следующая тема »
Печать
Страницы: [
1
]
Вниз
Автор
Тема: Комбик на микросхемах (Прочитано 2645 раз)
0 Пользователей и 1 Гость просматривают эту тему.
prosha6634
Новичок
Сообщений: 18
GuitarPlayer.Ru fan!
Комбик на микросхемах
«
:
Мая 25, 2016, 23:37:50 »
Хочу собрать комбик на tda 2030 (оконечник) и tl072 (пред) плюс к этому воткнуть спикерсим тоже на tl072 т.к. динамик не гитарный. Ну и появляется вопрос как запитать весь этот "зоопарк". И ещё нет ли у кого-нибудь печатки под этот пред? Не предлагайте мне схемы готовых комбик в т.к. хочется сделать что-то вроде конструктора. Не нравится пред? Поставь другую платку. Не нравится оконечник? Воткни другой. И так далее
Записан
Pavel WOC
Эксперт
Сообщений: 2789
GuitarPlayer.Ru fan!
Re: Комбик на микросхемах
«
Ответ #1 :
Мая 25, 2016, 23:53:35 »
Схемы какойто мусор с гугла... Начни со сборки оконечника на TDA. Статей с типовыми схемами, печатками и фотками сборки целая куча.
Записан
Мой канал на Ютубе
Сайт World Of Covers
Виктор Андреев
Эксперт
Сообщений: 1154
GuitarPlayer.Ru fan!
Re: Комбик на микросхемах
«
Ответ #2 :
Мая 26, 2016, 03:04:11 »
только lm1875 будет лучше (так подобрать ее чутье, что бы при любом уровне на диодах (откуда на нее сигнал с преда идет)она в огранку не входила
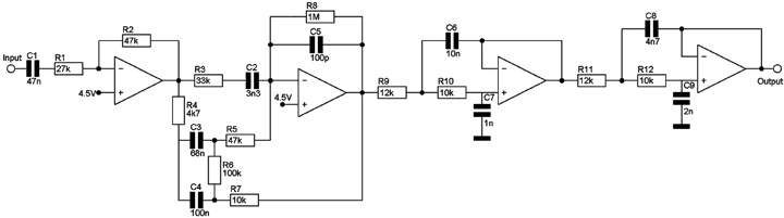
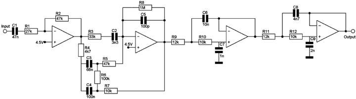
пред - та средняя с тембрами под маршал типа
Записан
steeler1889
Частый посетитель
Сообщений: 246
РОК НА ВЕКА !!!
Re: Комбик на микросхемах
«
Ответ #3 :
Мая 26, 2016, 05:52:59 »
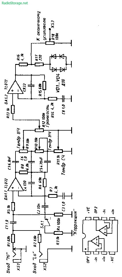
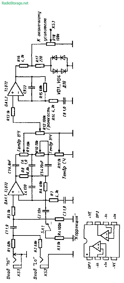
Вот УНЧ со спикерсимом под НЕгитарный динамик и ограничитель вых мощности.котор можно и не ставить(если динамик позволяет)
Записан
hj-s
Завсегдатай
Сообщений: 309
Re: Комбик на микросхемах
«
Ответ #4 :
Мая 26, 2016, 08:54:51 »
Если и собирать транзисторный аппарат, то тогда уж что-то более годное, SUNN Beta, например. Схемы в сети есть.
Записан
Ritual Haze - Gorgon Master
https://ritualhaze.bandcamp.com/album/gorgon-master
Burny RSG-75 > VOX V847-A > Yerasov NR-10 > BAT Black Forest > Revelations superbass > BOSS BD-2 > MAD Holy Mountain > MXR CSP-001 Variphase > Hiwatt T20 HD > DIY Reactive Loadbox > Tascam US 4x4
prosha6634
Новичок
Сообщений: 18
GuitarPlayer.Ru fan!
Re: Комбик на микросхемах
«
Ответ #5 :
Мая 26, 2016, 21:31:06 »
Мне нужна маленькая фиговинка для игры дома
Записан
Олег Кононов
Частый посетитель
Сообщений: 207
Чайник
Re: Комбик на микросхемах
«
Ответ #6 :
Мая 26, 2016, 22:09:32 »
Тогда не изобретай велосипед, а купи копеечный китайский комбик. Результат будет лучше и дешевле тех схем, которые вверху топика
Записан
Печать
Страницы: [
1
]
Вверх
« предыдущая тема
следующая тема »
Форум гитаристов
»
Оборудование
»
equipment.craft
(Модератор:
Dying Fetus
) »
Тема:
Комбик на микросхемах