Автор Тема: Коммутатор-селектор каналов.  (Прочитано 3107 раз)

0 Пользователей и 1 Гость просматривают эту тему.

Оффлайн Vlad1022 Автор темы

  • Новичок
  • *
  • Сообщений: 66
  • GuitarPlayer.Ru fan!
Коммутатор-селектор каналов.
« : Мая 10, 2018, 20:56:58 »
Приветствую! Хочу сделать коммутатор-селектор каналов,для переключения двух примочек,на основе 9- пинового переключателя,с помощью которого можно включать и выключать как входа,так и выхода используемых примочек.Такой переключатель также позволяет на свободные контакты повесить и светодиоды индикации.Одно беспокоит-при такой элементарной схеме при переключении каналов возможны щелчки в звуковом тракте.Посоветуйте,как этого избежать...

Оффлайн Geezer

  • Живу на форуме
  • *******
  • Сообщений: 12764
  • Atypique
Re: Коммутатор-селектор каналов.
« Ответ #1 : Мая 10, 2018, 21:57:08 »
На сигнальные цепи навесить резисторы 1...2 мОм на массу, а светодиоды зашунтировать электролитами небольшой ёмкости. А там видно будет, что эффективнее :)

Оффлайн Medvedeff8

  • Ветеран форума
  • ******
  • Сообщений: 3026
  • Слабоумие и отвага!
Re: Коммутатор-селектор каналов.
« Ответ #2 : Мая 11, 2018, 11:33:38 »
Если планируется светодиодная индикация, значит, подразумевается, что устройство будет получать питание. Тогда можно коммутацию сделать на 3PDT реле, а кнопкой осуществлять управление. На реле меньше шансов возникновения щелчков, поскольку реле быстрее переключает.

Оффлайн Vlad1022 Автор темы

  • Новичок
  • *
  • Сообщений: 66
  • GuitarPlayer.Ru fan!
Re: Коммутатор-селектор каналов.
« Ответ #3 : Мая 11, 2018, 11:38:04 »
На сигнальные цепи навесить резисторы 1...2 мОм на массу, а светодиоды зашунтировать электролитами небольшой ёмкости. А там видно будет, что эффективнее :)
Спасибо! Попробую!

... и добавил:

Если планируется светодиодная индикация, значит, подразумевается, что устройство будет получать питание. Тогда можно коммутацию сделать на 3PDT реле, а кнопкой осуществлять управление. На реле меньше шансов возникновения щелчков, поскольку реле быстрее переключает.
Не будет ли работающая катушка эл.магнита наводить фон?
« Последнее редактирование: Мая 11, 2018, 11:40:16 от Vlad1022 »

Оффлайн Medvedeff8

  • Ветеран форума
  • ******
  • Сообщений: 3026
  • Слабоумие и отвага!
Re: Коммутатор-селектор каналов.
« Ответ #4 : Мая 11, 2018, 12:07:22 »
С соответствующей фильтрацией питания - не будет. Очень много схем усилителей, в которых коммутация каналов реализована на реле. Более современные - на оптопарах, переключает очень мягко, но это дорого.

Оффлайн Vlad1022 Автор темы

  • Новичок
  • *
  • Сообщений: 66
  • GuitarPlayer.Ru fan!
Re: Коммутатор-селектор каналов.
« Ответ #5 : Мая 11, 2018, 12:11:25 »
С соответствующей фильтрацией питания - не будет. Очень много схем усилителей, в которых коммутация каналов реализована на реле. Более современные - на оптопарах, переключает очень мягко, но это дорого.
Спасибо за дельный совет!

Оффлайн Geezer

  • Живу на форуме
  • *******
  • Сообщений: 12764
  • Atypique
Re: Коммутатор-селектор каналов.
« Ответ #6 : Мая 11, 2018, 13:50:42 »
https://yadi.sk/i/GvGw0Vuo3Viirx
Вот такой у меня получился коммутатор, делал для товарища. Одна топтушка управляет режимом Байпасс/Эффекты, другая выбирает Эффект1/Эффект2.
Поскольку у меня были только 2PDT, то пришлось коммутировать сигналы двумя дополнительными релюшками. Вопросов по щелчкам у заказчика не было :)

Оффлайн Tuvalu

  • Опытный
  • ****
  • Сообщений: 592
  • GuitarPlayer.Ru fan!
Re: Коммутатор-селектор каналов.
« Ответ #7 : Мая 11, 2018, 16:25:24 »
На реле меньше шансов возникновения щелчков, поскольку реле быстрее переключает.
При чём здесь скорость переключения?

Оффлайн Vlad1022 Автор темы

  • Новичок
  • *
  • Сообщений: 66
  • GuitarPlayer.Ru fan!
Re: Коммутатор-селектор каналов.
« Ответ #8 : Мая 12, 2018, 09:32:22 »
Кто знает,по какой схеме построено подобное изделие от АМТ?

Оффлайн AZG

  • Живу на форуме
  • *******
  • Сообщений: 95541
  • Санкт-Петербург
    • AZG CUSTOM
Re: Коммутатор-селектор каналов.
« Ответ #9 : Мая 12, 2018, 09:59:30 »
Medvedeff8, Наоборот, старые на оптике, новые на реле. ROHS и все такое не дремлют.

Оффлайн Владислав Утюмов

  • Завсегдатай
  • ***
  • Сообщений: 410
  • И со свечкой искали они, и с умом...
Re: Коммутатор-селектор каналов.
« Ответ #10 : Мая 12, 2018, 21:14:29 »
Приветствую! Хочу сделать коммутатор-селектор каналов,для переключения двух примочек,на основе 9- пинового переключателя,с помощью которого можно включать и выключать как входа,так и выхода используемых примочек.Такой переключатель также позволяет на свободные контакты повесить и светодиоды индикации.Одно беспокоит-при такой элементарной схеме при переключении каналов возможны щелчки в звуковом тракте.Посоветуйте,как этого избежать...
Я недавно делал аналогичный коммутатор, у меня там 9 контактные кнопки и реле. Фона от реле нет, использую стабилизированный БП на 9 вольт от ерасова.

Щелчки поначалу были очень громкие. Переделал схему так, чтобы вход коммутируемой педали был всегда подключен к входу коммутатора. Переключаю только выход примочки. Щелчки стали гораздо тише - снизились до приемлемого уровня, который есть на любой педали с пассивным байпасом.

... и добавил:

К слову, когда громко щелкало, громкость щелков была одинаковая как при срабатывании реле, так и при срабатывании кнопки.
« Последнее редактирование: Мая 12, 2018, 21:17:14 от Владислав Утюмов »

Оффлайн Alexey K

  • Эксперт
  • *****
  • Сообщений: 1019
Re: Коммутатор-селектор каналов.
« Ответ #11 : Июня 13, 2018, 11:52:51 »
У меня давно такой вопрос по коммутации, а реально ли сделать футсвичевый селектор, т.е. 3 кнопки как у головы, только в данном случае эффект1, эффект2, оба? и чтоб они перетыкивались последовательно, в режиме вкл-выкл и не накладываясь на остальные.

Оффлайн def32

  • Новичок
  • *
  • Сообщений: 81
  • Иркутск
Re: Коммутатор-селектор каналов.
« Ответ #12 : Июля 20, 2018, 05:20:18 »
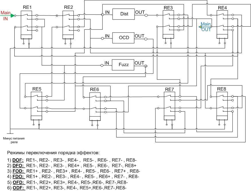
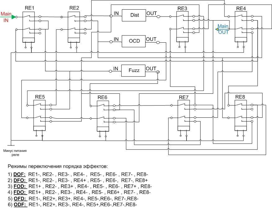
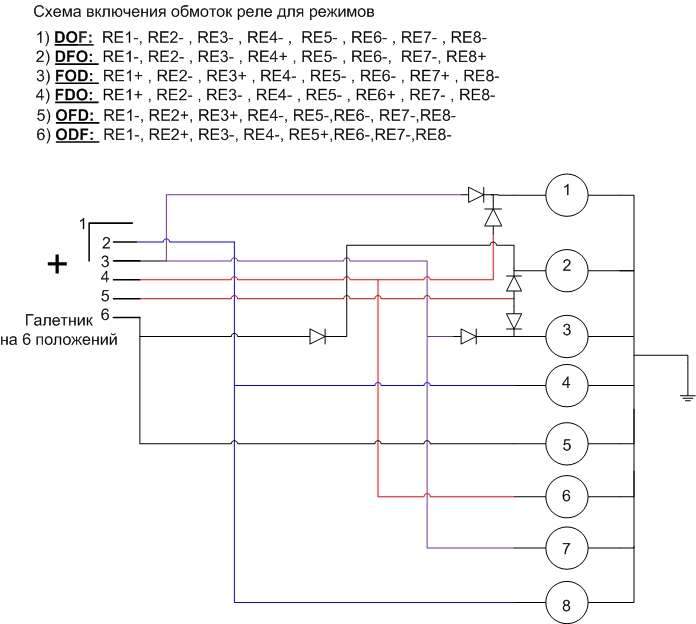
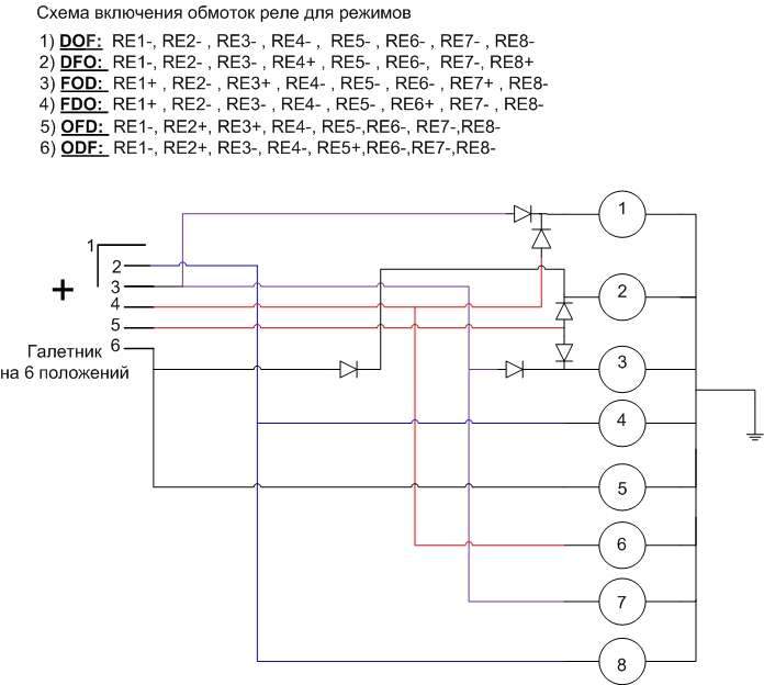
Впишу свои 5 копеек :)
Думаю AZG раскритикует, но оно и к лучшему..
Захотелось сделать устройство для возможности переключения 3 педалей в различную последовательность..
..хз как оно будет работать и не будет ли щелчков...
собственно педалей у меня пока нет (потом сделаю), как и самого придумываемого устройства..
В общем на критику схема..

... и добавил:

ну и схема питания
« Последнее редактирование: Июля 20, 2018, 05:23:42 от def32 »

Оффлайн AZG

  • Живу на форуме
  • *******
  • Сообщений: 95541
  • Санкт-Петербург
    • AZG CUSTOM
Re: Коммутатор-селектор каналов.
« Ответ #13 : Июля 20, 2018, 08:54:50 »
На реле почему бы и нет. Но вот не вижу смысла в абсолютно любой последовательности. Это большая редкость когда нужна на столько гибкая коммутация.

Оффлайн def32

  • Новичок
  • *
  • Сообщений: 81
  • Иркутск
Re: Коммутатор-селектор каналов.
« Ответ #14 : Июля 20, 2018, 09:08:16 »
На реле почему бы и нет. Но вот не вижу смысла в абсолютно любой последовательности. Это большая редкость когда нужна на столько гибкая коммутация.
ну если уж делать - то универсально :)
хочу сделать все в один корпус, вместе с педалями
по задумке будет:
бустер/компрессор (переключаемые либо-либо) - далее фуз/дист/Овер (по приведенной схеме) - хорус - дилэй
« Последнее редактирование: Июля 20, 2018, 09:11:53 от def32 »